GM Service Manual Online
For 1990-2009 cars only
Makes
🢒
Chevrolet
🢒
1997
🢒
Venture Ext.
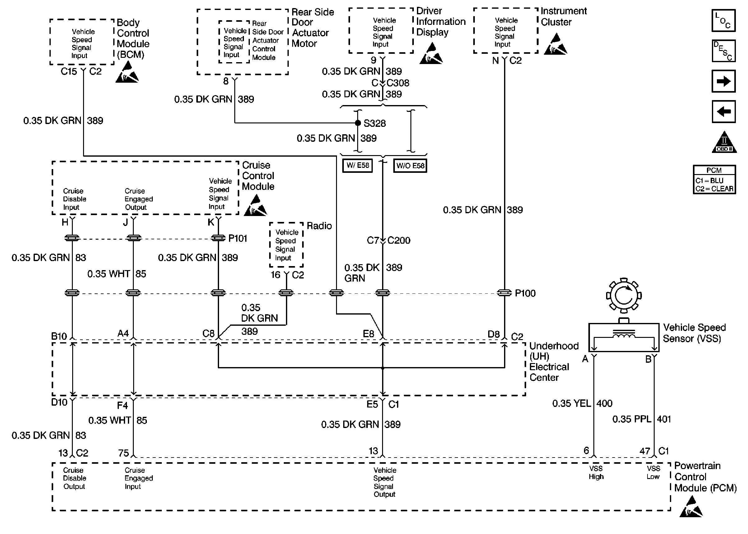
🢒 Vehicle Speed Sensor
Vehicle Speed Sensor
Vehicle Speed Sensor
Handling ESD Sensitive Parts Notice
Handling ESD Sensitive Parts Notice
Handling ESD Sensitive Parts Notice
Handling ESD Sensitive Parts Notice
Handling ESD Sensitive Parts Notice
IAC Valve, EBTCM, Engine Oil Level Sensor
4-Speed Automatic Transaxle, TCC Sw.
Information Sensors
Engine Controls Components
OBD II Symbol Description Notice