GM Service Manual Online
For 1990-2009 cars only
Figure 1:

Power, Ground, MIL, DLC


Object Number: 524518  Size: FS
Underhood Accessory Wiring Junction Block, Relay Center, PWR WDO and PWR OTR Vent Fuses
IGN, SIR, T/S/G, Cruise, and PCM/Pass Key 1 Cluster Fuses
Cell 14: G100, G111 and G113
IGN, SIR, T/S/G, Cruise, and PCM/Pass Key 1 Cluster Fuses
IGN, SIR, T/S/G, Cruise, and PCM/Pass Key 1 Cluster Fuses
IGN, SIR, T/S/G, Cruise, and PCM/Pass Key 1 Cluster Fuses
Hardwire Indicators
Ignition Switch IGN Main Relay, IGN Main 1, PCM/ABS, CONVENT SOL, DRL, and PCM/Crank Fuses
Handling ESD Sensitive Parts Notice
Ignition Switch IGN Main Relay, IGN Main 1, PCM/ABS, CONVENT SOL, DRL, and PCM/Crank Fuses
Handling ESD Sensitive Parts Notice
DLC Schematic
Engine Controls Components
Powertrain Control Module Description
Ignition System, Knock Sensor
OBD II Symbol Description Notice
Powertrain Control Module Connector End Views
Figure 2:

Ignition System, Knock Sensor


Object Number: 524523  Size: FS
Underhood Accessory Wiring Junction Block
OBD II Symbol Description Notice
Powertrain Control Module Connector End Views
Handling ESD Sensitive Parts Notice
Engine Controls Components
Powertrain Control Module Description
Fuel Control
Power, Ground, MIL, DLC
Figure 3:

Fuel Control


Object Number: 524525  Size: FS
Engine Data Sensors, A/C Refrig Press, TP, MAP, ECT, IAT
Handling ESD Sensitive Parts Notice
Handling ESD Sensitive Parts Notice
Cell 14: G301
Underhood Accessory Wiring Junction Block
Cell 14: G100, G111 and G113
Engine Controls Components
Powertrain Control Module Description
Fuel Injectors
Ignition System, Knock Sensor
OBD II Symbol Description Notice
Powertrain Control Module Connector End Views
Cell 14: G100, G111 and G113
Handling ESD Sensitive Parts Notice
Figure 4:

Fuel Injectors


Object Number: 524527  Size: FS
Underhood Accessory Wiring Junction Block
Engine Controls Components
Powertrain Control Module Description
Engine Data Sensors, A/C Refrig Press, TP, MAP, ECT, IAT
Fuel Control
OBD II Symbol Description Notice
Powertrain Control Module Connector End Views
Handling ESD Sensitive Parts Notice
Figure 5:

Engine Data Sensors, A/C Refrig Press, TP, MAP, ECT, IAT


Object Number: 524531  Size: FS
Handling ESD Sensitive Parts Notice
Fuel Control
OBD II Symbol Description Notice
Handling ESD Sensitive Parts Notice
Engine Controls Components
Powertrain Control Module Description
Engine Data Sensors, MAF, EVAP Switch, EVAP Valve, EGR
Fuel Injectors
Powertrain Control Module Connector End Views
Figure 6:

Engine Data Sensors, MAF, EVAP Switch, EVAP Valve, EGR


Object Number: 524535  Size: FS
Underhood Accessory Wiring Junction Block
Under Accessory Wiring Junction Block and IGN 1 Fuse
Ignition Switch IGN Main Relay, IGN Main 1, PCM/ABS, CONVENT SOL, DRL, and PCM/Crank Fuses
Cell 14: G100, G111 and G113
Handling ESD Sensitive Parts Notice
Engine Controls Components
Powertrain Control Module Description
Engine Data Sensors, HO2S1, HO2S2
Engine Data Sensors, A/C Refrig Press, TP, MAP, ECT, IAT
OBD II Symbol Description Notice
Powertrain Control Module Connector End Views
Figure 7:

Engine Data Sensors, HO2S1, HO2S2


Object Number: 524538  Size: FS
Underhood Accessory Wiring Junction Block
Cell 14: G117
Handling ESD Sensitive Parts Notice
Engine Controls Components
Powertrain Control Module Description
IAC Valve, EBTCM, Engine Oil Level Sensor
Engine Data Sensors, MAF, EVAP Switch, EVAP Valve, EGR
OBD II Symbol Description Notice
Powertrain Control Module Connector End Views
Figure 8:

IAC Valve, EBTCM, Engine Oil Level Sensor


Object Number: 524541  Size: FS
Underhood Accessory Wiring Junction Block
Underhood Accessory Wiring Junction Block, Relay Center, PWR WDO and PWR OTR Vent Fuses
Cell 14: G100, G111 and G113
Underhood Accessory Wiring Junction Block
OBD II Symbol Description Notice
Powertrain Control Module Connector End Views
Handling ESD Sensitive Parts Notice
Engine Controls Components
Powertrain Control Module Description
A/C Compressor Controls
Engine Data Sensors, HO2S1, HO2S2
Handling ESD Sensitive Parts Notice
Figure 9:

A/C Compressor Controls


Object Number: 524545  Size: FS
HVAC/DIC/DRL/Heated Seat, HVAC Blower and RR HVAC/TEMP CONT Fuses
HVAC/DIC/DRL/Heated Seat, HVAC Blower and RR HVAC/TEMP CONT Fuses
Underhood Accessory Wiring Junction Block
Handling ESD Sensitive Parts Notice
Cell 14: G117
Cell 14: G117
Engine Controls Components
Powertrain Control Module Description
Coolant Fans
IAC Valve, EBTCM, Engine Oil Level Sensor
OBD II Symbol Description Notice
Powertrain Control Module Connector End Views
Figure 10:

Coolant Fans


Object Number: 524546  Size: FS
Underhood Accessory Wiring Junction Block
Cell 14: G117
Cell 14: G117
Handling ESD Sensitive Parts Notice
Engine Controls Components
Powertrain Control Module Description
Vehicle Speed Sensor
A/C Compressor Controls
OBD II Symbol Description Notice
Powertrain Control Module Connector End Views
Figure 11:

VSS


Object Number: 524549  Size: FS
Handling ESD Sensitive Parts Notice
Engine Controls Components
Powertrain Control Module Description
Automatic Transaxle, (1 of 2)
Coolant Fans
OBD II Symbol Description Notice
Powertrain Control Module Connector End Views
Handling ESD Sensitive Parts Notice
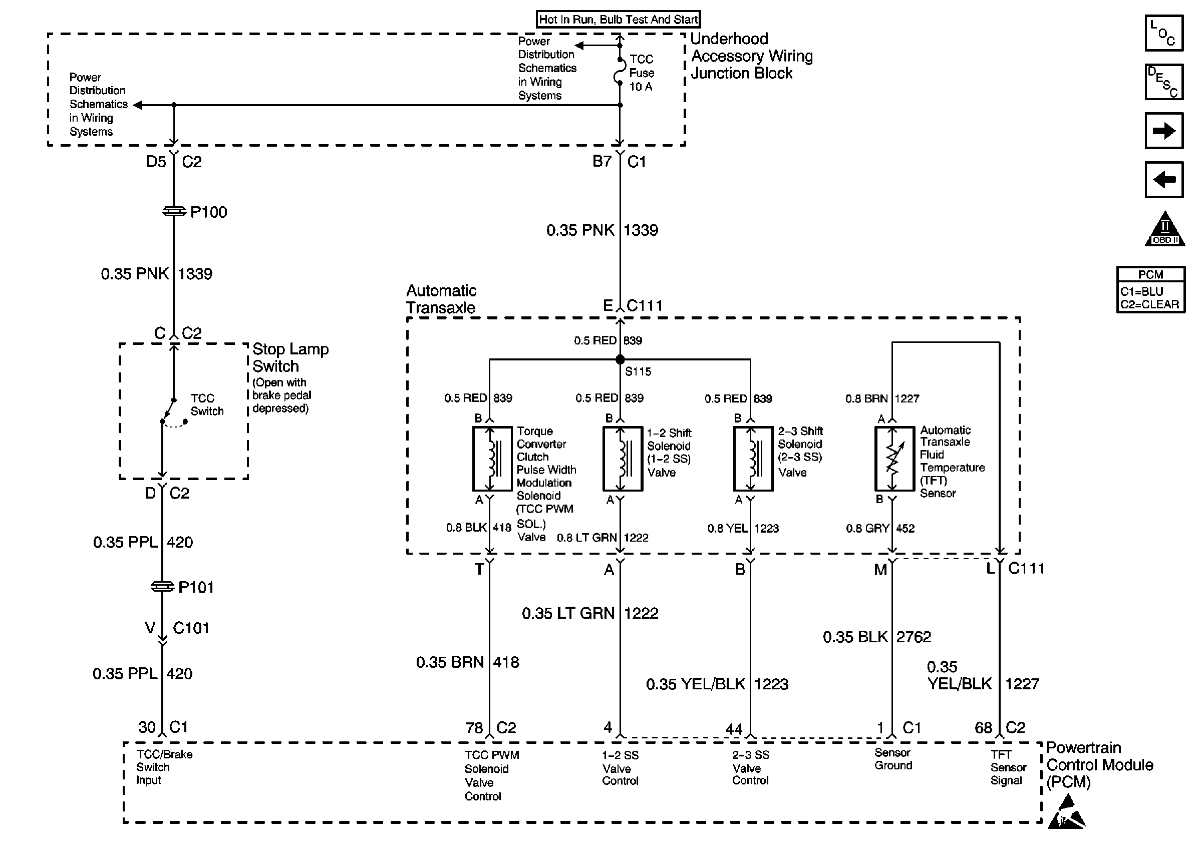
Figure 12:

Automatic Transaxle, (1 of 2)


Object Number: 524552  Size: FS
Handling ESD Sensitive Parts Notice
Engine Controls Components
Powertrain Control Module Description
Automatic Transaxle, (2 of 2)
Vehicle Speed Sensor
OBD II Symbol Description Notice
Powertrain Control Module Connector End Views
Handling ESD Sensitive Parts Notice
Figure 13:

Automatic Transaxle, (2 of 2)


Object Number: 524555  Size: FS
Underhood Accessory Wiring Junction Block
Underhood Accessory Wiring Junction Block
Engine Controls Components
Powertrain Control Module Description
Transaxle Range Switch
Automatic Transaxle, (1 of 2)
OBD II Symbol Description Notice
Powertrain Control Module Connector End Views
Handling ESD Sensitive Parts Notice
Figure 14:

Transaxle Range Switch


Object Number: 795585  Size: FS
Engine Controls Components
Powertrain Control Module Description
Automatic Transaxle, (2 of 2)
OBD II Symbol Description Notice