GM Service Manual Online
For 1990-2009 cars only
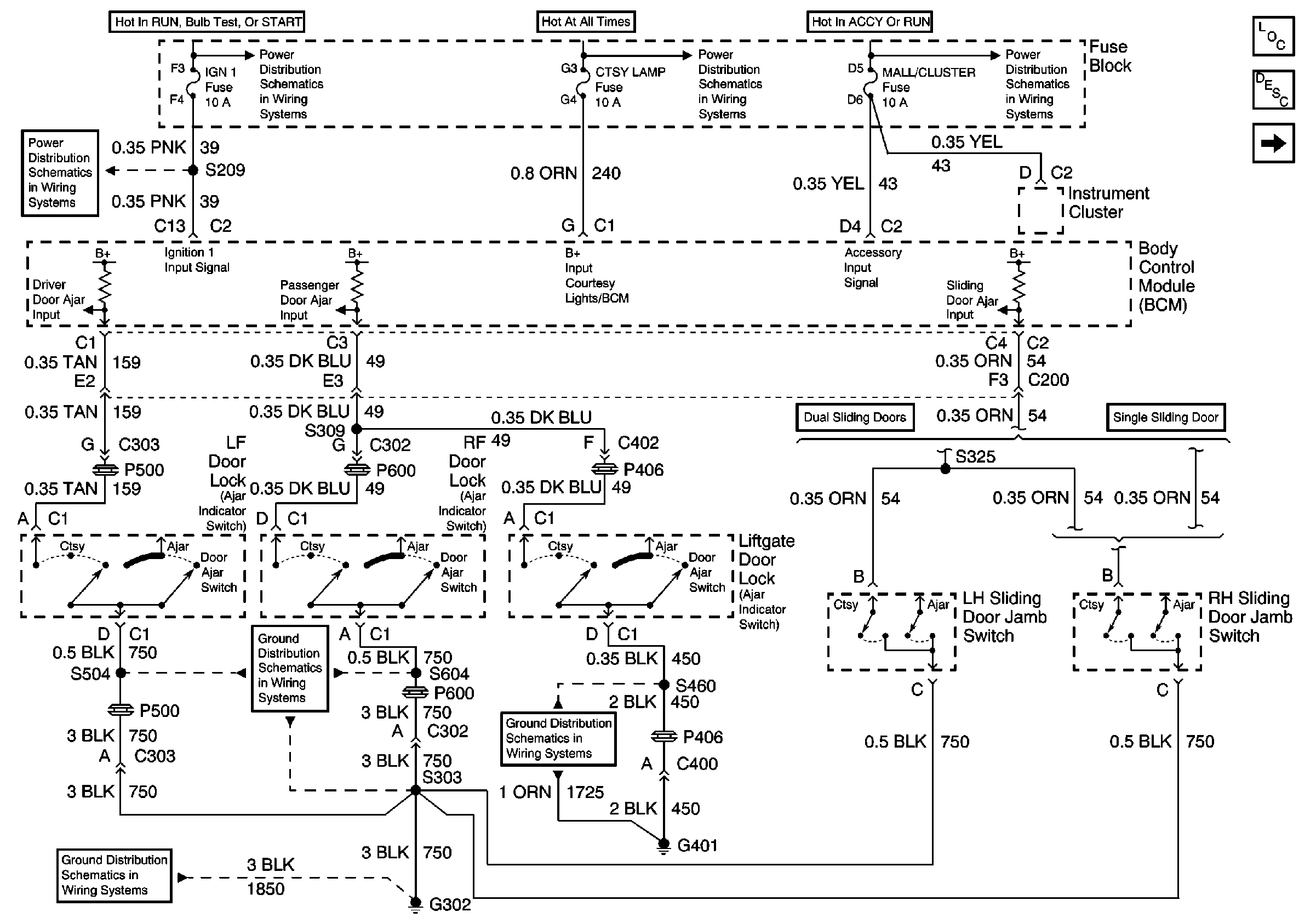
Figure 1:

Interior Lights Schematics (Cell 114: Door Locks, Sliding Door Jamb Switches, Liftgate Door Lock)


Object Number: 608481  Size: FS
Lighting Systems Components
Interior Lights Circuit Description
Interior Lights Schematics (Cell 114: Interior Lamp and Multifunction Switch, Sunshade Lighted Vanity Mirror)
Ignition Switch, IGN Main 2, BCM PRORM, RR WPR/WSHR, MALL/Cluster and FRT/WPR/WSHR Fuses
Cluster BATT, RR PWR SCKT, PWR Lock, Rap Relay, CTSY Lamp, FRT PWR SCKT, Cigar/DLC and PWR Mirror Fuses
Ignition Switch IGN Main Relay, IGN Main 1, PCM/ABS, CONVENT SOL, DRL, and PCM/Crank Fuses
Ignition Switch IGN Main Relay, IGN Main 1, PCM/ABS, CONVENT SOL, DRL, and PCM/Crank Fuses
Cell 14: G302
Cell 14: G302
Cell 14: G401
Figure 2:

Interior Lights Schematics (Cell 114: Interior Lamp and Multifunction Switch, Sunshade Lighted Vanity Mirror)


Object Number: 608485  Size: FS
Lighting Systems Components
Interior Lights Circuit Description
Interior Lights Schematics (Cell 114: Underhood Lamp, Windshield Header/Courtesy Reading Lamps)
Interior Lights Schematics (Cell 114: Door Locks, Sliding Door Jamb SwiTches, Liftgate Door Lock)
Interior Lights Schematics (Cell 114: Underhood Lamp, Windshield Header/Courtesy Reading Lamps)
Interior Lights Schematics (Cell 114: Underhood Lamp, Windshield Header/Courtesy Reading Lamps)
Interior Lights Schematics (Cell 114: Underhood Lamp, Windshield Header/Courtesy Reading Lamps)
Cell 14: G302
Figure 3:

Interior Lights Schematics (Cell 114: Underhood Lamp, Windshield Header/Courtesy Reading Lamps)


Object Number: 608491  Size: FS
Lighting Systems Components
Interior Lights Circuit Description
Interior Lights Schematics (Cell 114: Headlamp and IP Lamp Dimmer Switch)
Interior Lights Schematics (Cell 114: Interior Lamp and Multifunction Switch, Sunshade Lighted Vanity Mirror)
Interior Lights Schematics (Cell 114: Headlamp and IP Lamp Dimmer Switch)
Interior Lights Schematics (Cell 114: Interior Lamp and Multifunction Switch, Sunshade Lighted Vanity Mirror)
Interior Lights Schematics (Cell 114: Interior Lamp and Multifunction Switch, Sunshade Lighted Vanity Mirror)
Cell 14: G200
Interior Lights Schematics (Cell 114: Headlamp and IP Lamp Dimmer Switch)
Figure 4:

Interior Lights Schematics (Cell 114: Headlamp and IP Lamp Dimmer Switch)


Object Number: 608493  Size: FS
Lighting Systems Components
Interior Lights Circuit Description
Interior Lights Schematics (Cell 114: Underhood Lamp, Windshield Header/Courtesy Reading Lamps)
Interior Lights Schematics (Cell 114: Underhood Lamp, Windshield Header/Courtesy Reading Lamps)
Key Cylinder Switches
Interior Lights Schematics (Cell 114: Underhood Lamp, Windshield Header/Courtesy Reading Lamps)
Cell 14: G200