GM Service Manual Online
For 1990-2009 cars only
Makes
🢒
Chevrolet
🢒
2000
🢒
Venture Ext.
🢒
Body and Accessories
🢒
Wipers/Washer Systems
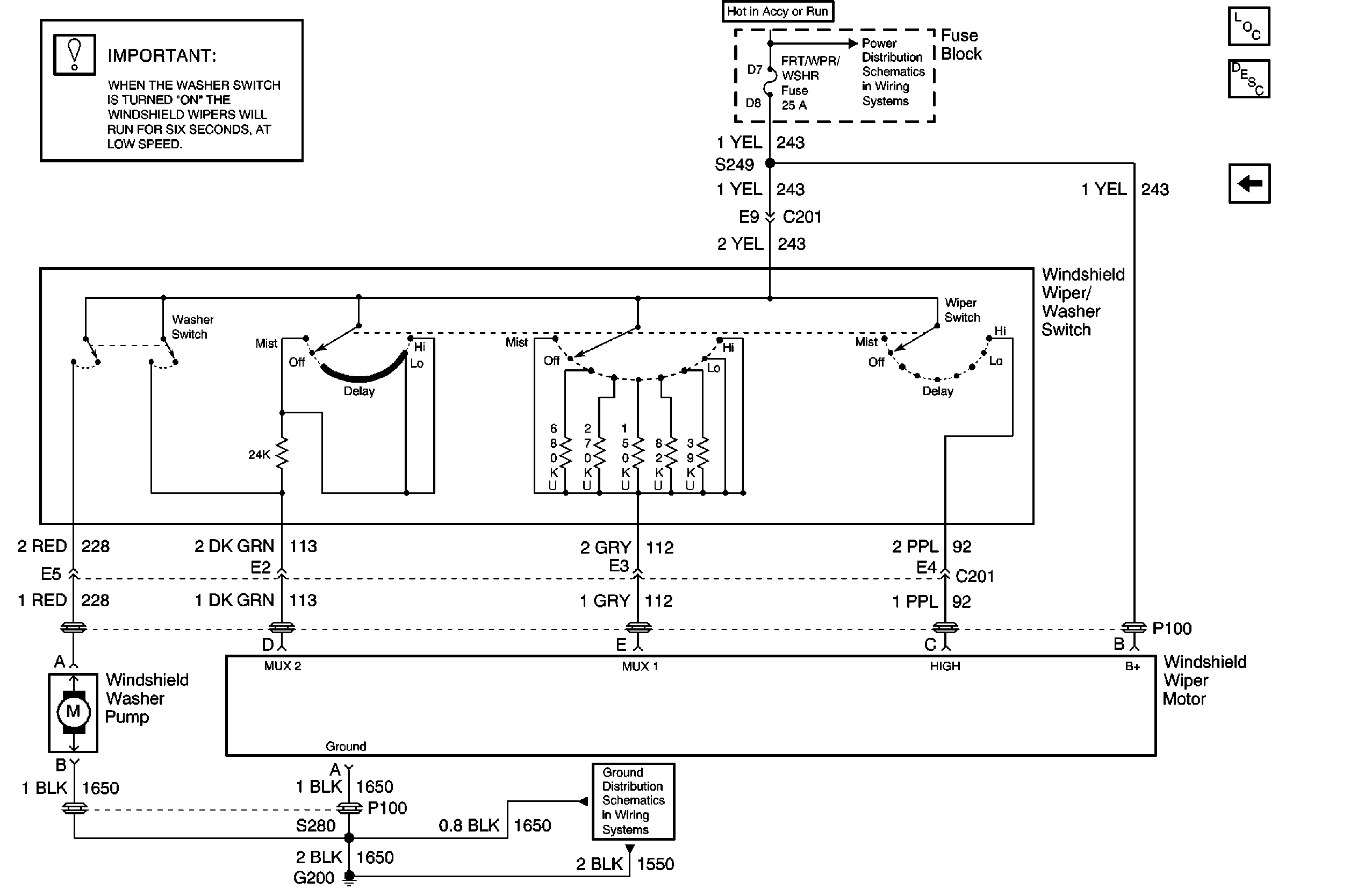
🢒 Wiper/Washer System (Pulse) Schematics
Cell 91
Wiper/Washer System Components
Wiper/Washer System Circuit Description
Ignition Switch, IGN Main 2, BCM PRORM, RR WPR/WSHR, MALL/Cluster and FRT/WPR/WSHR Fuses
Cell 14: G200 and G201