GM Service Manual Online
For 1990-2009 cars only
Makes
🢒
Chevrolet
🢒
2000
🢒
Venture Ext.
🢒
Body and Accessories
🢒
Wiring Systems
🢒 Cigar Lighter/Power Outlet Schematics
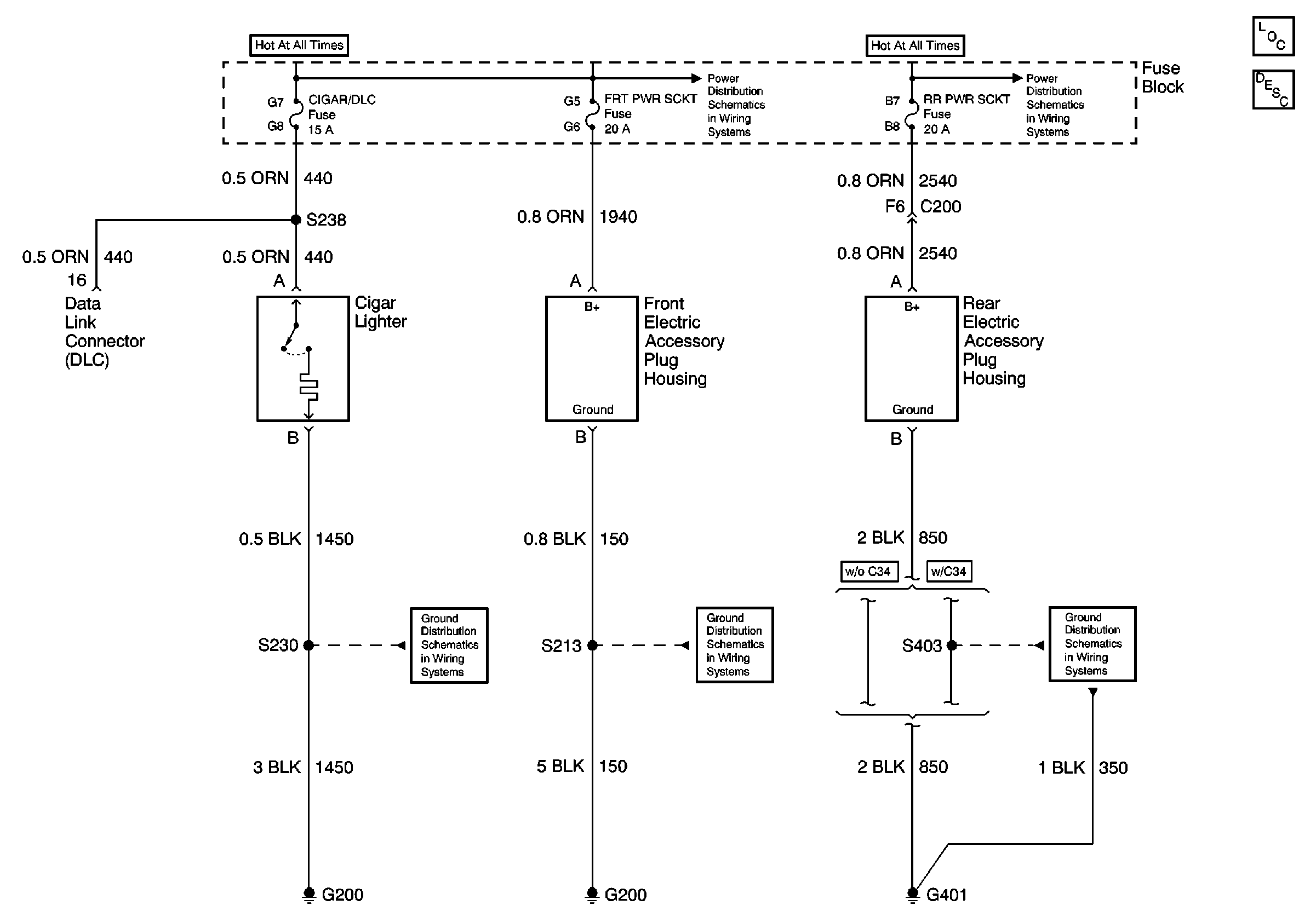
Power and Grounding Components
Cigar Lighter/Auxiliary Outlet Circuit Description
Cluster BATT, RR PWR SCKT, PWR Lock, Rap Relay, CTSY Lamp, FRT PWR SCKT, Cigar/DLC and PWR Mirror Fuses
Cluster BATT, RR PWR SCKT, PWR Lock, Rap Relay, CTSY Lamp, FRT PWR SCKT, Cigar/DLC and PWR Mirror Fuses
Cell 14: G200
Cell 14: G200
Cell 14: G401 and G402