GM Service Manual Online
For 1990-2009 cars only
Makes
🢒
Chevrolet
🢒
2000
🢒
Venture Ext.
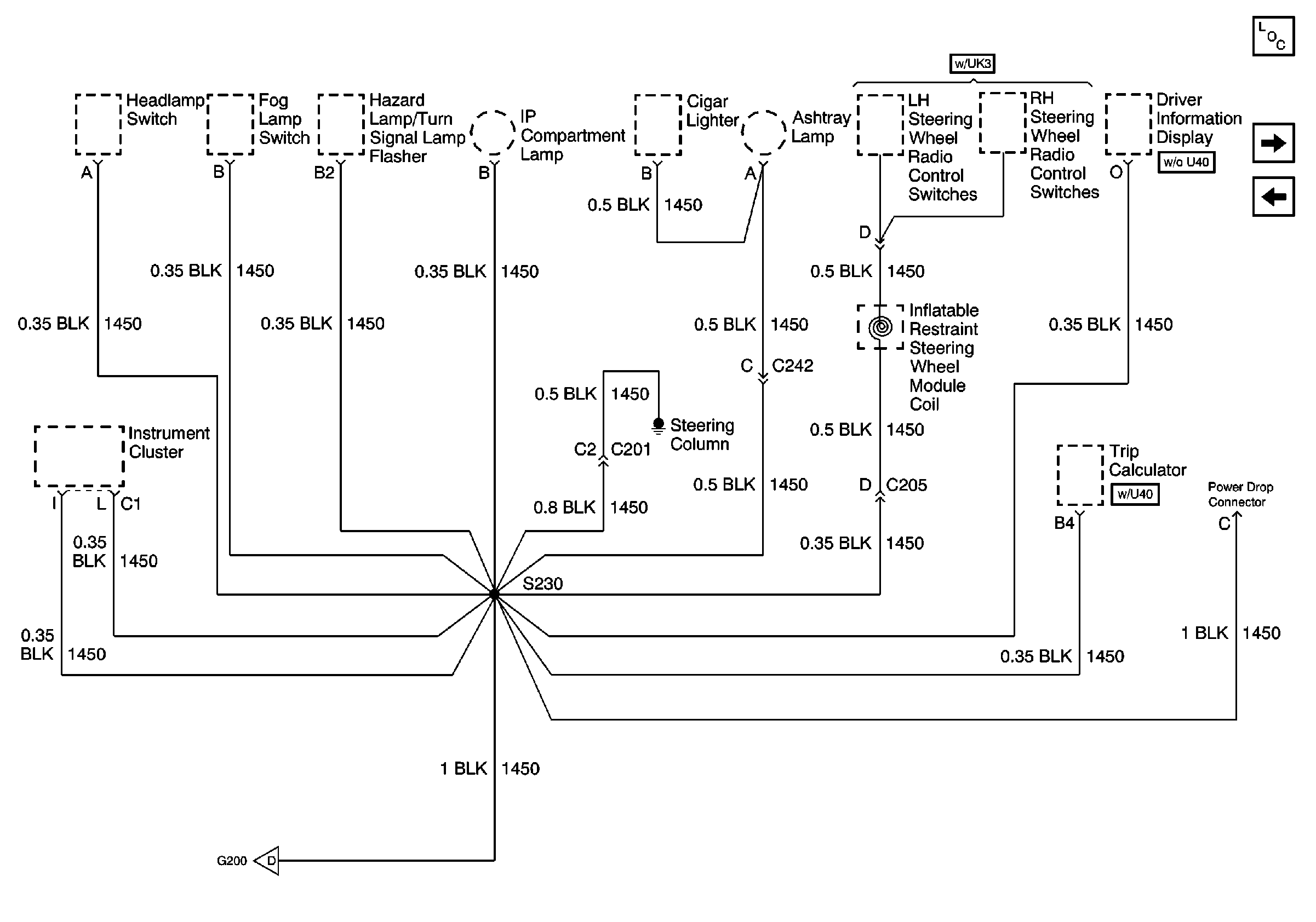
🢒 G200 (2 of 4)
G200 (2 of 4)
G200 (2 of 4)
G200 (1 of 4)
Power and Grounding Components
G200 (3 of 4)
G200 (1 of 4)