GM Service Manual Online
For 1990-2009 cars only
Makes
🢒
Chevrolet
🢒
2000
🢒
Venture Ext.
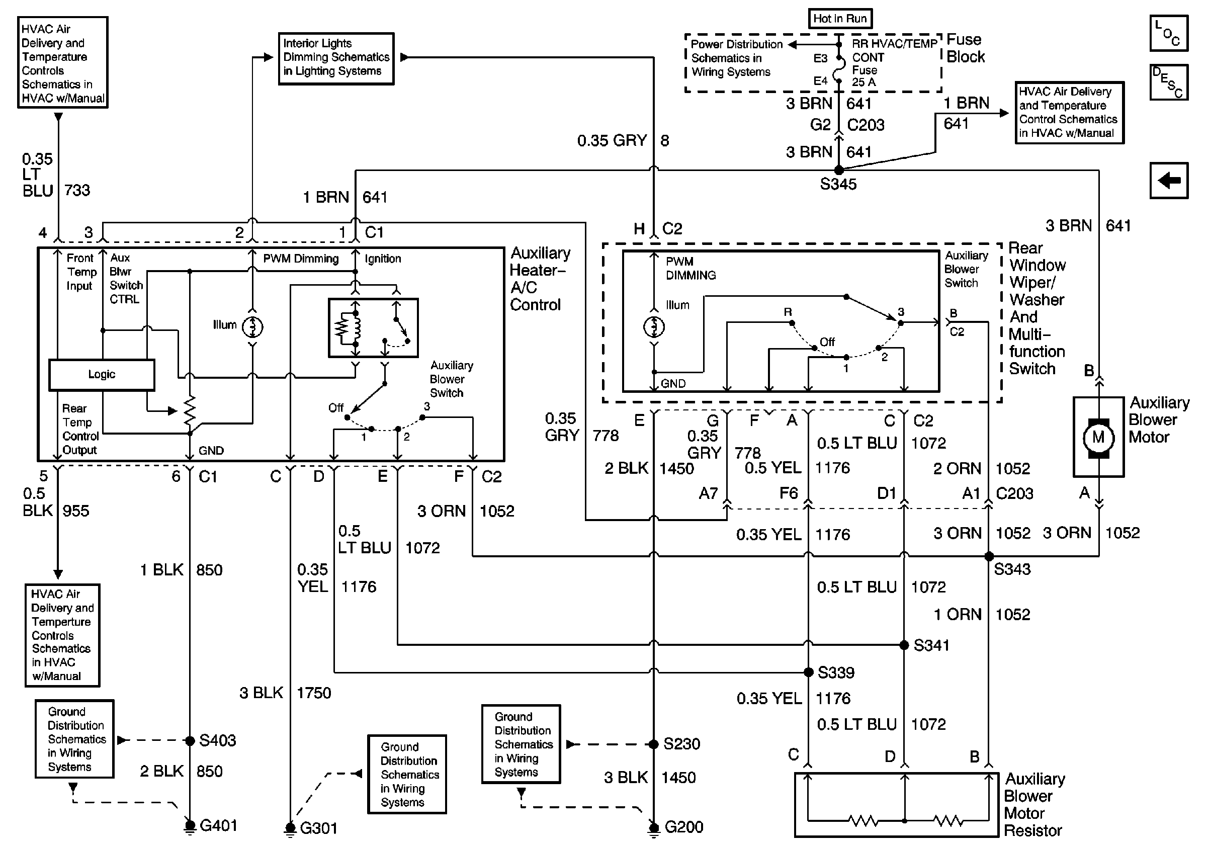
🢒 Rear Blower Controls
Rear Blower Controls
Rear Blower Controls
HVAC Components
HVAC Blower Controls Circuit Description
Front Blower Controls
Rear Air Delivery
Rear Air Delivery
Rear Air Delivery
Interior Lights Dimming Schematics (Cell 117: Rear Window Wiper/Washer and Multifunction Switch, Window Switches, Door Lock Switches)
HVAC/DIC/DRL/Heated Seat, HVAC Blower and RR HVAC/TEMP CONT Fuses
Cell 14: G401
Cell 14: G301
Cell 14: G200