GM Service Manual Online
For 1990-2009 cars only
Figure 1:

Module Power, Ground, Serial Data, and MIL


Object Number: 769261  Size: FS
Master Electrical Component List
Powertrain Control Module Description
5 Volt and Low Reference Bussing
OBD II Symbol Description Notice
RAP RELAY, Underhood Accessory Wiring Junction Block, ECM SENSE, B/U LAMP, ALT/SENSE, AIR fuses
IGN1, SDM, T/SIG, CRUISE, PCM PASSKEY/CLUSTER fuses
IGN1, SDM, T/SIG, CRUISE, PCM PASSKEY/CLUSTER fuses
IGN1, SDM, T/SIG, CRUISE, PCM PASSKEY/CLUSTER fuses
IGN1, SDM, T/SIG, CRUISE, PCM PASSKEY/CLUSTER fuses
Class 2 Telltales
G100, G111, G113
Data Link Connector (DLC)
Figure 2:

Engine Data Sensors - 5 Volt and Low Reference


Object Number: 795756  Size: FS
Master Electrical Component List
Powertrain Control Module Description
Engine Data Sensors Figure
Power, Ground, MIL, DLC Figure
OBD II Symbol Description Notice
Coolant Fans Figure
Figure 3:

Engine Data Sensors - Pressure and Temperature


Object Number: 769265  Size: FS
Master Electrical Component List
Powertrain Control Module Description
Engine Data Sensors Figure
5 Volt and Low Reference Bussing
OBD II Symbol Description Notice
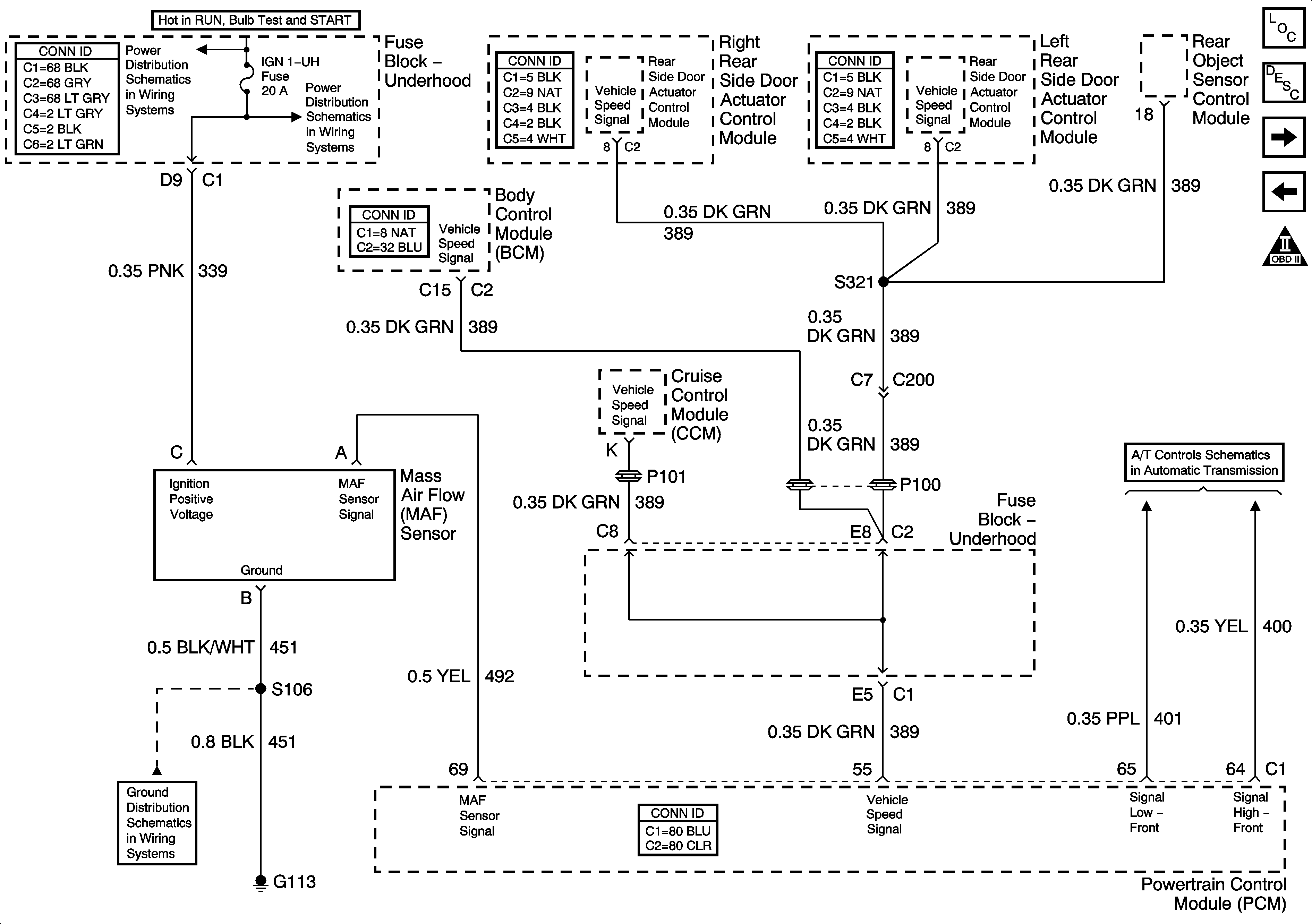
Figure 4:

Engine Data Sensors - MAF and VSS


Object Number: 769274  Size: FS
Master Electrical Component List
Powertrain Control Module Description
Ignition System, Knock Sensor
Engine Data Sensors Figure
OBD II Symbol Description Notice
Underhood Accessory Wiring Junction Block, IGN 1-U/H fuse
Underhood Accessory Wiring Junction Block, IGN 1-U/H fuse
G100, G111, G113
PCM Power, VSS
Figure 5:

Engine Data Sensors - HO2S


Object Number: 769269  Size: FS
Master Electrical Component List
Powertrain Control Module Description
VSS Figure
Engine Data Sensors Figure
OBD II Symbol Description Notice
Underhood Accessory Wiring Junction Block, IGN 1-U/H fuse
G114, G117
Figure 6:

Ignition Controls - Ignition System and Sensors


Object Number: 769262  Size: FS
Master Electrical Component List
Powertrain Control Module Description
Fuel Control Figure
VSS Figure
OBD II Symbol Description Notice
Engine Controls Schematic Icons
Figure 7:

Fuel Controls - Fuel Pump Controls


Object Number: 769263  Size: FS
Master Electrical Component List
Powertrain Control Module Description
Engine Data Sensors Figure
Ignition System, Knock Sensor
OBD II Symbol Description Notice
Coolant Fans Figure
Sensors and Switches Schematics
Underhood Accessory Wiring Junction Block
G100, G111, G113
Sensors and Switches Schematics
G210, G301
G100, G111, G113
Figure 8:

Fuel Controls - EVAP Controls


Object Number: 769268  Size: FS
Master Electrical Component List
Powertrain Control Module Description
Fuel Injectors Figure
Fuel Control Figure
OBD II Symbol Description Notice
Underhood Accessory Wiring Junction Block, IGN 1-U/H fuse
Underhood Accessory Wiring Junction Block, IGN 1-U/H fuse
IGN, Main1, PCM/ABS, CAN VENT SOL, DRL, PCM/CRANK fuses
Rear Axle Controls Schematic
Figure 9:

Fuel Control - Fuel Injectors


Object Number: 769264  Size: FS
Master Electrical Component List
Powertrain Control Module Description
Device Controls
Engine Data Sensors Figure
OBD II Symbol Description Notice
INJ fuse and Fuel Injectors
Figure 10:

Device Controls


Object Number: 769270  Size: FS
Master Electrical Component List
Powertrain Control Module Description
Coolant Fans Figure
Fuel Injectors Figure
OBD II Symbol Description Notice
RAP RELAY, Underhood Accessory Wiring Junction Block, ECM SENSE, B/U LAMP, ALT/SENSE, AIR fuses
Underhood Accessory Wiring Junction Block, IGN 1-U/H fuse
Underhood Accessory Wiring Junction Block, IGN 1-U/H fuse
Figure 11:

Controlled/Monitored Subsystem References


Object Number: 769273  Size: FS
Master Electrical Component List
Powertrain Control Module Description
Automatic Transmission Figure
Device Controls
OBD II Symbol Description Notice
HVAC Compressor Control
Cooling Fans
Charging
HVAC Compressor Control
Cruise Control
Sensors and Switches Schematics
EBCM, PCM and Stoplamp Switch
Figure 12:

Transmission Controls - 1 of 2


Object Number: 769278  Size: FS
Master Electrical Component List
Powertrain Control Module Description
Transmission Range Switch Figure
Coolant Fans Figure
Engine Controls Schematic Icons
Underhood Accessory Wiring Junction Block, TCC, ELEK IGN fuses
Automatic Transmission TCC Switch
Automatic Transmission TCC Switch
Rear Axle Controls Schematic
Figure 13:

Transmission Controls - 2 of 2


Object Number: 769279  Size: FS
Master Electrical Component List
Powertrain Control Module Description
Automatic Transmission Figure
Engine Controls Schematic Icons
IGN, Main1, PCM/ABS, CAN VENT SOL, DRL, PCM/CRANK fuses
Automatic Transmission TCC Switch
IGN, Main1, PCM/ABS, CAN VENT SOL, DRL, PCM/CRANK fuses
Starting
PCM Power, VSS
IGN, Main1, PCM/ABS, CAN VENT SOL, DRL, PCM/CRANK fuses
Starting