GM Service Manual Online
For 1990-2009 cars only

Headlights/Daytime Running Lights (DRL) Schematics Domestic

Figure 1:

Park Brake Indicator Switch and DRL Ambient Light Sensor


Object Number: 696697  Size: FS
Master Electrical Component List
Exterior Lighting Systems Description and Operation
Headlamp and I/P Lamp Dimmer Switch
Hydraulic Brakes Warning System Schematics
DRL/HVAC/TEMP/HTD ST, HVAC BLOWER and RR HVAC/TEMP CONT Fuses
DRL/HVAC/TEMP/HTD ST, HVAC BLOWER and RR HVAC/TEMP CONT Fuses
IGN Main 1, PCM/ABS, CAN VENT SOL, DRL and PCM/CRANK Fuses
Marker, Front Park, and Rear Turn Signals Lamps, and Turn Indicators
G200, Page 1 of 3
Front Turn Signal Lamps
Marker, Front Park, and Rear Turn Signals Lamps, and Turn Indicators
G101 and G102
Figure 2:

Headlamp and I/P Lamp Dimmer Switch


Object Number: 696729  Size: FS
Master Electrical Component List
Exterior Lighting Systems Description and Operation
Headlamps
Park Brake Indicator Switch and DRL Ambient Light Sensor
EBCM, BATT Main 1, RADIO and PARK LP Fuses
EBCM, BATT Main 1, RADIO and PARK LP Fuses
Headlamps
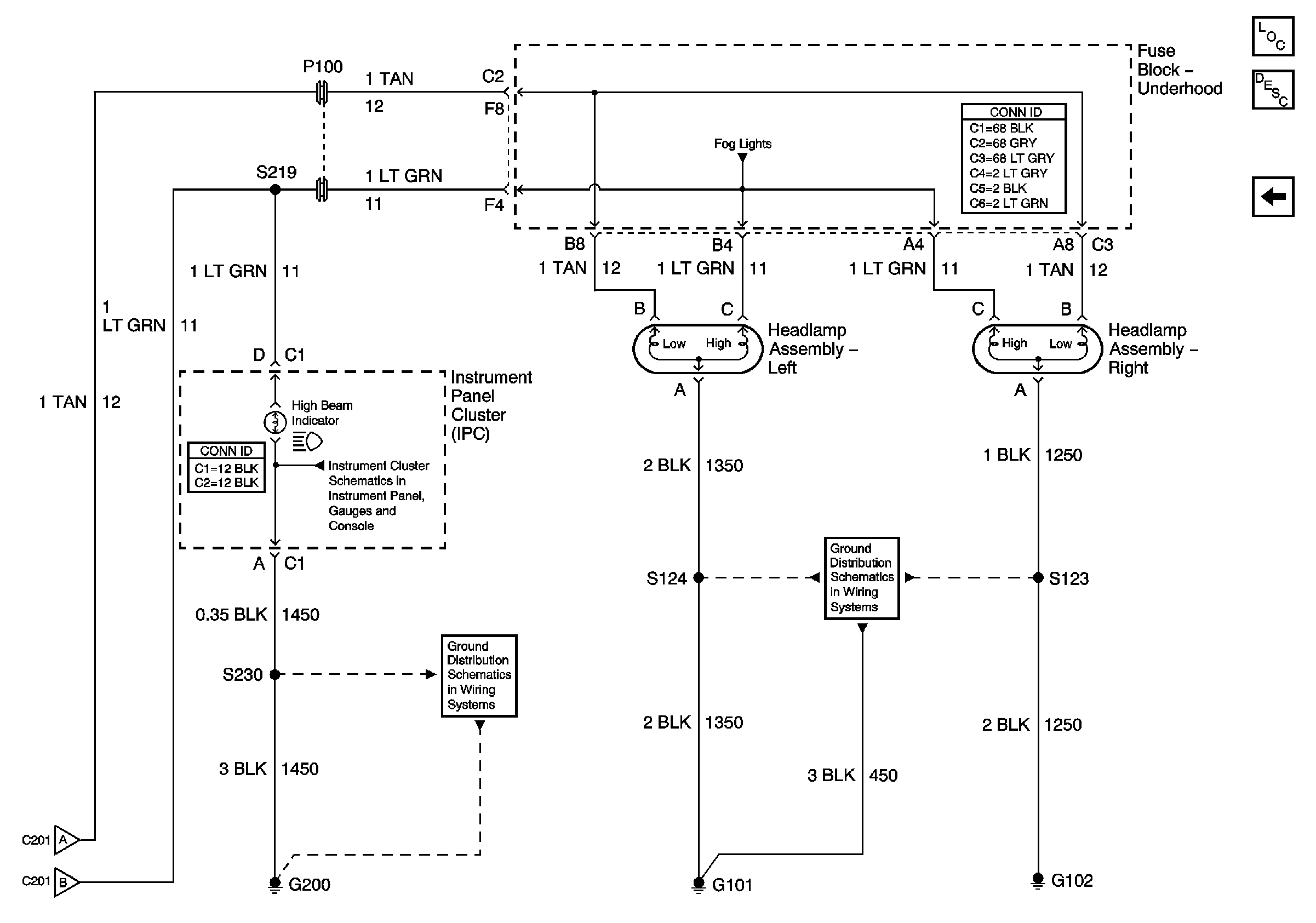
Figure 3:

Headlamps


Object Number: 696960  Size: FS
Master Electrical Component List
Exterior Lighting Systems Description and Operation
Headlamp and I/P Lamp Dimmer Switch
Headlamp and I/P Lamp Dimmer Switch
Class 2 Telltales
G200, Page 1 of 3
Fog Lights
G101 and G102

Headlights/Daytime Running Lights (DRL) Schematics Export

Figure 1:

DRL/Headlamp and I/P Lamp Dimmer Switch - Export


Object Number: 696732  Size: FS
Master Electrical Component List
Exterior Lighting Systems Description and Operation
Daytime Running Lamp Control Module
DRL/HVAC/TEMP/HTD ST, HVAC BLOWER and RR HVAC/TEMP CONT Fuses
DRL/HVAC/TEMP/HTD ST, HVAC BLOWER and RR HVAC/TEMP CONT Fuses
Class 2 Telltales
G200, Page 1 of 3
Rear Fog Lights, Page 1 of 2
Daytime Running Lamp Control Module
Daytime Running Lamp Control Module
Headlights
Headlights
Daytime Running Lamp Control Module
Daytime Running Lamp Control Module
Figure 2:

Daytime Running Lamps Control Module


Object Number: 857878  Size: FS
Master Electrical Component List
Exterior Lighting Systems Description and Operation
Headlights
DRL Headlamp and Headlamp Dimmer Switch - Export
IGN Main 1, PCM/ABS, CAN VENT SOL, DRL and PCM/CRANK Fuses
EBCM, BATT Main 1, RADIO and PARK LP Fuses
Front Turn Signal Lamps
DRL Headlamp and Headlamp Dimmer Switch - Export
DRL Headlamp and Headlamp Dimmer Switch - Export
DRL Headlamp and Headlamp Dimmer Switch - Export
DRL Headlamp and Headlamp Dimmer Switch - Export
G200, Page 1 of 3
G200, Page 1 of 3
Figure 3:

Headlights


Object Number: 696739  Size: FS
Master Electrical Component List
Exterior Lighting Systems Description and Operation
Daytime Running Lamp Control Module
DRL Headlamp and Headlamp Dimmer Switch - Export
DRL Headlamp and Headlamp Dimmer Switch - Export
G101 and G102