GM Service Manual Online
For 1990-2009 cars only
Makes
🢒
Chevrolet
🢒
2005
🢒
Vivant
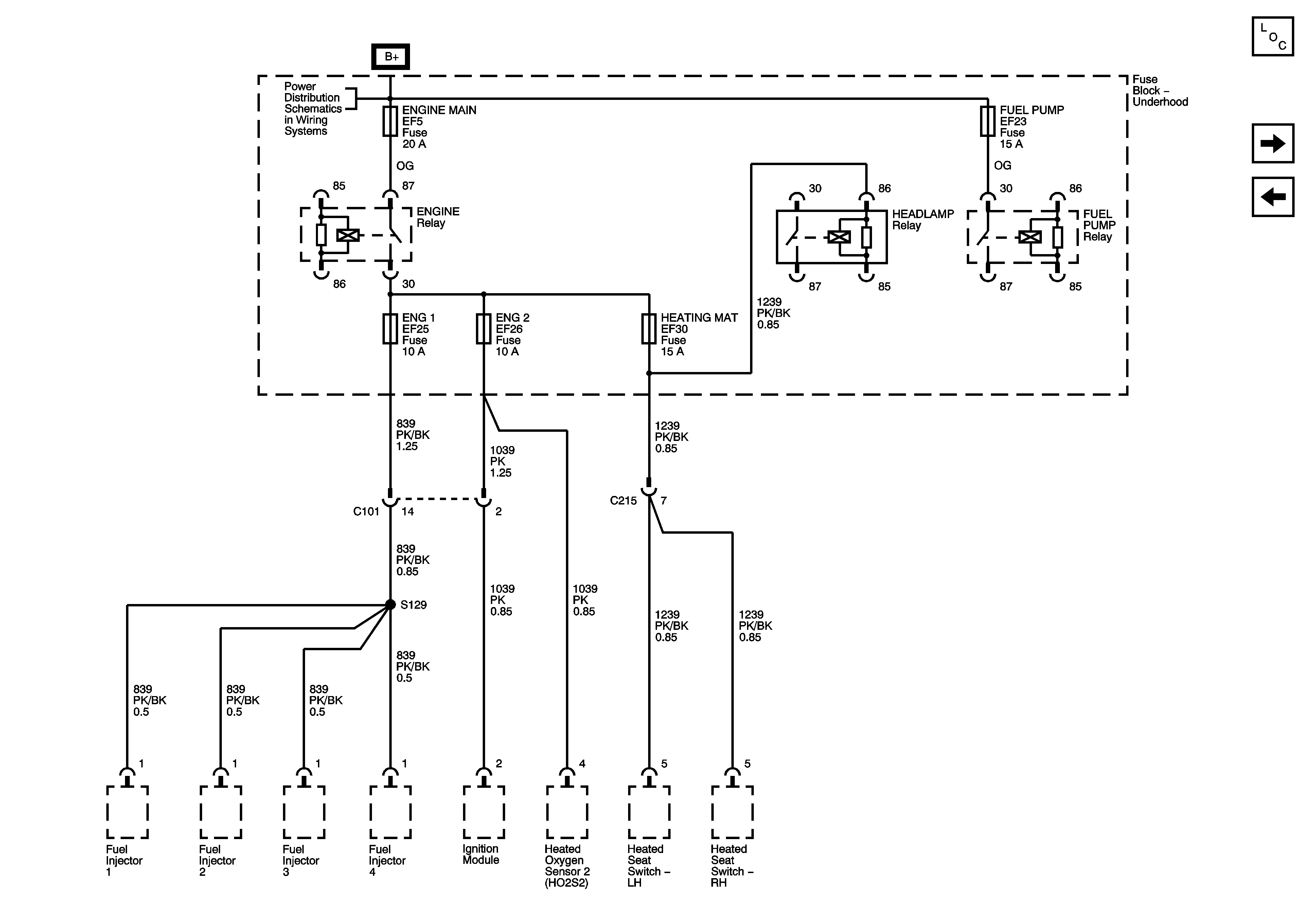
🢒 ENGINE MAIN and FUEL PUMP Fuses (MR-140)
ENGINE MAIN and FUEL PUMP Fuses (MR-140)
ENGINE MAIN and FUEL PUMP Fuses (MR-140)
Master Electrical Component List
ENGINE MAIN and FUEL PUMP Fuses (ITMS)
BLOWER MOTOR, POWER WINDOW, and REAR DEFOGGER Fuses