GM Service Manual Online
For 1990-2009 cars only
Makes
🢒
Chevrolet
🢒
2006
🢒
Vivant
🢒
Body
🢒
Roof
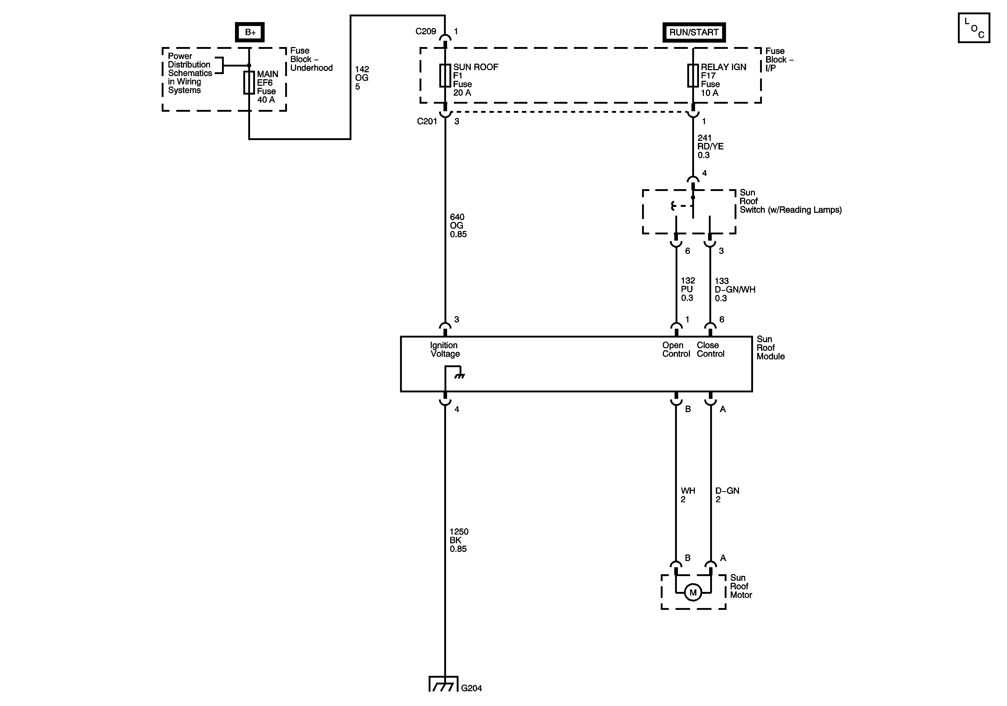
🢒 Sunroof Schematics
Master Electrical Component List
MAIN Fuse (LHD)