GM Service Manual Online
For 1990-2009 cars only
Makes
🢒
Chevrolet
🢒
2008
🢒
Vivant
🢒
Body Systems
🢒
Vehicle Access
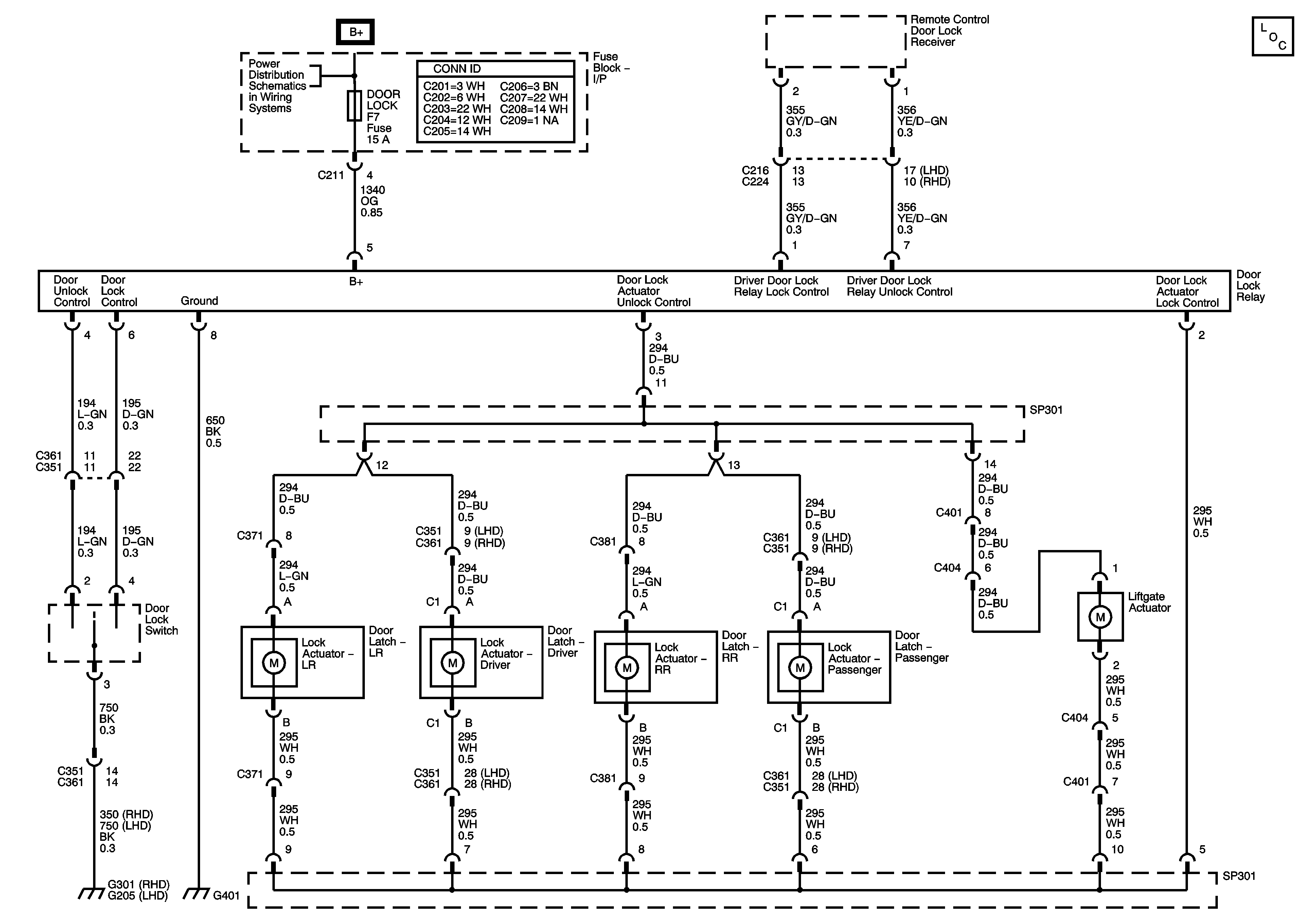
🢒 Door Lock/Indicator Schematics
Master Electrical Component List
Fuse Block - Underhood B+ Bus, 1 of 2