GM Service Manual Online
For 1990-2009 cars only
Makes
🢒
Chevrolet
🢒
2008
🢒
Vivant
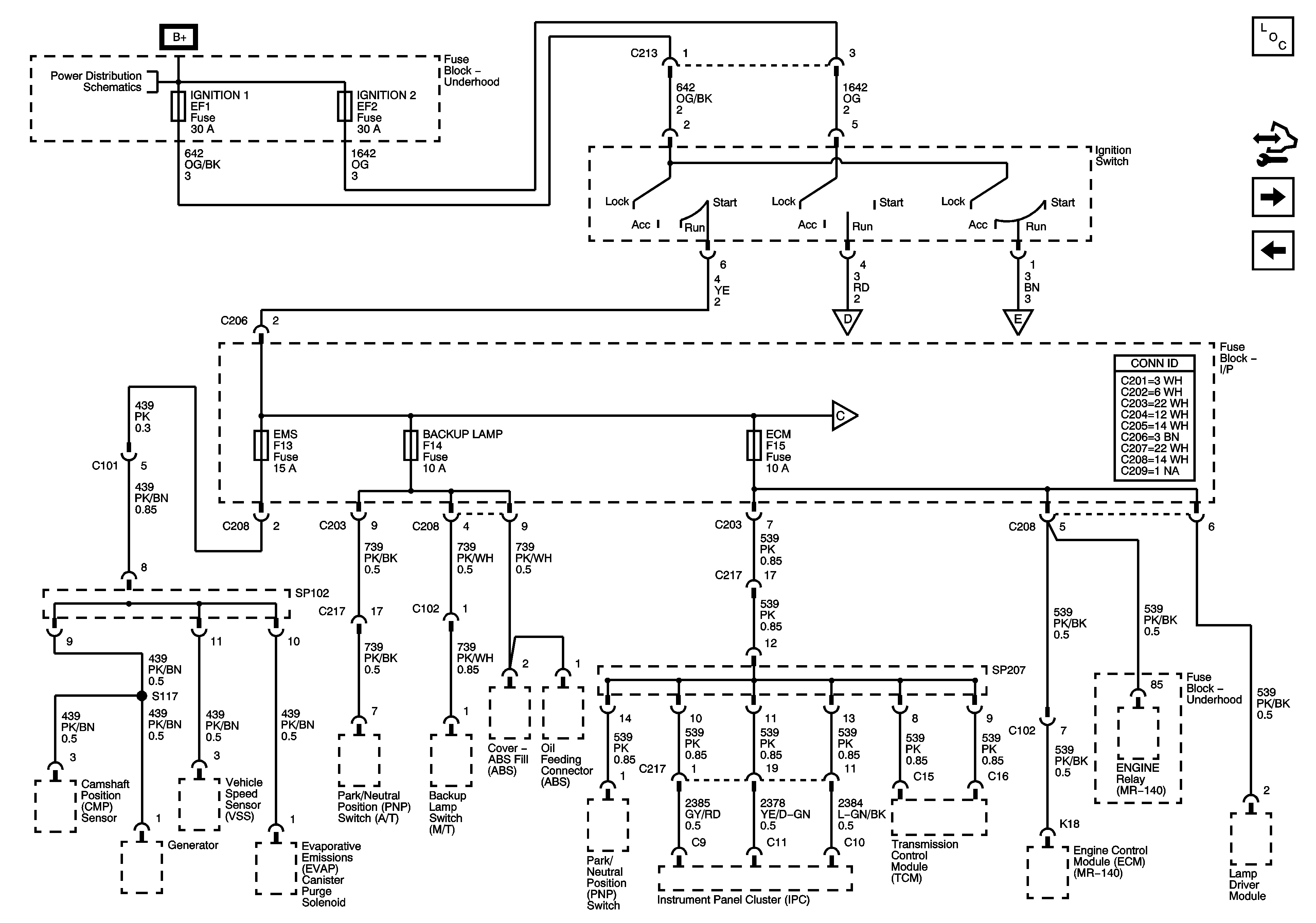
🢒 Fuse Block - Underhood IGNITION 1, IGNITION 2 Fuses, Ignition Switch (MR-140)
Fuse Block - Underhood IGNITION 1, IGNITION 2 Fuses, Ignition Switch (MR-140)
Fuse Block - Underhood IGNITION 1, IGNITION 2 Fuses and Ignition Switch (MR-140)