GM Service Manual Online
For 1990-2009 cars only
Makes
🢒
Daewoo
🢒
2009
🢒
G2X
🢒
Diagnostic Navigation
🢒
Vehicle Diagnostic Information
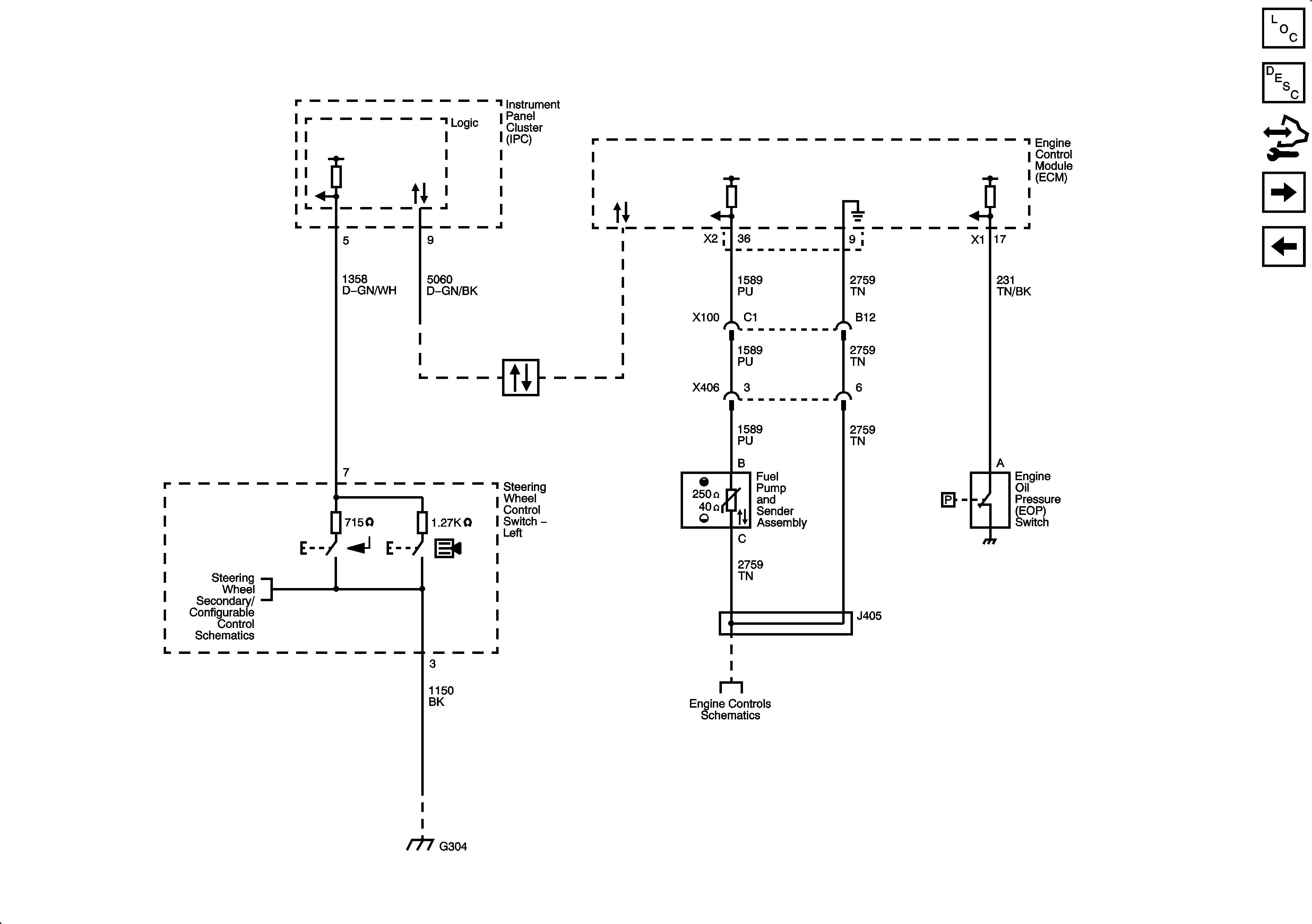
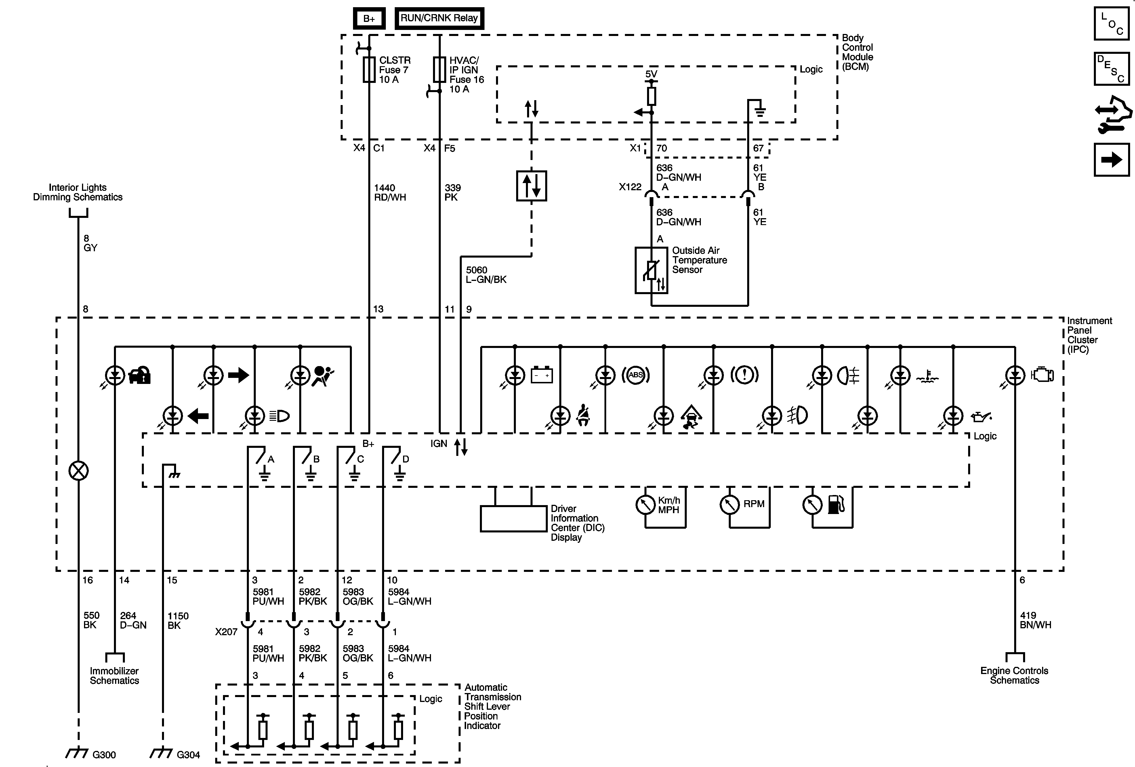
🢒 Instrument Cluster Schematics
Figure
1:
Instrument Cluster
Figure
2:
Sensors and Switches