GM Service Manual Online
For 1990-2009 cars only
Makes
🢒
Daewoo
🢒
2009
🢒
G2X
🢒
Diagnostic Navigation
🢒
Vehicle Diagnostic Information
🢒 Exterior Lights Schematics
Figure
1:
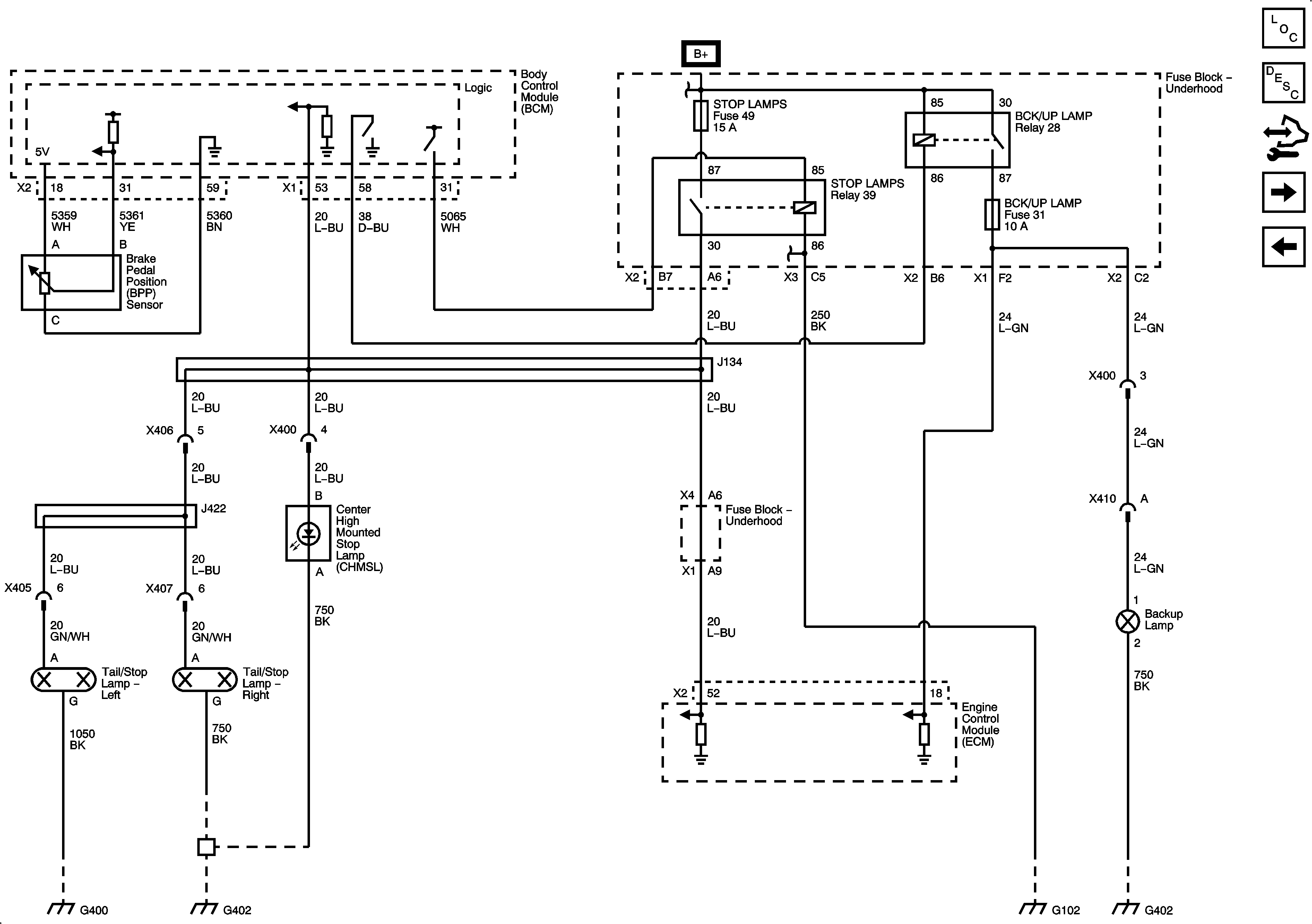
Backup and Stop Lamps
Figure
2:
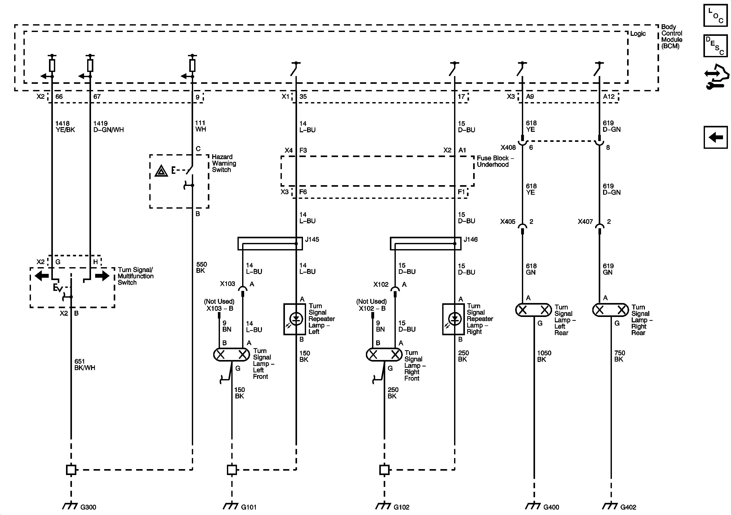
Turn Signals and Hazard Lamps
Figure
3:
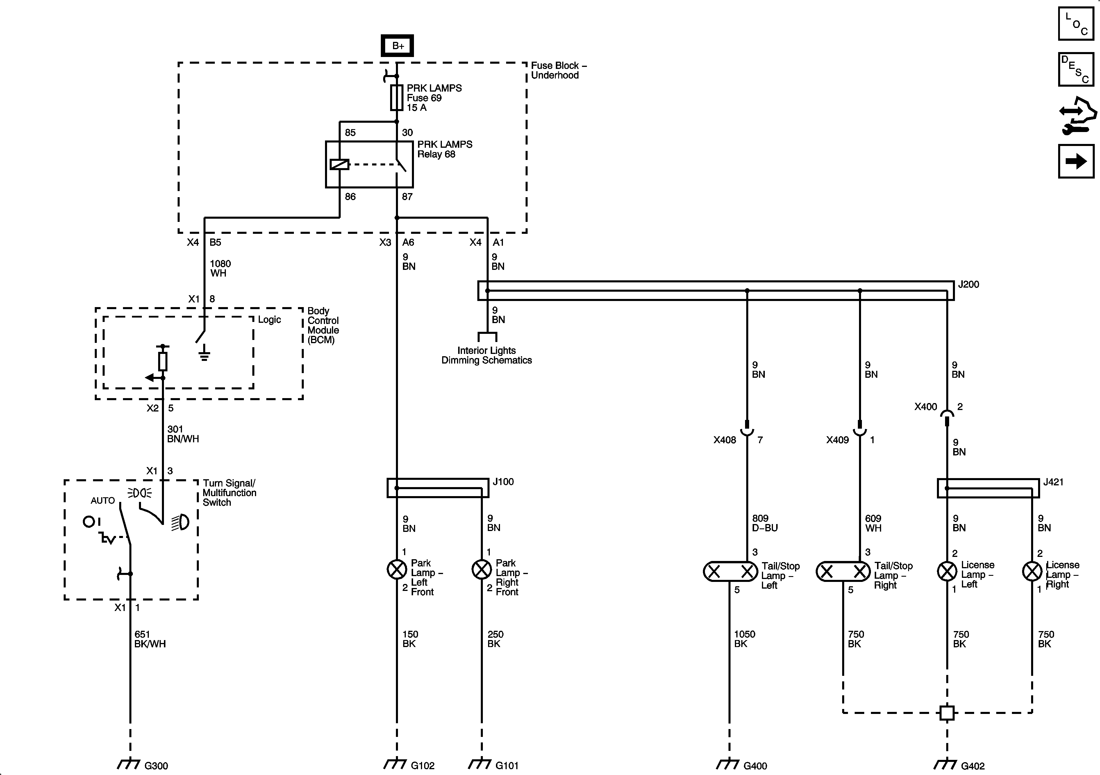
Park Lamps