GM Service Manual Online
For 1990-2009 cars only
Makes
🢒
Daewoo
🢒
2009
🢒
G2X
🢒
Body Systems
🢒
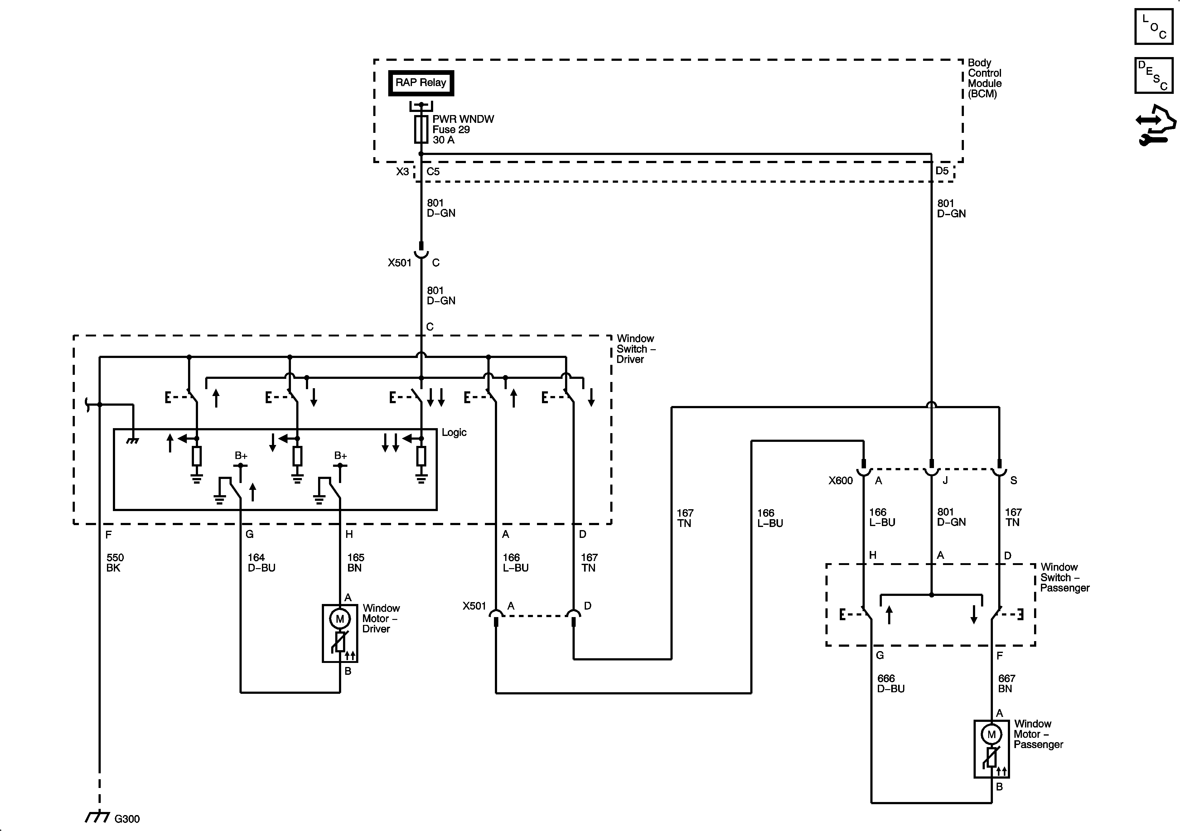
Fixed and Moveable Windows
🢒 Moveable Window Schematics