GM Service Manual Online
For 1990-2009 cars only
Figure 1:

Module Power, Ground, Data Communication, MIL and Brake Applied Signal


Object Number: 1882878  Size: FS
Master Electrical Component List
Electronic Component Description
Control Module References
Pressure Controls and Shift Controls
Figure 2:

Pressure Controls and Shift Controls


Object Number: 1882887  Size: FS
Master Electrical Component List
Electronic Component Description
Control Module References
ISS, OSS, TFP, and TFT
Module Power, Ground, Data Communication, MIL and Brake Applied Signal
Figure 3:

ISS, OSS, TFP, and TFT


Object Number: 1882907  Size: FS
Master Electrical Component List
Electronic Component Description
Control Module References
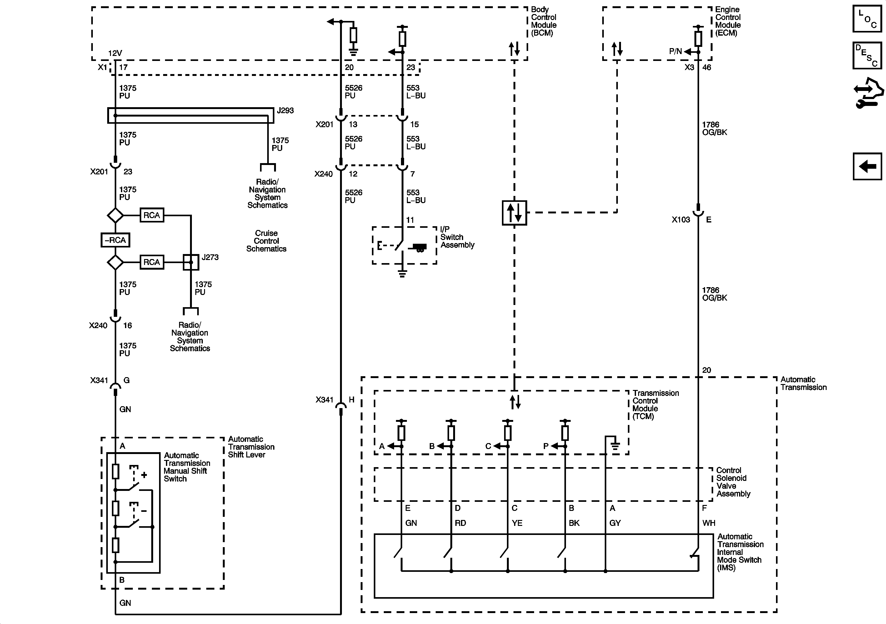
IMS and Tap Up/Tap Down
Pressure Controls and Shift Controls
Figure 4:

IMS and Tap Up/Tap Down


Object Number: 1882911  Size: FS
Master Electrical Component List
Electronic Component Description
Control Module References
ISS, OSS, TFP, and TFT