GM Service Manual Online
For 1990-2009 cars only
Makes
🢒
GMC_Truck
🢒
2008
🢒
Acadia - 2WD
🢒
Diagnostic Navigation
🢒
Vehicle Diagnostic Information
🢒 Liftgate Schematics
Figure
1:
Module Power, Ground, Data Communication, Indicator, I/P Switch, and Liftgate Motor
Master Electrical Component List
Rear Hatch/Gate Description and Operation
Control Module References
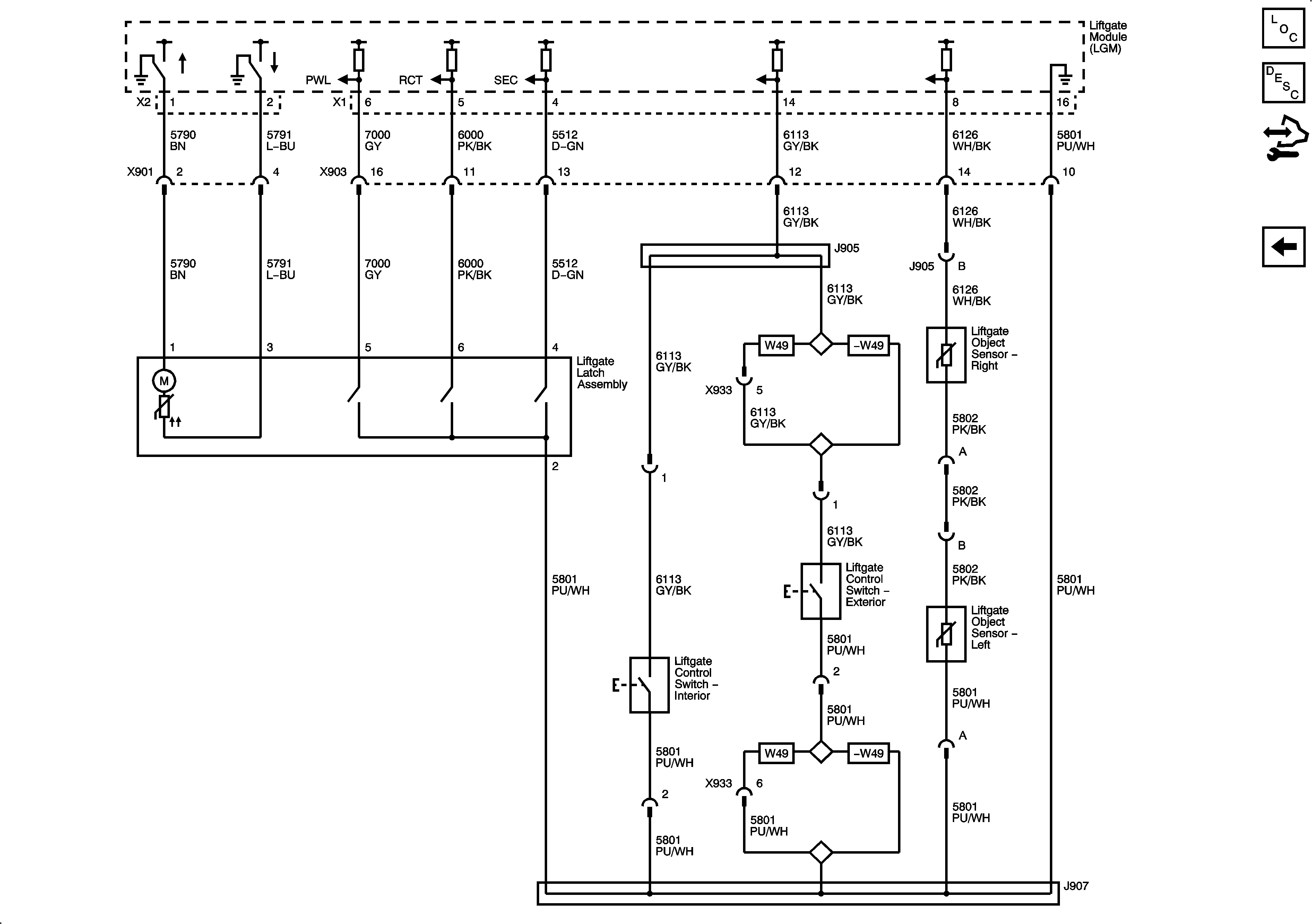
Latch, Object Sensors, and Switches
Figure
2:
Latch, Object Sensors, and Switches
Master Electrical Component List
Rear Hatch/Gate Description and Operation
Control Module References
Module Power, Ground, Data Communication, Indicator, I/P Switch, and Liftgate Motor