GM Service Manual Online
For 1990-2009 cars only
Makes
🢒
GMC_Truck
🢒
2008
🢒
Acadia - 2WD
🢒
Power and Signal Distribution
🢒
Wiring Systems and Power Management
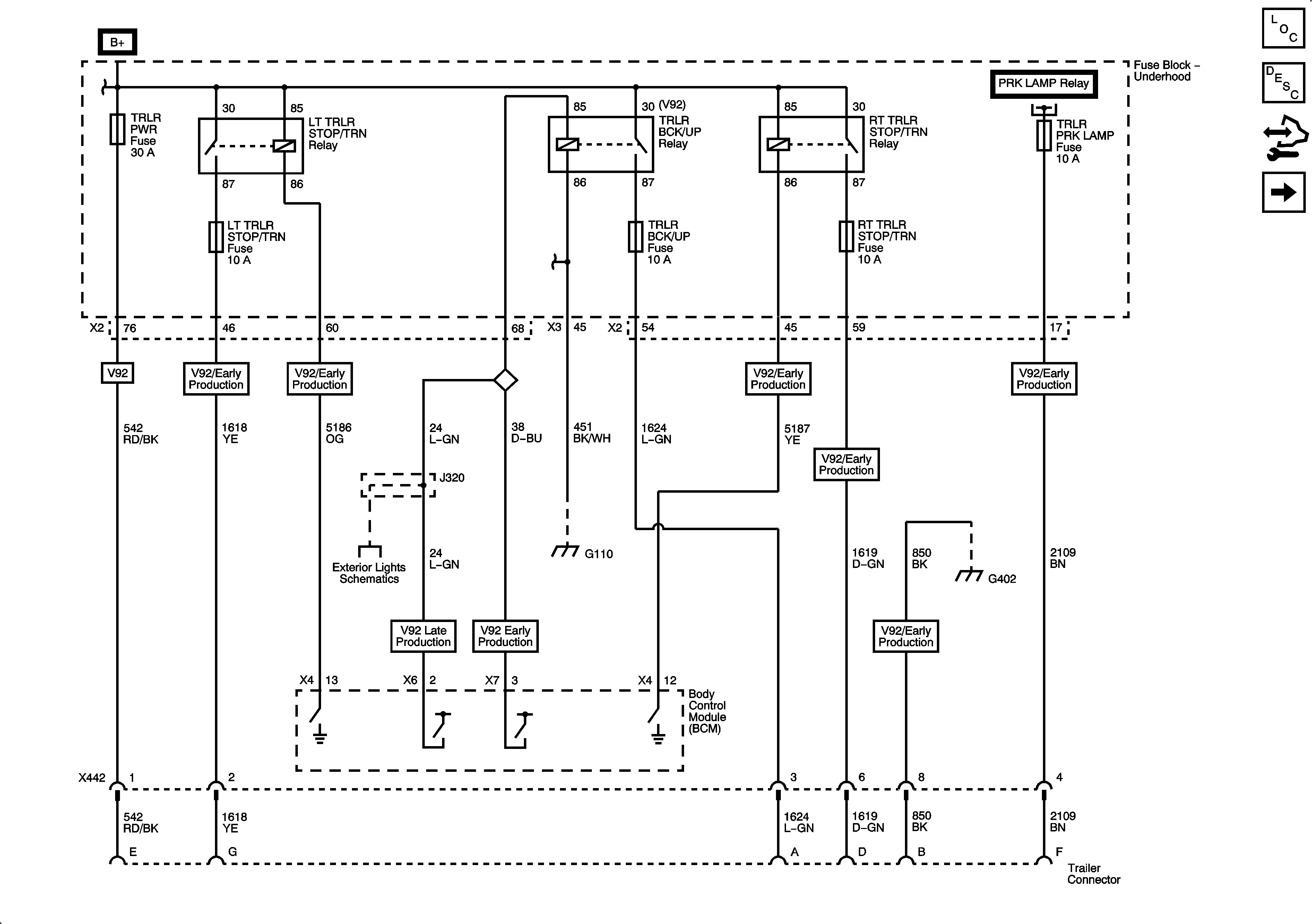
🢒 Trailer Connector/Provision Schematics
Figure
1:
Trailer Connector
Master Electrical Component List
Exterior Lighting Systems Description and Operation
Control Module References
Blunt Cuts with V92
Figure
2:
Blunt Cuts with V92
Master Electrical Component List
Exterior Lighting Systems Description and Operation
Control Module References
Trail Connector