GM Service Manual Online
For 1990-2009 cars only
Figure 1:

Low Beams


Object Number: 2078007  Size: FS
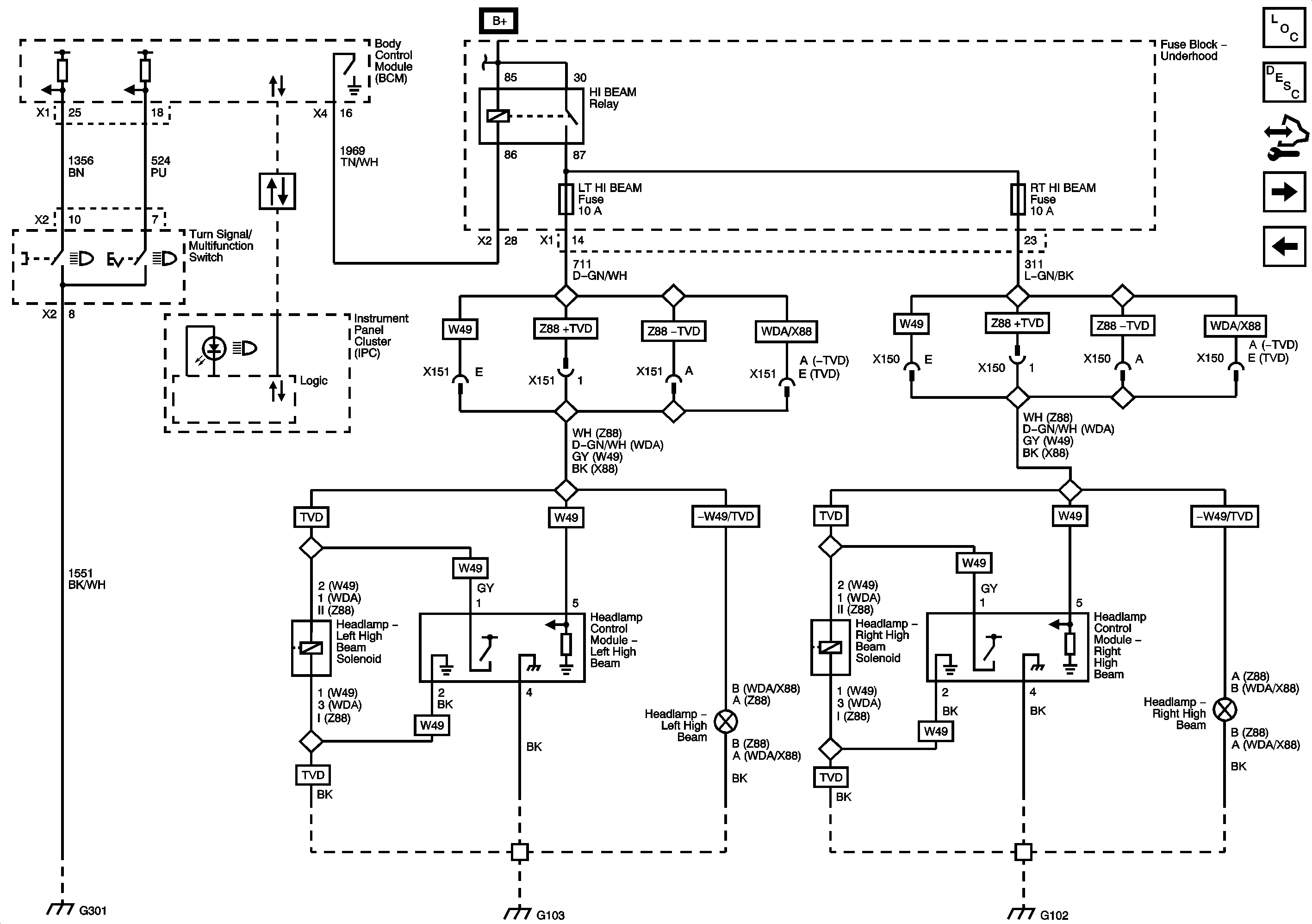
Figure 2:

High Beams - Except TSH


Object Number: 2078014  Size: FS
Figure 3:

High Beams - TSH


Object Number: 2078020  Size: FS
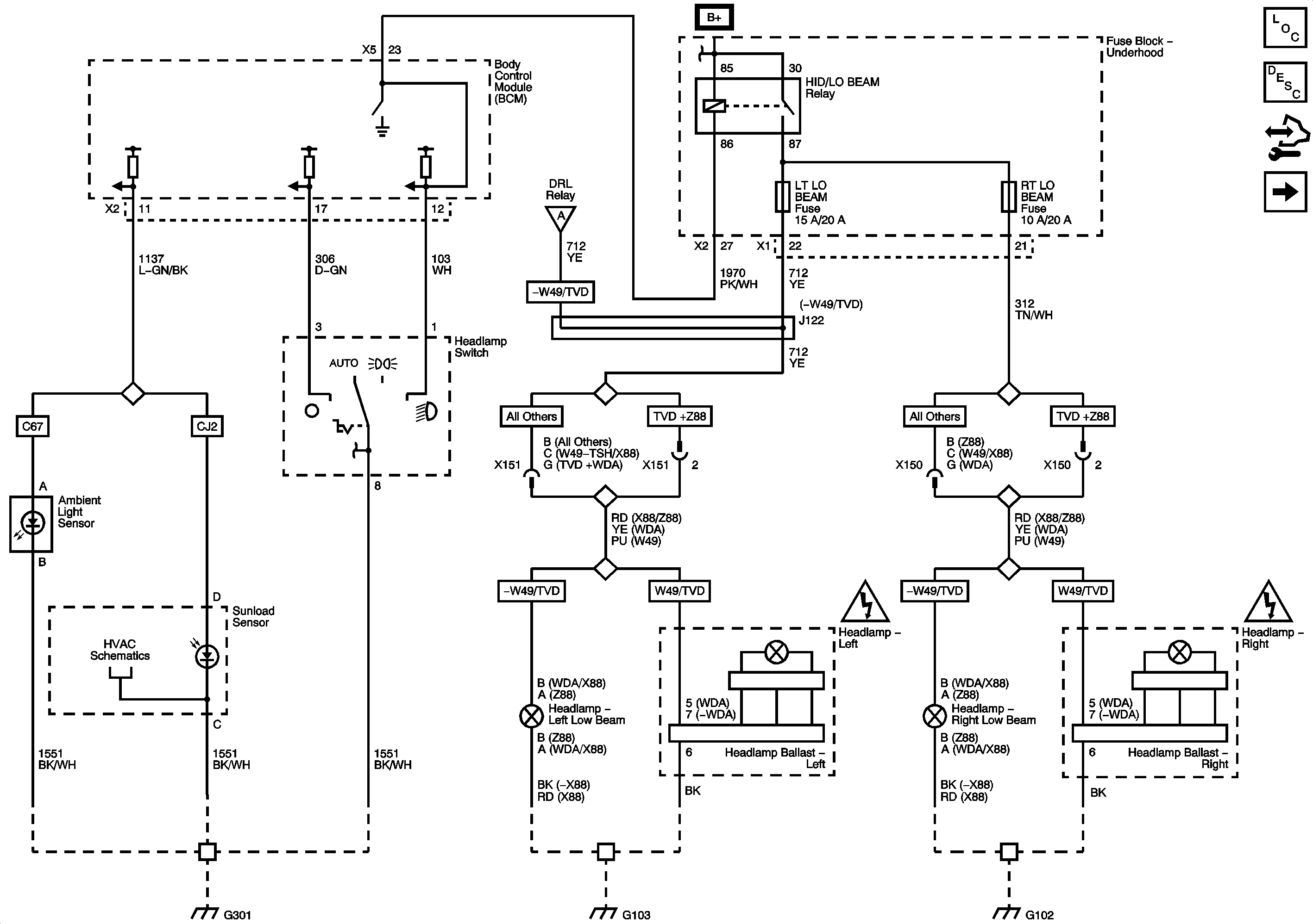
Figure 4:

Daytime Running Lights


Object Number: 2078023  Size: FS
Figure 5:

Adaptive Forward Lighting System - TSH


Object Number: 2078025  Size: FS