| Figure 1: |
B+ Bus 1 of 2
|
| Figure 2: |
B+ Bus 2 of 2
|
| Figure 3: |
AIRBAG, AMP, BATT 1, BCM, CNSTR/VENT, CSTY, DISPLAY, INADV/PWR/LED, INFOTAINMENT, MSM, POWER MOD, and RADIO Fuses
|
| Figure 4: |
BATT 2, BCK/UP/STOP, HTD/SEAT, LT/TRN/SIG, PDM, PWR/MIRRORS, and RT/TRN/SIG Fuses, LT/PWR/SEAT, PWR/COLUMN, and RT/PWR/SEAT Circuit Breakers
|
| Figure 5: |
BATT 3, DRL, DRL 2, DR/LCK, FRT/WSW, HVAC, and REAR WIPER Fuses, PWR/WNDW Circuit Breaker
|
| Figure 6: |
ABS MTR, ABS MTR, AWD, ECM, HTD WASH, HVAC BLWR, PWR L/GATE, PWR OUTLET, RR APO, RR HVAC, S/ROOF/SUNSHADE and TCM Fuses
|
| Figure 7: |
AFS, AUX PWR, HTD MIR, RR DEFOG, RVC SNSR, TRLR BRK and TRLR PWR Fuses
|
| Figure 8: |
Ignition Switch and AIRBAG, PCM IGN, RR CAMERA, and TRANS Fuses
|
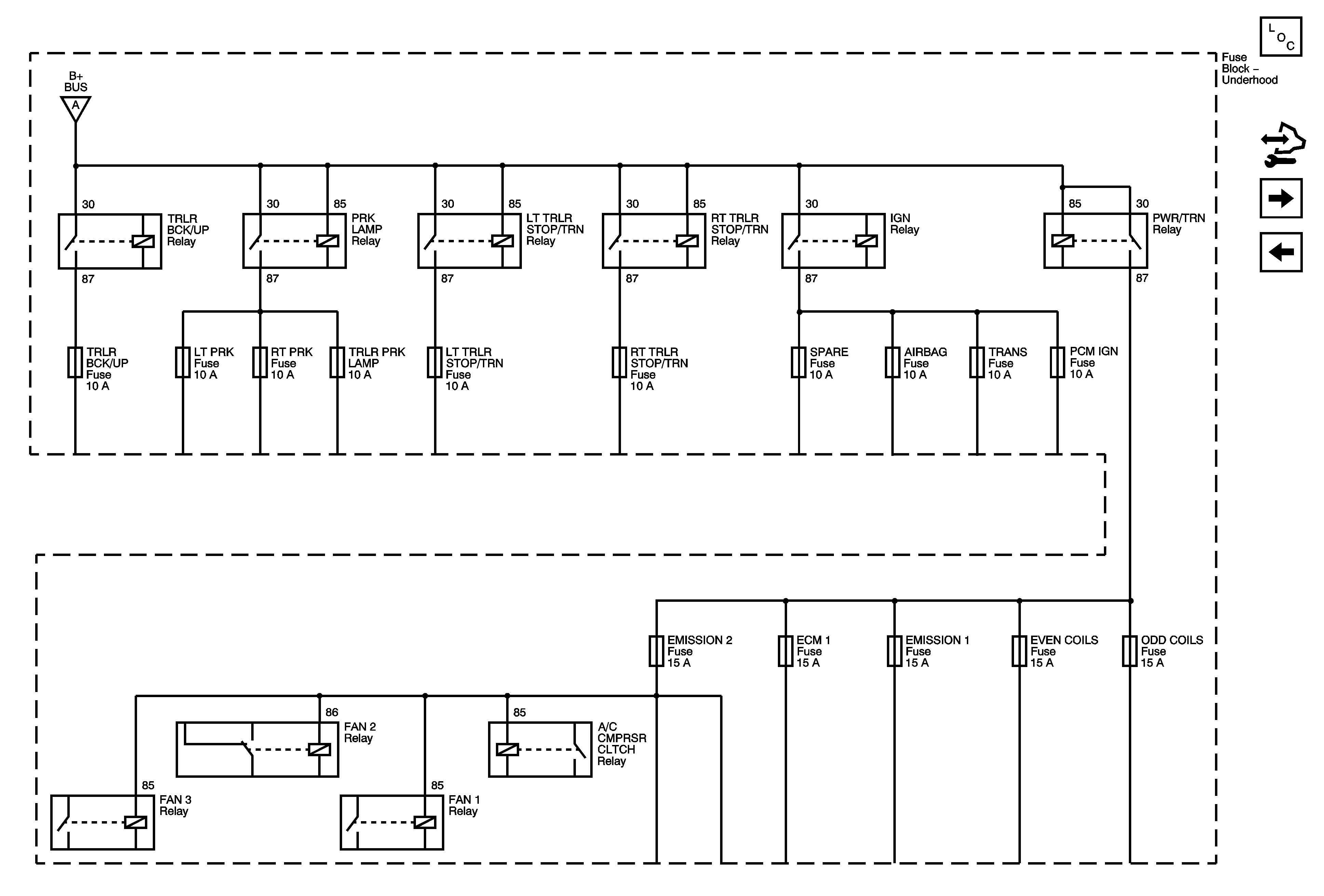
| Figure 9: |
ECM 1, EVEN COILS, and ODD COILS Fuses
|
| Figure 10: |
EMISSION 1 and EMISSION 2 Fuses
|
| Figure 11: |
DRL, DRL 2, LT LO BEAM, and RT LO BEAM Fuses
|
| Figure 12: |
LT HI BEAM and RT HI BEAM Fuses
|
| Figure 13: |
LT PRK Fuse
|
| Figure 14: |
RT PRK and TRLR PRK LAMP Fuses
|
| Figure 15: |
LT TRLR STOP/TRN, TRLR BCK/UP, and RT TRLR STOP/TRN Fuses
|