GM Service Manual Online
For 1990-2009 cars only
Figure 1:

G101, G103, and G113 (W49)


Object Number: 1843857  Size: FS
Master Electrical Component List
Control Module References
G101, G103, and G113 (WDA)
Figure 2:

G101, G103, and G113 (WDA)


Object Number: 1843858  Size: FS
Master Electrical Component List
Control Module References
G101, G103, and G113 (Z88)
G101, G103, and G113 (W49)
Figure 3:

G101, G103, and G113 (Z88)


Object Number: 1843859  Size: FS
Master Electrical Component List
Control Module References
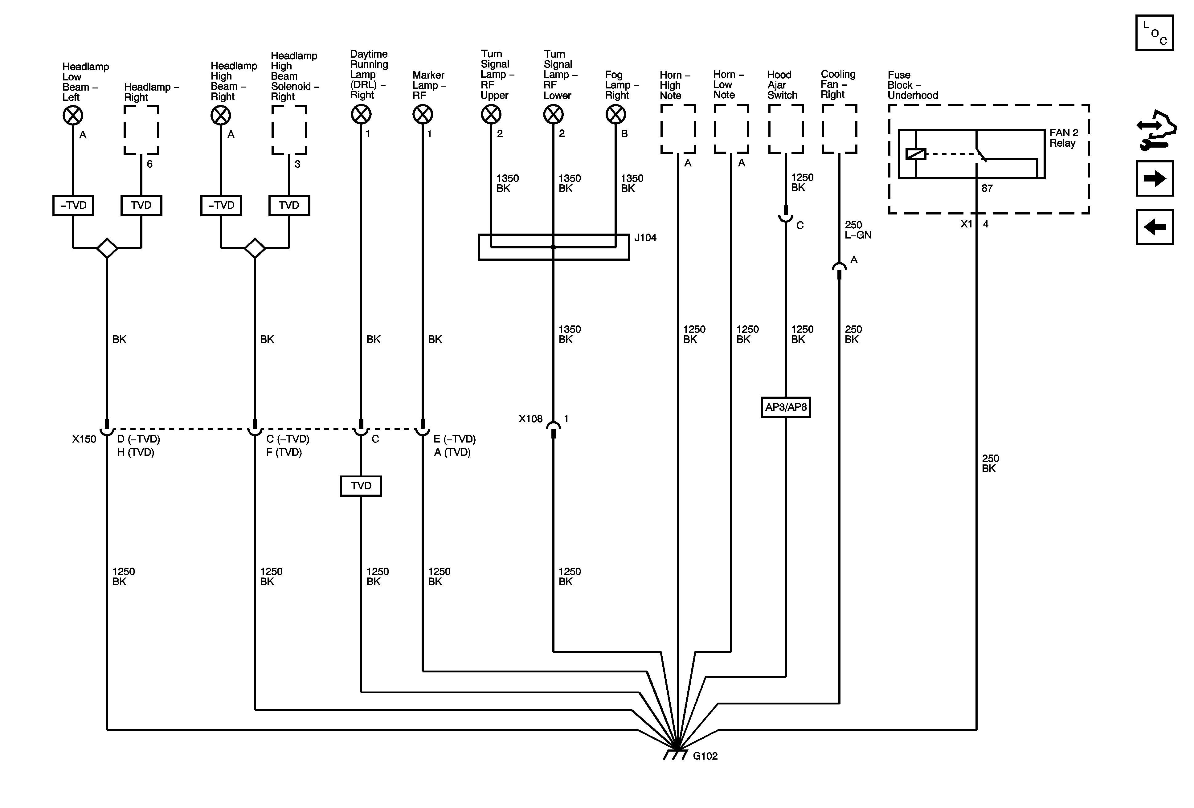
G102 (W49)
G101, G103, and G113 (WDA)
Figure 4:

G102 (W49)


Object Number: 1843860  Size: FS
Master Electrical Component List
Control Module References
G102 (WDA)
G101, G103, and G113 (Z88)
Figure 5:

G102 (WDA)


Object Number: 1843861  Size: FS
Master Electrical Component List
Control Module References
G102 (Z88)
G102 (W49)
Figure 6:

G102 (Z88)


Object Number: 1843862  Size: FS
Master Electrical Component List
Control Module References
G105 and G110
G102 (WDA)
Figure 7:

G105 and G110


Object Number: 1843863  Size: FS
Master Electrical Component List
Control Module References
G112, G114, and G115
G102 (Z88)
Figure 8:

G112, G114, and G115


Object Number: 1843864  Size: FS
Master Electrical Component List
Control Module References
G300
G105 and G110
Figure 9:

G300


Object Number: 1843865  Size: FS
Master Electrical Component List
Control Module References
G301 1 of 2
G112, G114, and G115
Figure 10:

G301 1 of 2


Object Number: 1843867  Size: FS
Master Electrical Component List
Control Module References
G301 2 of 2
G300
Figure 11:

G301 2 of 2


Object Number: 1843868  Size: FS
Master Electrical Component List
Control Module References
G302 1 of 3
G301 1 of 2
Power and Grounding Schematic Icons
Figure 12:

G302 1 of 3


Object Number: 1843869  Size: FS
Master Electrical Component List
Control Module References
G302 2 of 3
G301 2 of 2
Figure 13:

G302 2 of 3


Object Number: 1843870  Size: FS
Master Electrical Component List
Control Module References
G302 3 of 3
G302 1 of 3
Figure 14:

G302 3 of 3


Object Number: 1843871  Size: FS
Master Electrical Component List
Control Module References
G303 1 of 2
G302 2 of 3
Figure 15:

G303 1 of 2


Object Number: 1843872  Size: FS
Master Electrical Component List
Control Module References
G303 2 of 2, G304, and G305
G302 3 of 3
Figure 16:

G303 2 of 2, G304, and G305


Object Number: 1843873  Size: FS
Master Electrical Component List
Control Module References
G401 1 of 2
G303 1 of 2
Figure 17:

G401 1 of 2


Object Number: 1843874  Size: FS
Master Electrical Component List
Control Module References
G401 2 of 2
G303 2 of 2, G304, and G305
Figure 18:

G401 2 of 2


Object Number: 1843875  Size: FS
Master Electrical Component List
Control Module References
G402 1 of 2
G401 1 of 2
Figure 19:

G402 1 of 2


Object Number: 1843876  Size: FS
Master Electrical Component List
Control Module References
G402 2 of 2
G401 2 of 2
Figure 20:

G402 2 of 2


Object Number: 1843877  Size: FS
Master Electrical Component List
Control Module References
G402 1 of 2
G402 1 of 2