GM Service Manual Online
For 1990-2009 cars only
Figure 1:

Radio Antennas, Data Communication, Lighting, Power, and Vehicle Speed Signal


Object Number: 1844210  Size: FS
Master Electrical Component List
Radio/Audio System Description and Operation
Control Module References
Audio Amplifier Power, Ground, and All Audio Inputs - UQG, Front and Rear Audio Inputs - UQA/UQS
AIRBAG, AMP, BATT 1, BCM, CNSTR/VENT, CSTY, DISPLAY, INADV/PWR/LED, INFOTAINMENT, MSM, POWER MOD, and RADIO Fuses
Data Communication Schematics
U42
Controls, I/P, and Steering Wheel LEDs
Audio Amplifier Power, Ground, and All Audio Inputs - UQG, Front and Rear Audio Inputs - UQA/UQS
G300
Figure 2:

Audio Amplifier Power, Ground, and All Audio Inputs - UQG, Front and Rear Audio Inputs - UQA/UQS


Object Number: 1844211  Size: FS
Master Electrical Component List
Radio/Audio System Description and Operation
Control Module References
Audio Amplifier Power, Ground, and All Audio Inputs - UQG+UK6, Front and Rear Audio Inputs - UQA/UQS+UK6
Radio Antennas, Data Communication, Lighting, Power, and Vehicle Speed Signal
AIRBAG, AMP, BATT 1, BCM, CNSTR/VENT, CSTY, DISPLAY, INADV/PWR/LED, INFOTAINMENT, MSM, POWER MOD, and RADIO Fuses
Radio Antennas, Data Communication, Lighting, Power, and Vehicle Speed Signal
G300
Figure 3:

Audio Amplifier Power, Ground, and All Audio Inputs - UQG+UK6, Front and Rear Audio Inputs - UQA/UQS+UK6


Object Number: 1844212  Size: FS
Master Electrical Component List
Radio/Audio System Description and Operation
Control Module References
Audio Amplifier Center and Subwoofer Audio Inputs - UQS
Audio Amplifier Power, Ground, and All Audio Inputs - UQG, Front and Rear Audio Inputs - UQA/UQS
Figure 4:

Audio Amplifier Center and Subwoofer Audio Inputs - UQS


Object Number: 1844213  Size: FS
Master Electrical Component List
Radio/Audio System Description and Operation
Control Module References
Speakers - UQF
Audio Amplifier Power, Ground, and All Audio Inputs - UQG+UK6, Front and Rear Audio Inputs - UQA/UQS+UK6
Figure 5:

Speakers - UQF


Object Number: 1844214  Size: FS
Master Electrical Component List
Radio/Audio System Description and Operation
Control Module References
Speakers - UQF+UK6
Audio Amplifier Center and Subwoofer Audio Inputs - UQS
Figure 6:

Speakers - UQF+UK6


Object Number: 1844215  Size: FS
Master Electrical Component List
Radio/Audio System Description and Operation
Control Module References
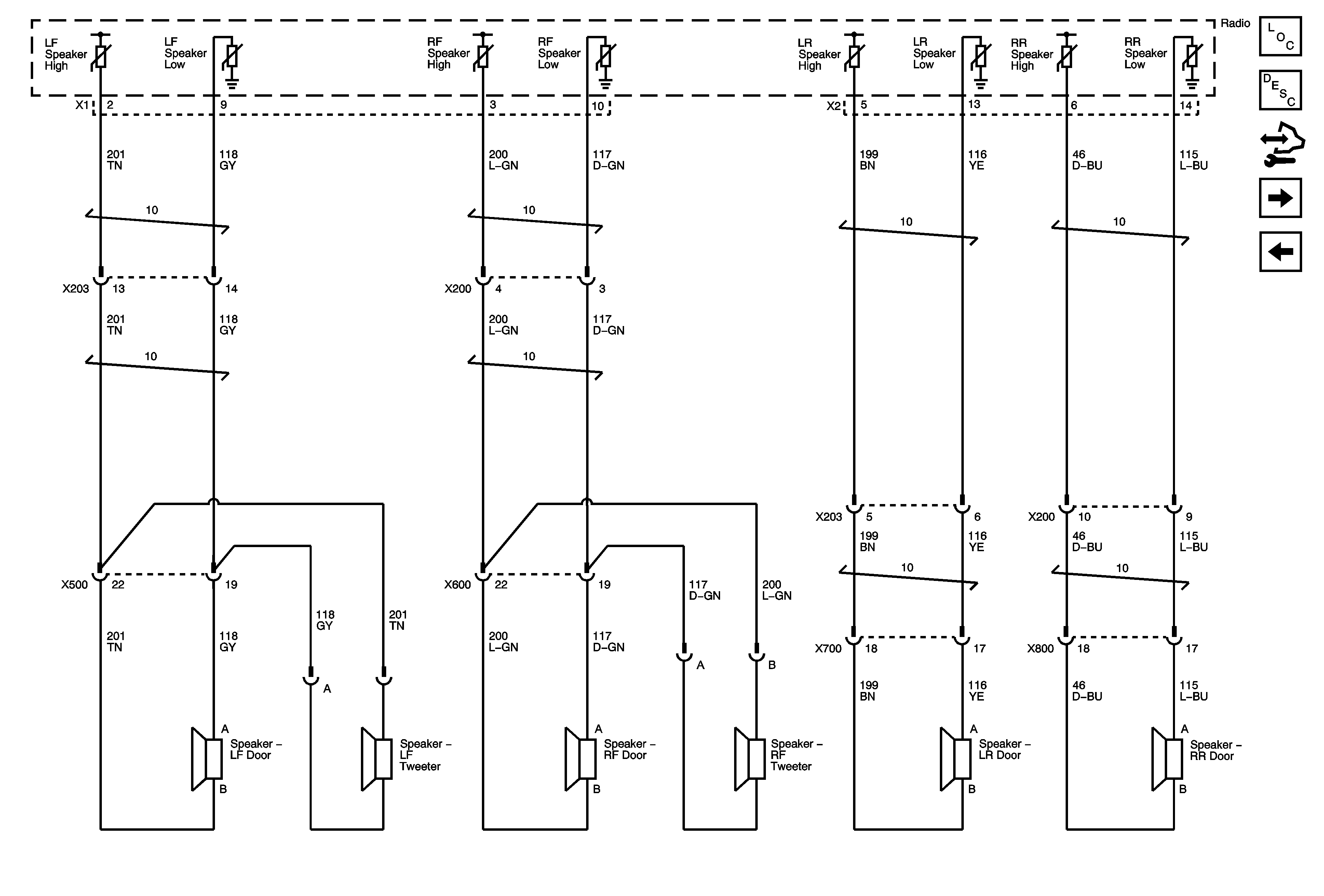
Door and A-Pillar Speakers - UQA/UQG/UGS
Speakers - UQF
Figure 7:

Door and A-Pillar Speakers - UQA/UQG/UGS


Object Number: 1844216  Size: FS
Master Electrical Component List
Radio/Audio System Description and Operation
Control Module References
Except Door and A-Pillar Speakers - UQA/UQS
Speakers - UQF+UK6
Figure 8:

Except Door and A-Pillar Speakers - UQA/UQS


Object Number: 1844217  Size: FS
Master Electrical Component List
Radio/Audio System Description and Operation
Control Module References
Except Door Speakers - UQG
Door and A-Pillar Speakers - UQA/UQG/UGS
Figure 9:

Except Door Speakers - UQG


Object Number: 1844218  Size: FS
Master Electrical Component List
Radio/Audio System Description and Operation
Control Module References
Rear Video/Audio/HVAC Module Power, Ground, Lighting, Data Communication, and Infrared Module
Except Door and A-Pillar Speakers - UQA/UQS
Figure 10:

Rear Video/Audio/HVAC Module Power, Ground, Lighting, Data Communication, and Infrared Module


Object Number: 1844219  Size: FS
Master Electrical Component List
Radio/Audio System Description and Operation
Control Module References
XM Radio - U2K
Except Door Speakers - UQG
AIRBAG, AMP, BATT 1, BCM, CNSTR/VENT, CSTY, DISPLAY, INADV/PWR/LED, INFOTAINMENT, MSM, POWER MOD, and RADIO Fuses
Data Communication Schematics
Console and Driver Door LEDs
G300
Figure 11:

XM Radio - U2K


Object Number: 1844220  Size: FS
Master Electrical Component List
Radio/Audio System Description and Operation
Control Module References
Secondary Controls
Rear Video/Audio/HVAC Module Power, Ground, Lighting, Data Communication, and Infrared Module
AIRBAG, AMP, BATT 1, BCM, CNSTR/VENT, CSTY, DISPLAY, INADV/PWR/LED, INFOTAINMENT, MSM, POWER MOD, and RADIO Fuses
Data Communication Schematics
G300
Figure 12:

Secondary Controls


Object Number: 1844221  Size: FS
Master Electrical Component List
Radio/Audio System Description and Operation
Control Module References
XM Radio - U2K
Data Communication Schematics
IMS and Tap Up/Tap Down
Cruise Control
Entertainment/Communication Schematic Icons