GM Service Manual Online
For 1990-2009 cars only
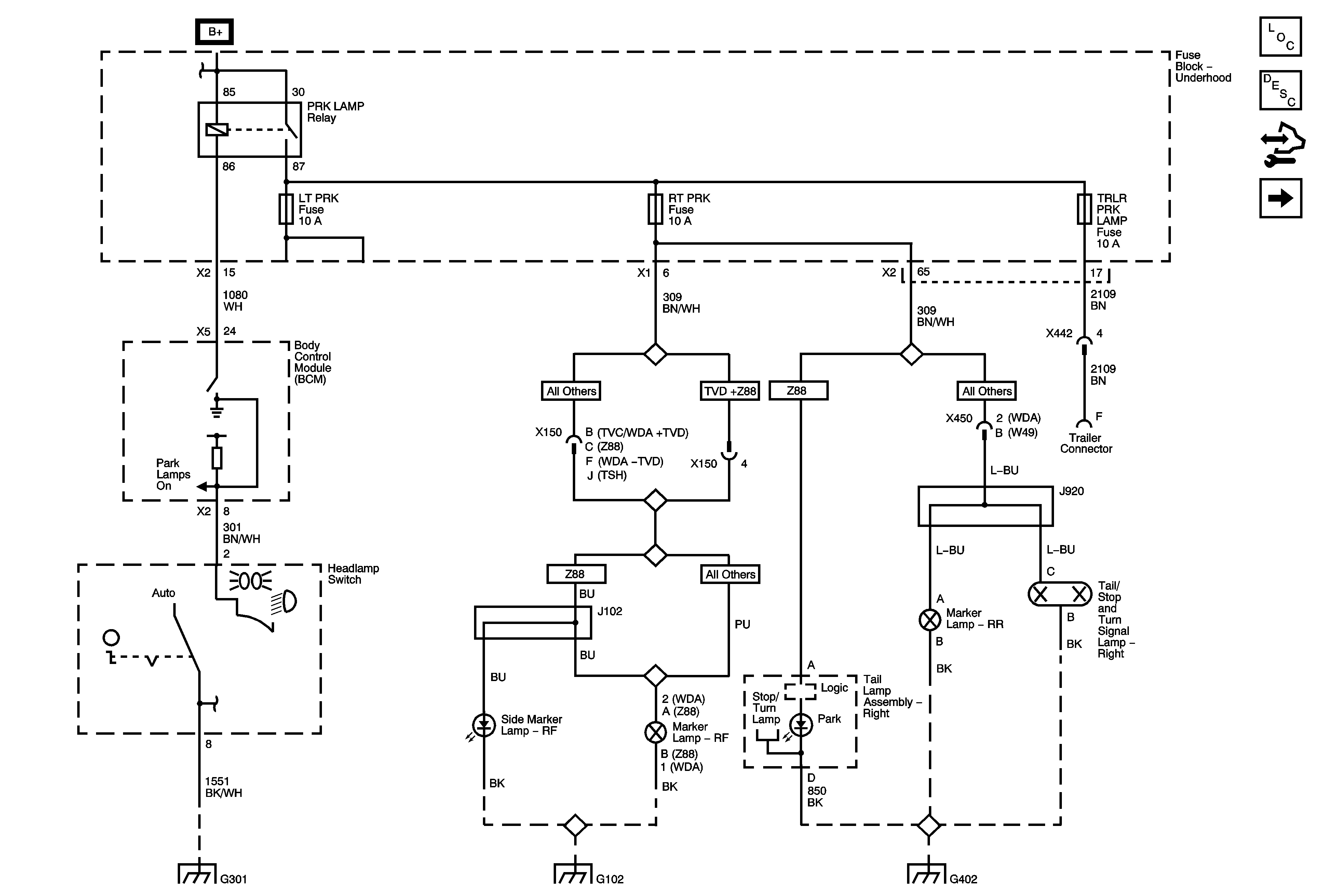
Figure 1:

Park Lamp Control and Right Park Lamps


Object Number: 1843942  Size: FS
Master Electrical Component List
Exterior Lighting Systems Description and Operation
Control Module References
Left Park Lamps
B+ Bus 2 of 2
B+ Bus 2 of 2
B+ Bus 2 of 2
B+ Bus 2 of 2
G301 1 of 2
Ground Distribution Schematics
G402 1 of 2
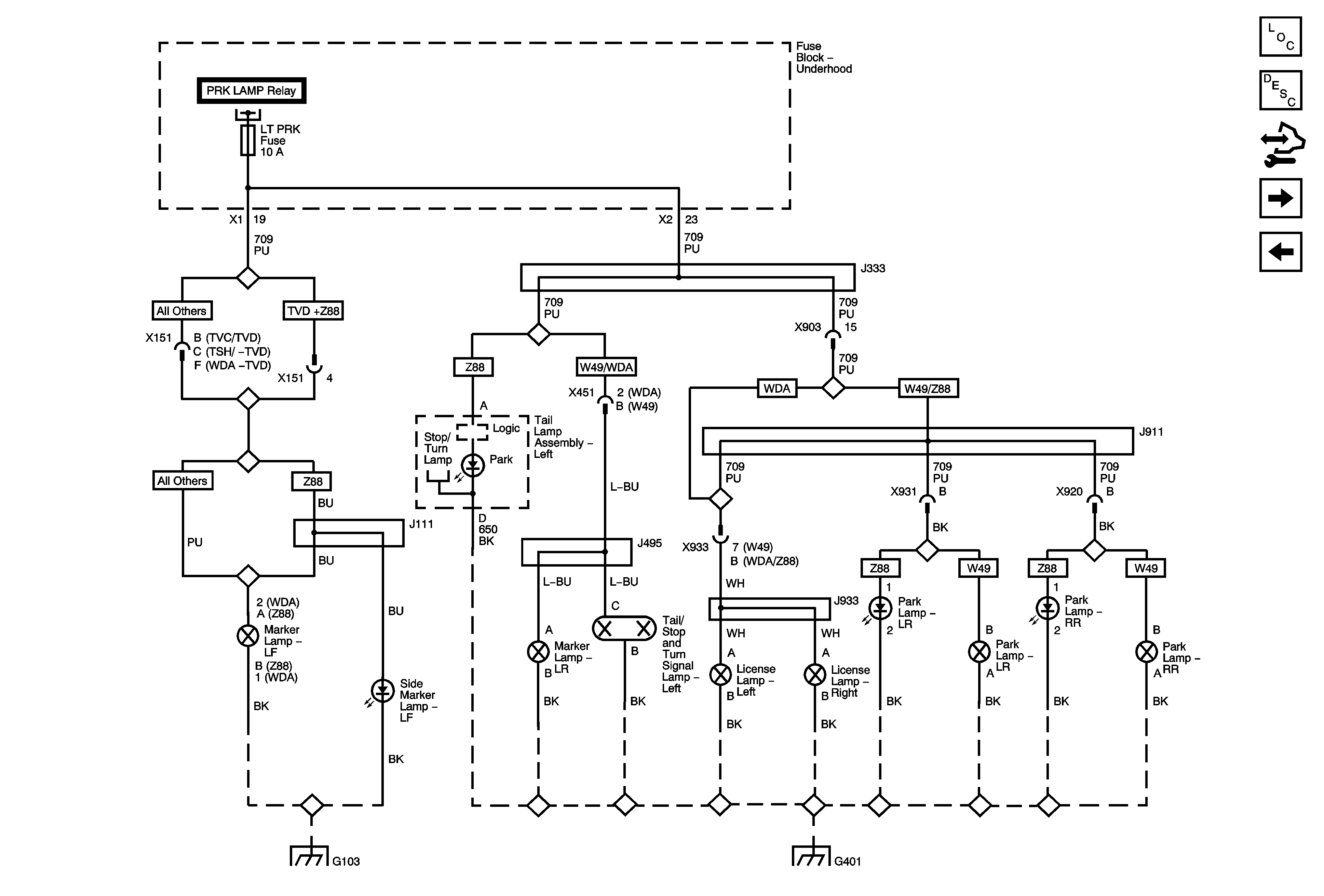
Figure 2:

Left Park Lamps


Object Number: 1843944  Size: FS
Figure 3:

Stop/Turn Signal Lamps Controls and Indicators


Object Number: 1843945  Size: FS
Figure 4:

Front Turn Lamps and Outside Mirrors


Object Number: 1843947  Size: FS
Master Electrical Component List
Exterior Lighting Systems Description and Operation
Control Module References
Rear Turn/Stop Lamps and CHMSL
Stop/Turn Signal Lamps Controls and Indicators
G303 1 of 2
Ground Distribution Schematics
Ground Distribution Schematics
G301 2 of 2
Figure 5:

Rear Turn/Stop Lamps and CHMSL


Object Number: 1843948  Size: FS
Master Electrical Component List
Exterior Lighting Systems Description and Operation
Control Module References
Back Up Lamps
Front Turn Lamps and Outside Mirrors
Left Park Lamps
Park Lamp Control and Right Park Lamps
G401 1 of 2
G402 1 of 2
Figure 6:

Back Up Lamps


Object Number: 1843949  Size: FS
Master Electrical Component List
Exterior Lighting Systems Description and Operation
Control Module References
Rear Turn/Stop Lamps and CHMSL
BATT 2, BCK/UP/STOP, HTD/SEAT, LT/TRN/SIG, PDM, PWR/MIRRORS, and RT/TRN/SIG Fuses, LT/PWR/SEAT, PWR/COLUMN, and RT/PWR/SEAT Circuit Breakers
DD7/DD8
Rear Vision Camera - UVC
G401 1 of 2