GM Service Manual Online
For 1990-2009 cars only
Figure 1:

G101, G103, and G113 (W49)


Object Number: 2077749  Size: FS
Figure 2:

G101, G103, and G113 (WDA)


Object Number: 2077752  Size: FS
Figure 3:

G101, G103, and G113 (Z88)


Object Number: 2077754  Size: FS
Figure 4:

G102 (W49)


Object Number: 2077759  Size: FS
Figure 5:

G102 (WDA)


Object Number: 2077761  Size: FS
Figure 6:

G102 (Z88)


Object Number: 2077763  Size: FS
Figure 7:

G105 and G110


Object Number: 2077767  Size: FS
Figure 8:

G112, G114, and G115


Object Number: 2077769  Size: FS
Figure 9:

G300


Object Number: 2077774  Size: FS
Figure 10:

G301 1 of 2


Object Number: 2077778  Size: FS
Figure 11:

G301 2 of 2


Object Number: 2077780  Size: FS
Figure 12:

G302 1 of 3


Object Number: 2077782  Size: FS
Figure 13:

G302 2 of 3


Object Number: 2077794  Size: FS
Figure 14:

G302 3 of 3


Object Number: 2077797  Size: FS
Figure 15:

G303 1 of 2


Object Number: 2077801  Size: FS
Figure 16:

G303 2 of 2, G304, and G305


Object Number: 2077807  Size: FS
Figure 17:

G401 1 of 2


Object Number: 2077811  Size: FS
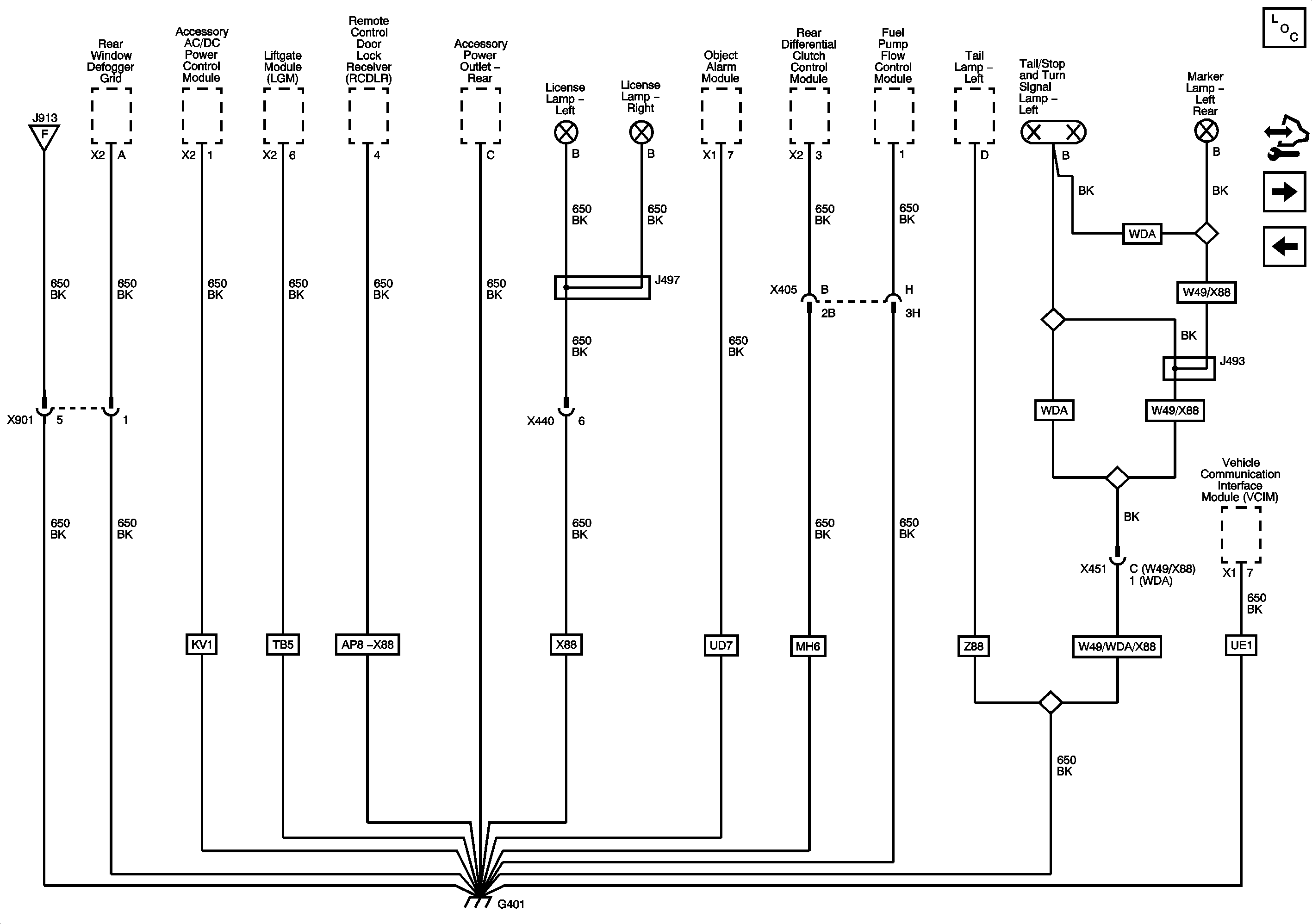
Figure 18:

G401 2 of 2


Object Number: 2077815  Size: FS
Figure 19:

G402 1 of 2


Object Number: 2077818  Size: FS
Figure 20:

G402 2 of 2


Object Number: 2077824  Size: FS