| Figure 1: |
Indicators and Switches
|
| Figure 2: |
Heating Elements
|
| Figure 1: |
Indicators and Switches
|
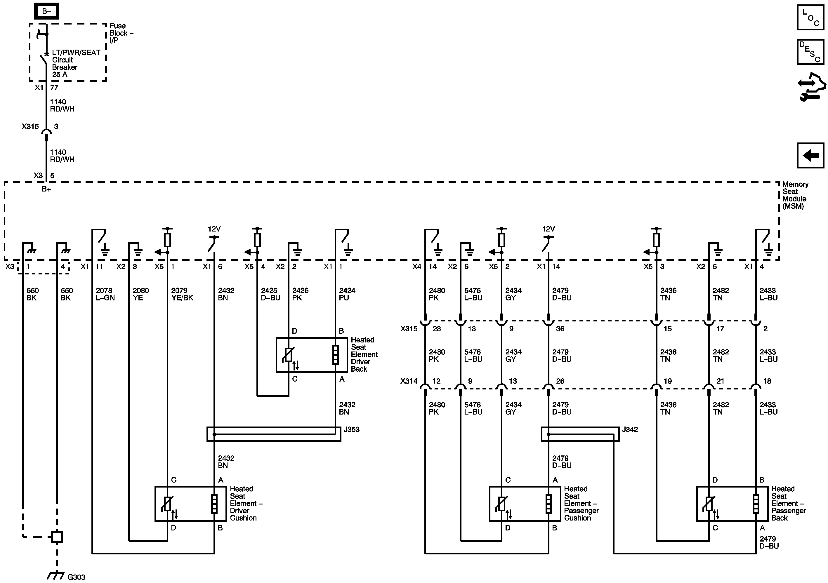
| Figure 2: |
Heating Elements
|
| Figure 1: |
Driver Switch
|
| Figure 2: |
Passenger Switch
|
| Figure 3: |
Cushion Temp Sensors and Heating
|
| Figure 4: |
Back Temp Sensors and Cooling
|