GM Service Manual Online
For 1990-2009 cars only
Makes
🢒
GMC_Truck
🢒
2007
🢒
Canyon Pickup - 2WD
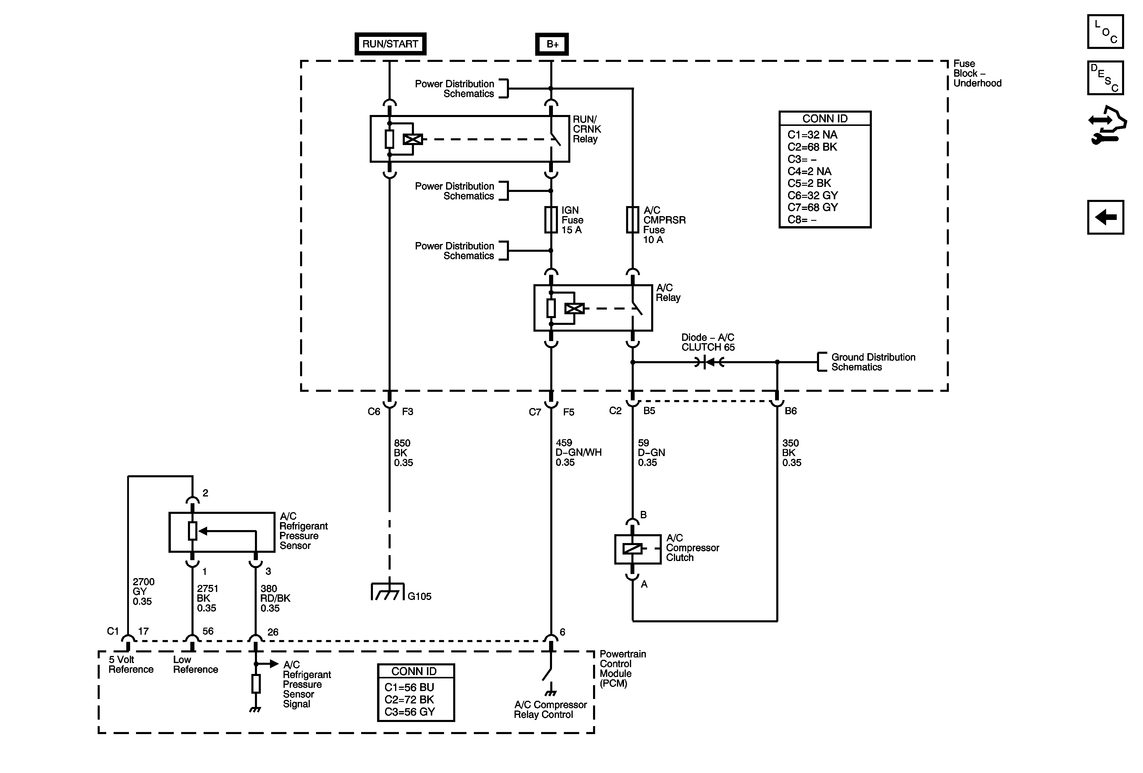
🢒 Compressor Controls
Compressor Controls
Compressor Controls
Master Electrical Component List
Air Temperature Description and Operation
Body Control Module (BCM) Programming/RPO Configuration
Primary Blower and Air Delivery Controls
B+ Bus - Underhood Fuse Block
B+ Bus - Underhood Fuse Block
RUN/CRANK RELAY BUS - 2 of 3, ABS, BACKUP, and IGN Fuses
Splice Pack SP105 and G105 - 1 of 2