GM Service Manual Online
For 1990-2009 cars only
Figure 1:

Power, Ground, Serial Data, and MIL


Object Number: 2082694  Size: FS
Figure 2:

Engine Data Sensors - 5-Volt and Low Reference


Object Number: 2082696  Size: FS
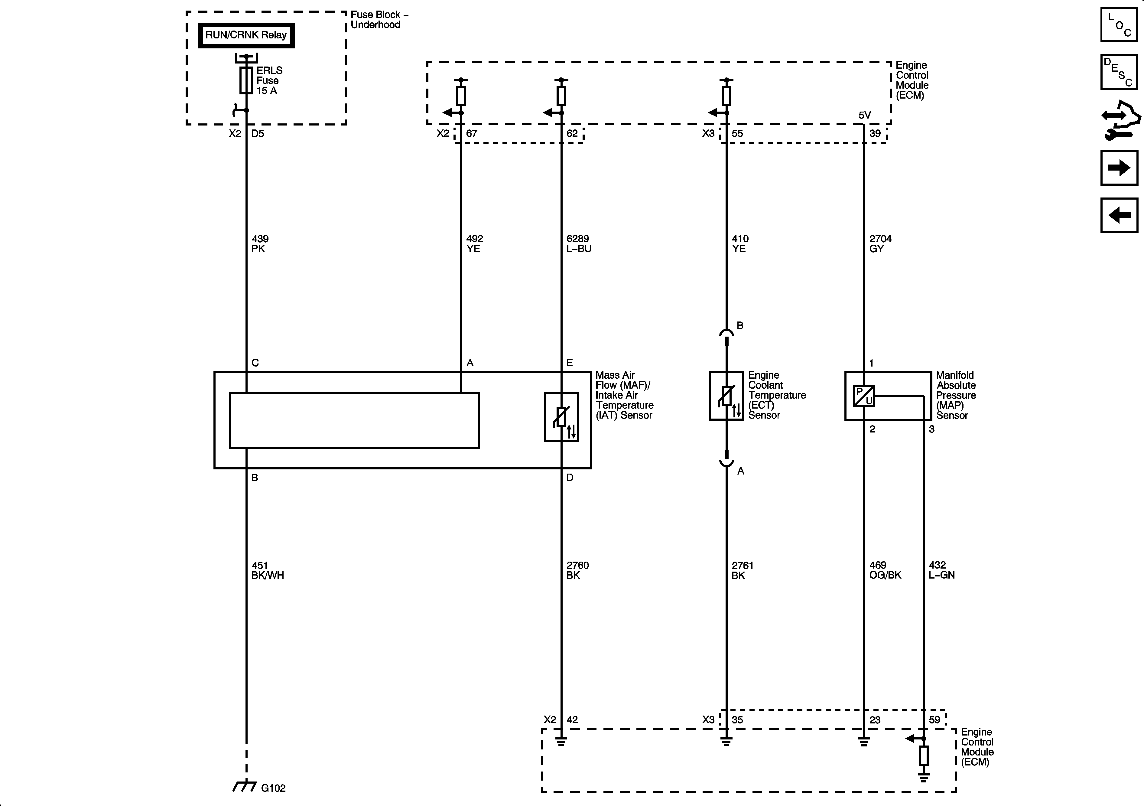
Figure 3:

Engine Data Sensors - Pressure and Temperature


Object Number: 2082698  Size: FS
Figure 4:

Engine Data Sensors - Heated Oxygen Sensors


Object Number: 2082700  Size: FS
Figure 5:

Engine Data Sensors - Throttle Controls


Object Number: 2082702  Size: FS
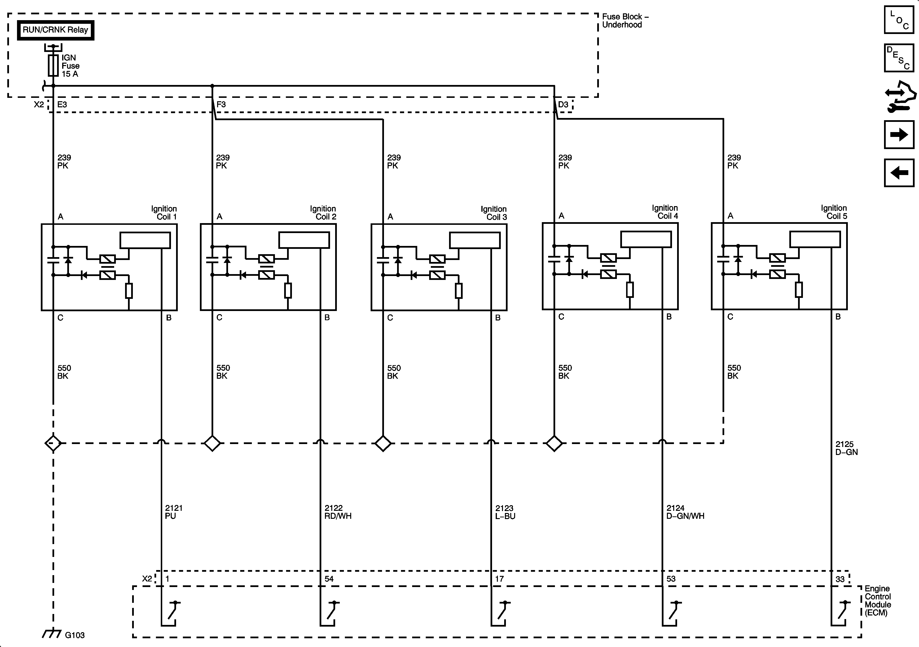
Figure 6:

Ignition Controls - Ignition System Coils


Object Number: 2082704  Size: FS
Figure 7:

Ignition Controls - Sensors


Object Number: 2082706  Size: FS
Figure 8:

Fuel Controls - Fuel Injectors


Object Number: 2082708  Size: FS
Figure 9:

Fuel Controls - Fuel Pump and EVAP Controls


Object Number: 2082710  Size: FS
Figure 10:

Fuel Controls - Fuel Pump Controls


Object Number: 2084823  Size: FS
Figure 11:

Device Controls - Secondary Air Injection K18


Object Number: 2082713  Size: FS
Figure 12:

Controlled/Monitored Subsystem References


Object Number: 2082715  Size: FS