GM Service Manual Online
For 1990-2009 cars only
Figure 1:

B+ Bus 1 of 2


Object Number: 2181506  Size: FS
Figure 2:

B+ Bus 2 of 2


Object Number: 2082633  Size: FS
Figure 3:

ABS 1, ABS 2, AUX PWR 1, AUX PWR 2, CNSTR VENT, CIGAR, CLSTR, PCM B, RDO, STOP, and TCCM Fuses


Object Number: 2082635  Size: FS
Figure 4:

A/C, BLWR, DR/LCK, HTD/SEAT, ONSTAR, RVC, TBC, TRN/HAZRD FRT, and TRN/HAZRD REAR Fuses


Object Number: 2082637  Size: FS
Figure 5:

Ignition Switch


Object Number: 2082639  Size: FS
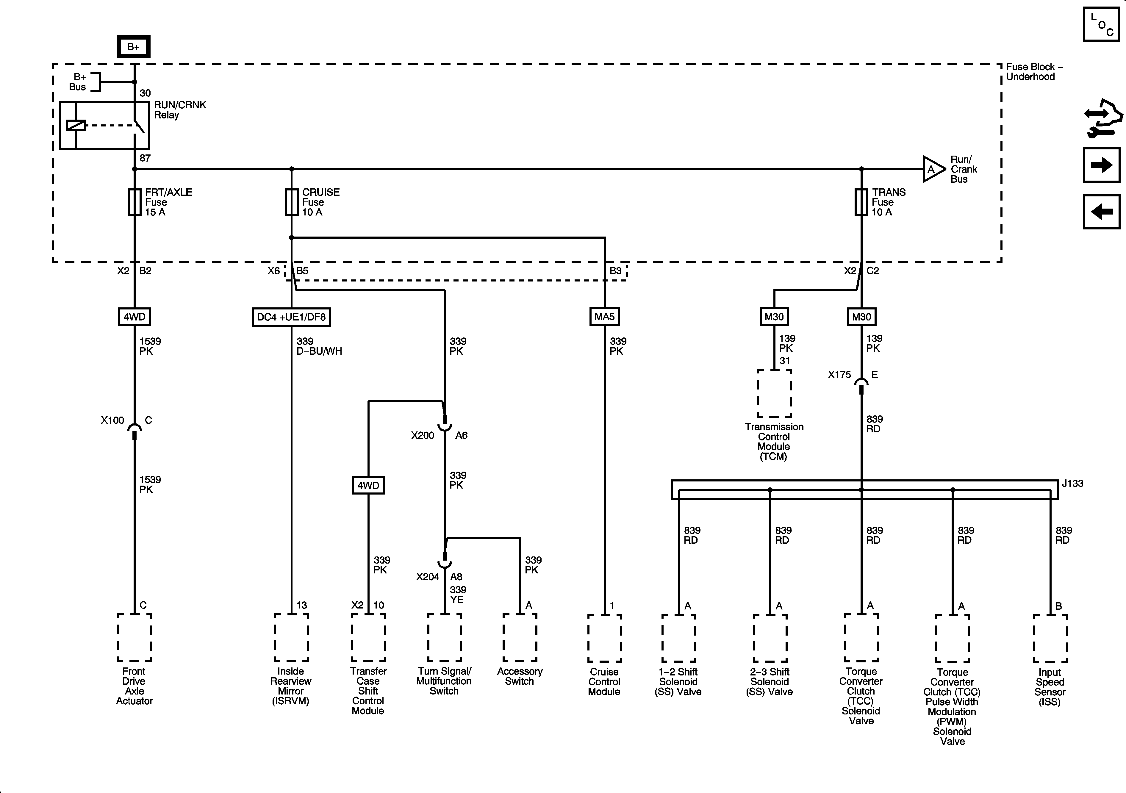
Figure 6:

RUN/CRANK RELAY BUS - 1 of 3, AIRBAG, CRUISE, and TRANS Fuses


Object Number: 2082642  Size: FS
Figure 7:

RUN/CRANK RELAY BUS - 2 of 3, ABS, BCK/UP, and IGN Fuses


Object Number: 2082644  Size: FS
Figure 8:

RUN/CRANK RELAY BUS - 3 of 3, ERLS, FRT AXL, INJ, and PCM I Fuses


Object Number: 2082646  Size: FS
Figure 9:

ETC, O2 SNSR, PWR/WNDW, S/ROOF, and WSW Fuses


Object Number: 2082648  Size: FS
Figure 10:

DRL, FUEL/PUMP, PWR/SEAT, LT HDLP, and RT HDLP Fuses


Object Number: 2082650  Size: FS
Figure 11:

FRT PRK LAMP, REAR PRK LAMP, and REAR PRK LAMP 2 Fuses


Object Number: 2082652  Size: FS