GM Service Manual Online
For 1990-2009 cars only
Makes
🢒
GMC_Truck
🢒
2004
🢒
Envoy XUV
🢒
Body
🢒
Retained Accessory Power
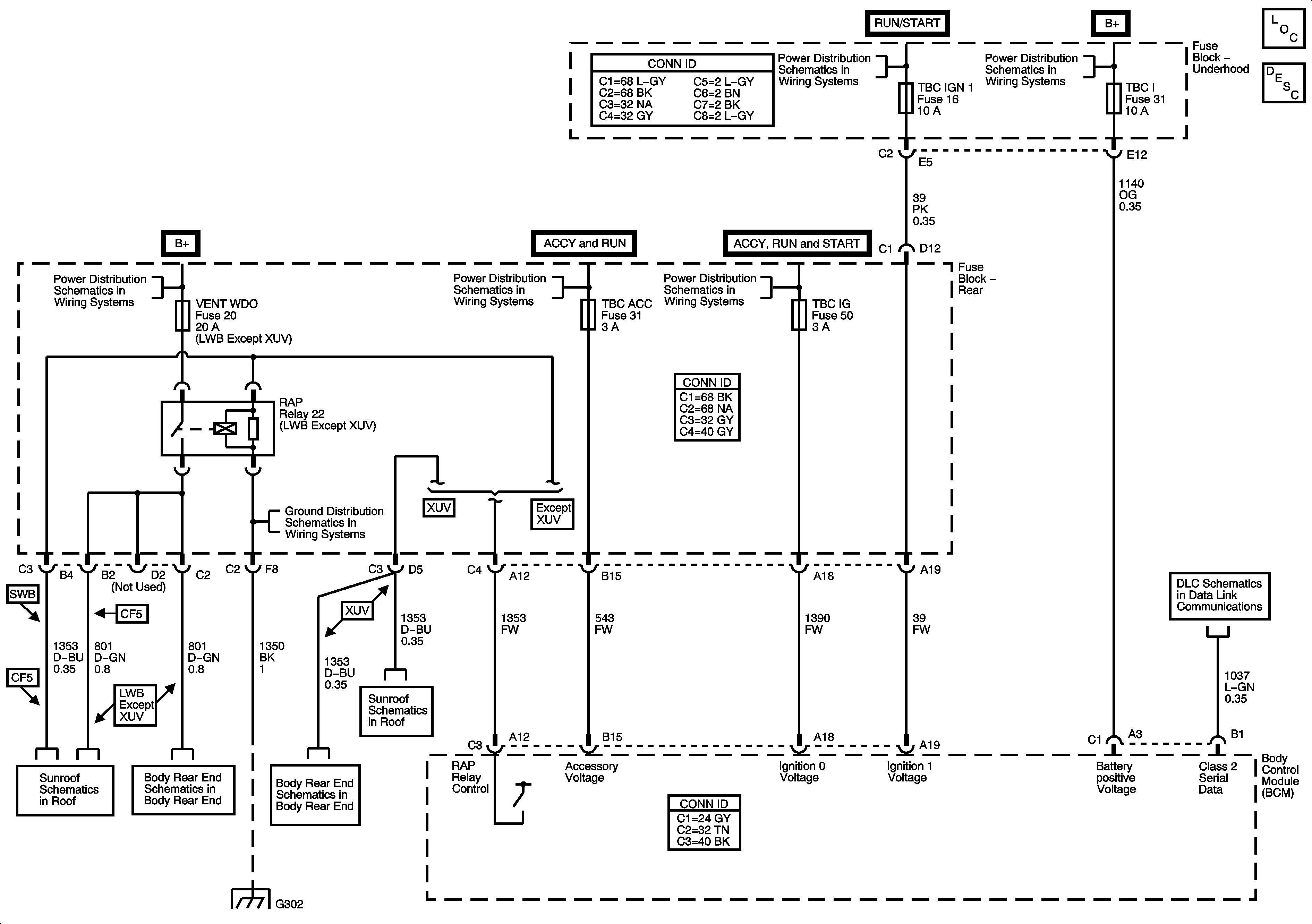
🢒 Retained Accessory Power (RAP) Schematics
Master Electrical Component List
Retained Accessory Power (RAP) Description and Operation
ACCY/RUN and RUN/START Bus Bars
B+ Bus - Underhood Fuse Block
B+ Bus - Rear Fuse Block
ACCY/RUN and RUN/START Bus Bars
ACCY/RUN/START, RUN, and START Bus Bars
G302 - 1 of 2, G303, and G304
Power, Ground, Data Link Connector, and SP205
Except XUV
Quarter Glass Windows - Long Wheelbase (LWB) Except XUV
Midgate - XUV Only
Except XUV
G302 - 1 of 2, G303, and G304