GM Service Manual Online
For 1990-2009 cars only
Makes
🢒
GMC_Truck
🢒
2003
🢒
Envoy - 2WD
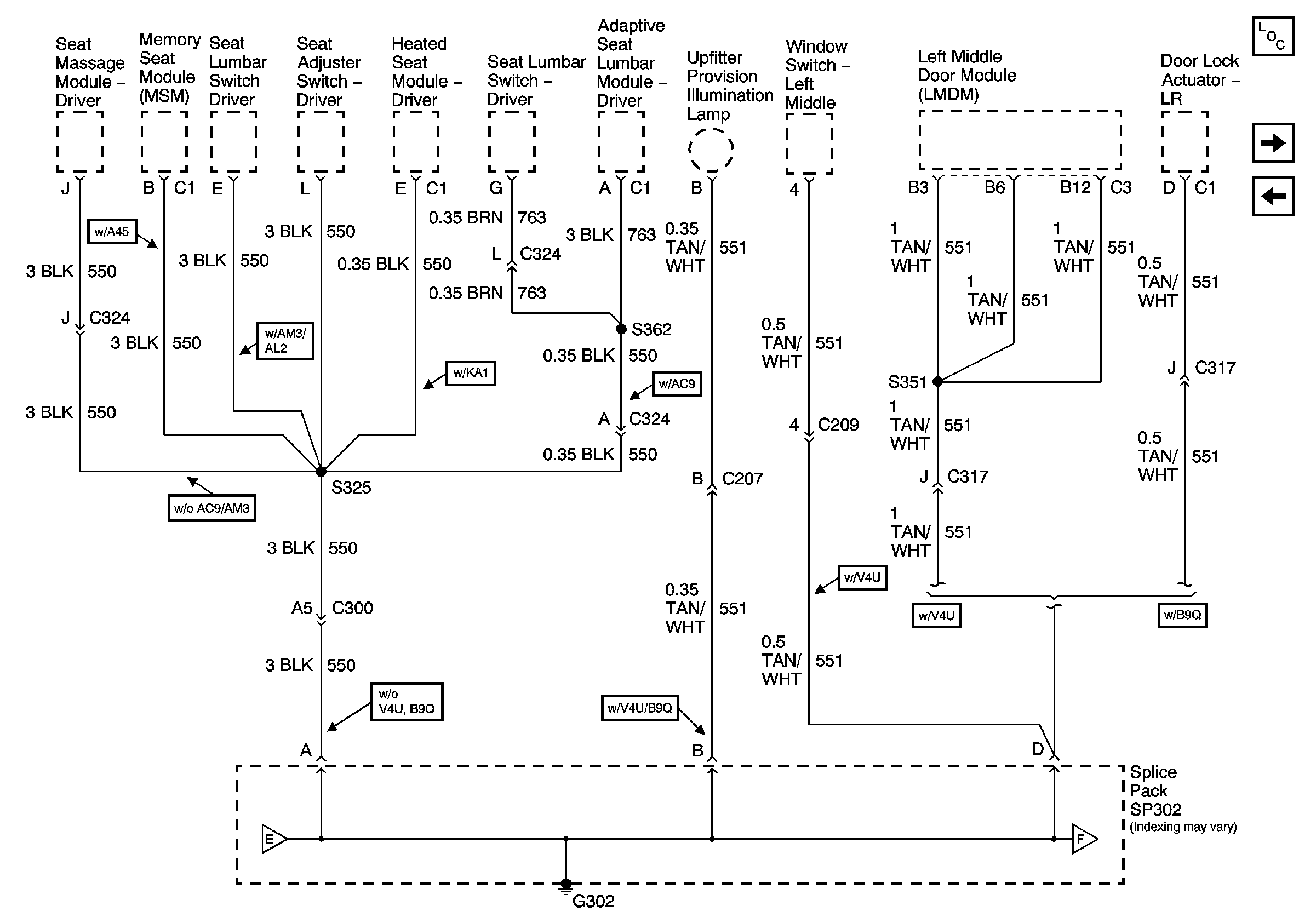
🢒 G302 (2 of 3)
G302 (2 of 3)
G302 2 of 3
Master Electrical Component List
G302 (3 of 3)
G302 (1 of 3)
G302 (3 of 3)
G302 (1 of 3)