GM Service Manual Online
For 1990-2009 cars only
Figure 1:

B+ Bus - Underhood Fuse Block


Object Number: 1923917  Size: FS
Master Electrical Component List
Control Module References
B+ Bus - Rear Fuse Block
Figure 2:

B+ Bus - Rear Fuse Block


Object Number: 1923918  Size: FS
Master Electrical Component List
Control Module References
BAS, ATC, BLWR, ECAS, ELEC BRK, HAZRD, IPC/DIC, LTR, RVC, STOP LAMP, TRLR, VEH CHMSL, VEH STOP, and VSES Fuses
B+ Bus - Underhood Fuse Block
Figure 3:

ABS, ATC, BLWR, ECAS, ELEC BRK, HAZRD, IPC/DIC, LTR, RVC, STOP LAMP, TRLR, VEH CHMSL, VEH STOP, and VSES Fuses


Object Number: 1923919  Size: FS
Master Electrical Component List
Control Module References
AIR PUMP, EAP, ECM, HDM, HI HEADLAMP - LT, HI HEADLAMP - RT, IGN COILS, LO HEADLAMP - LT, LO HEADLAMP - RT, PCM B and TBC 1 Fuses
B+ Bus - Rear Fuse Block
Figure 4:

AIR PUMP, EAP, ECM, HDM, HI HEADLAMP - LT, HI HEADLAMP - RT, IGN COILS, LO HEADLAMP - LT, LO HEADLAMP - RT, PCM B and TBC I Fuses


Object Number: 1923920  Size: FS
Master Electrical Component List
Control Module References
HVAC B, LGM/DSM, OH BATT/ONSTAR, and RADIO Fuses
BAS, ATC, BLWR, ECAS, ELEC BRK, HAZRD, IPC/DIC, LTR, RVC, STOP LAMP, TRLR, VEH CHMSL, VEH STOP, and VSES Fuses
Figure 5:

HVAC B, LGM/DSM, OH BATT/ONSTAR, and RADIO Fuses


Object Number: 1923925  Size: FS
Master Electrical Component List
Control Module References
AUX PWR 1, RR HVAC, SUNROOF, TBC 2, TBC 3, TBC 4, TBC 5, and TCM CNSTR Fuses
AIR PUMP, EAP, ECM, HDM, HI HEADLAMP - LT, HI HEADLAMP - RT, IGN COILS, LO HEADLAMP - LT, LO HEADLAMP - RT, PCM B and TBC 1 Fuses
Figure 6:

AWX PWR 1, RR HVAC, SUNROOF, TBC 2, TBC 3, TBC 4, TBC 5, and TCM CNSTR Fuses


Object Number: 1923929  Size: FS
Master Electrical Component List
Control Module References
AMP, DDM, PDM Fuses, LT DOORS, RT DOORS, and SEATS Circuit Breakers
HVAC B, LGM/DSM, OH BATT/ONSTAR, and RADIO Fuses
Figure 7:

AMP, DDM, PDM Fuses, LT DOORS, RT DOORS, and SEATS Circuit Breakers


Object Number: 1923931  Size: FS
Master Electrical Component List
Control Module References
F PARK, LGM #2, LR PARK, RR FOG, RR PARK, TR PARK Fuses and RR WIPER Circuit Breaker
AUX PWR 1, RR HVAC, SUNROOF, TBC 2, TBC 3, TBC 4, TBC 5, and TCM CNSTR Fuses
Figure 8:

F PARK, LGM #2, LR PARK, RR FOG, RR PARK, TR PARK Fuses and RR WIPER Circuit Breaker


Object Number: 1923933  Size: FS
Master Electrical Component List
Control Module References
Ignition Switch - ACCY/RUN/START, RUN, and START Bus Bars, IGN A and CRANK Fuses
AMP, DDM, PDM Fuses, LT DOORS, RT DOORS, and SEATS Circuit Breakers
Figure 9:

Ignition Switch - ACCY/RUN/START, RUN and START Bus Bars, IGN A and CRNK Fuses


Object Number: 1923934  Size: FS
Master Electrical Component List
Control Module References
Ignition Switch - ACCY/RUN, RUN/START Bus Bars and IGN B Fuse
F PARK, LGM #2, LR PARK, RR FOG, RR PARK, TR PARK Fuses and RR WIPER Circuit Breaker
Figure 10:

Ignition Switch - ACCY/RUN, RUN/START Bus Bars and IGN B Fuse


Object Number: 1923935  Size: FS
Master Electrical Component List
Control Module References
FRT WPR, IGN 0, RAIN, TBC ACC, TBC IG, and TCM Fuses
Ignition Switch - ACCY/RUN/START, RUN, and START Bus Bars, IGN A and CRANK Fuses
Figure 11:

FRT WPR, IGN 0, RAIN, TBC ACC, TBC IG, and TCM Fuses


Object Number: 1923936  Size: FS
Master Electrical Component List
Control Module References
BCK/UP, BTSI, IGN E, TBC IGN 1, and TRLR BCK/UP Fuses
Ignition Switch - ACCY/RUN, RUN/START Bus Bars and IGN B Fuse
Figure 12:

BCK/UP, BTSI, IGN E, TBC IGN 1, and TRLR BCK/UP Fuses


Object Number: 1923938  Size: FS
Master Electrical Component List
Control Module References
AIR SOL and PCMI Fuses - 4.2L
FRT WPR, IGN 0, RAIN, TBC ACC, TBC IG, and TCM Fuses
Figure 13:

AIR SOL and PCMI Fuses - 4.2L


Object Number: 1923939  Size: FS
Master Electrical Component List
Control Module References
4WD, AIRBAG, ECMI, HVAC, and TRANS Fuses
BCK/UP, BTSI, IGN E, TBC IGN 1, and TRLR BCK/UP Fuses
Figure 14:

4WD, AIRBAG, ECMI, HVAC, and TRANS Fuses


Object Number: 1923940  Size: FS
Master Electrical Component List
Control Module References
BRAKE, HVAC I, and TBC RUN Fuses
AIR SOL and PCMI Fuses - 4.2L
Figure 15:

BRAKE, HVAC I, and TBC RUN Fuses


Object Number: 1923947  Size: FS
Master Electrical Component List
Control Module References
ETC and O2 SNSR Fuses - 4.2L
4WD, AIRBAG, ECMI, HVAC, and TRANS Fuses
Figure 16:

ETC, and O2 SNSR Fuses - 4.2L


Object Number: 1923987  Size: FS
Master Electrical Component List
Control Module References
ENG 1, ETC, INJA, INJB, O2 SNSR A, O2 SNSR B Fuses - 5.3L/6.0L
BRAKE, HVAC I, and TBC RUN Fuses
Figure 17:

ENG 1, ETC, INJA, INJB, O2 SNSR A, O2 SNSR B Fuses - 5.3L/6.0L


Object Number: 1923988  Size: FS
Master Electrical Component List
Control Module References
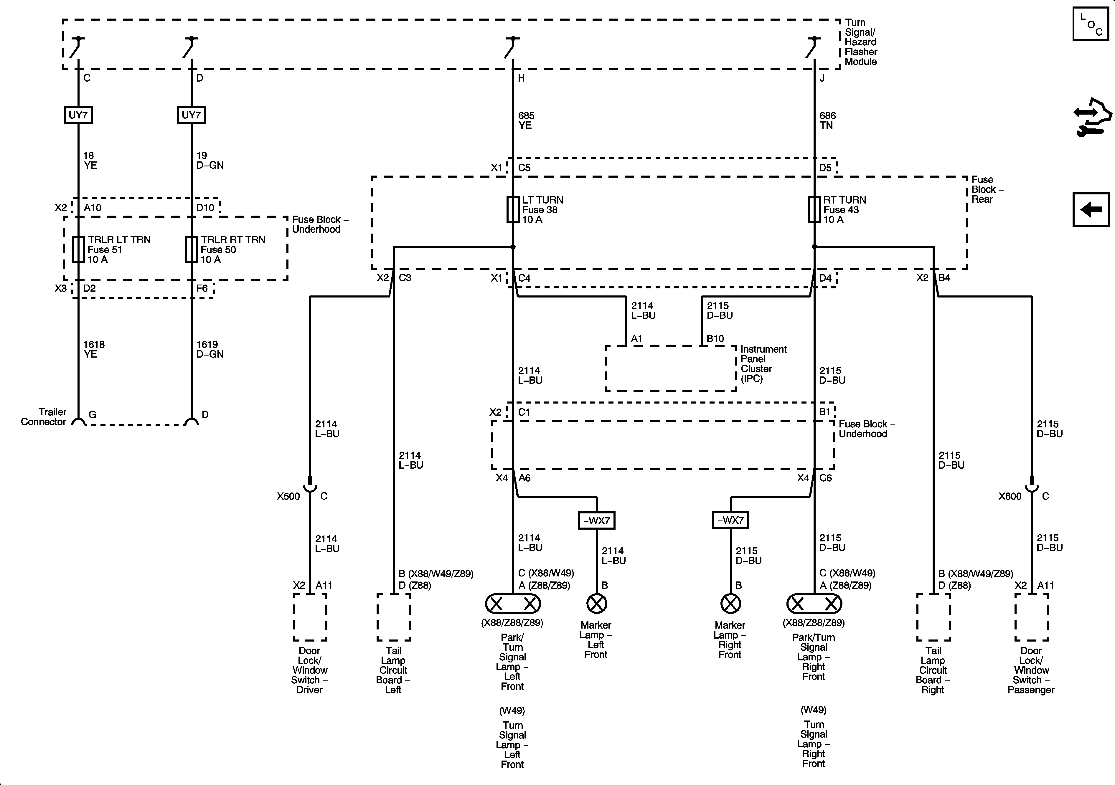
LT TURN, RT TURN, TRLR LT TRN, and, TRLR RT TURN Fuses
ETC and O2 SNSR Fuses - 4.2L
Figure 18:

LT TURN, RT TURN, TRLR LT TRN, and TRLR RT TRN Fuses


Object Number: 1924014  Size: FS
Master Electrical Component List
Control Module References
ENG 1, ETC, INJA, INJB, O2 SNSR A, O2 SNSR B Fuses - 5.3L/6.0L