GM Service Manual Online
For 1990-2009 cars only
Figure 1:

PWR, GND and DLC - 1998


Object Number: 318517  Size: FS
Handling Electrostatic Discharge Sensitive Parts Notice
Handling Electrostatic Discharge Sensitive Parts Notice
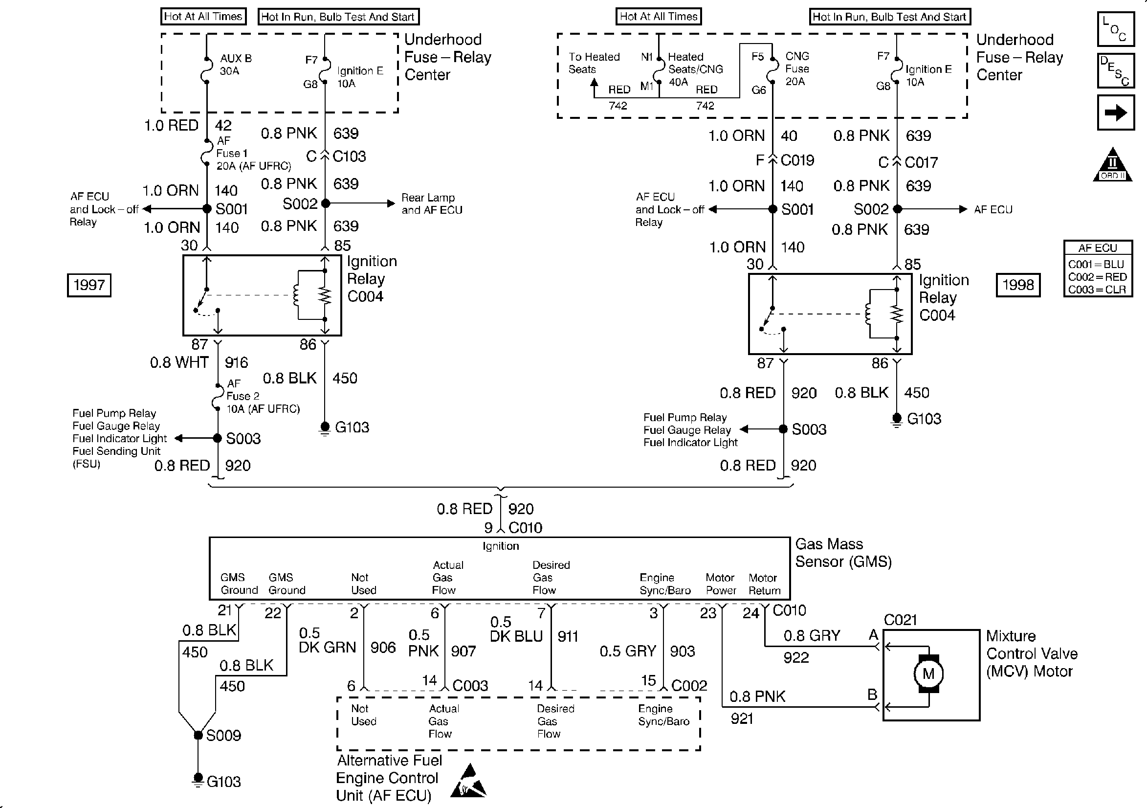
Handling Electrostatic Discharge Sensitive Parts Notice
Engine Controls Schematics (PWR, GND and DLC - 1998)
OBDII Symbol Description Notice
Engine Controls Components
Figure 2:

Engine Controls Schematics (PWR, GND and DLC - 1998)


Object Number: 296484  Size: FS
Engine Controls Components
PWR, GND and DLC - 1998
OBDII Symbol Description Notice
Figure 3:

PWR, GND and DLC - 1997


Object Number: 318519  Size: FS
Handling Electrostatic Discharge Sensitive Parts Notice
Handling Electrostatic Discharge Sensitive Parts Notice
Engine Controls Components
Engine Controls Schematics (PWR, GND and DLC - 1997)
OBDII Symbol Description Notice
Figure 4:

Engine Controls Schematics (PWR, GND and DLC - 1997)


Object Number: 296485  Size: FS
Engine Controls Components
PWR, GND and DLC - 1997
OBDII Symbol Description Notice
Figure 5:

Engine Sensors


Object Number: 318521  Size: FS
Engine Controls Components
Vehicle Control Module Description
Handling Electrostatic Discharge Sensitive Parts Notice
Handling Electrostatic Discharge Sensitive Parts Notice
Engine Sensors
OBDII Symbol Description Notice
Figure 6:

Engine Sensors


Object Number: 318524  Size: FS
Engine Controls Components
Alternative Fuel Engine Control Unit
Handling Electrostatic Discharge Sensitive Parts Notice
Handling Electrostatic Discharge Sensitive Parts Notice
Engine Sensors
Engine Sensors
OBDII Symbol Description Notice
Figure 7:

CNG Fuel Controls


Object Number: 318526  Size: FS
Engine Controls Components
Alternative Fuel Engine Control Unit
Handling Electrostatic Discharge Sensitive Parts Notice
Engine Controls Schematics (CNG Fuel Controls - 1998)
OBDII Symbol Description Notice
Figure 8:

Engine Controls Schematics (CNG Fuel Controls - 1998)


Object Number: 296482  Size: FS
Engine Controls Components
Alternative Fuel Engine Control Unit
CNG Fuel Controls
OBDII Symbol Description Notice
Figure 9:

Engine Controls Schematics (CNG Fuel Controls - 1997)


Object Number: 296483  Size: FS
Engine Controls Components
Alternative Fuel Engine Control Unit
CNG Fuel Controls
OBDII Symbol Description Notice
Figure 10:

Engine Sensors


Object Number: 318530  Size: FS
Engine Controls Components
Vehicle Control Module Description
Handling Electrostatic Discharge Sensitive Parts Notice
Handling Electrostatic Discharge Sensitive Parts Notice
Engine Sensors
OBDII Symbol Description Notice
Engine Sensors
Figure 11:

Engine Sensors


Object Number: 318533  Size: FS
Engine Controls Components
Alternative Fuel Engine Control Unit
Handling Electrostatic Discharge Sensitive Parts Notice
Engine Sensors
OBDII Symbol Description Notice
Figure 12:

EVAP and EGR Controls


Object Number: 318651  Size: FS
Engine Controls Components
Vehicle Control Module Description
Handling Electrostatic Discharge Sensitive Parts Notice
EVAP and EGR Controls
OBDII Symbol Description Notice
Figure 13:

EVAP and EGR Controls


Object Number: 318658  Size: FS
Engine Controls Components
Alternative Fuel Engine Control Unit
Handling Electrostatic Discharge Sensitive Parts Notice
EVAP and EGR Controls
OBDII Symbol Description Notice
Figure 14:

HO2S Sensors 5.7L


Object Number: 318661  Size: FS
Engine Controls Components
Vehicle Control Module Description
HO2S Sensors 5.7L
OBDII Symbol Description Notice
Handling Electrostatic Discharge Sensitive Parts Notice
Figure 15:

HO2S Sensors 5.7L


Object Number: 318662  Size: FS
Engine Controls Components
Alternative Fuel Engine Control Unit
Handling Electrostatic Discharge Sensitive Parts Notice
HO2S Sensors 5.7L
OBDII Symbol Description Notice
Figure 16:

VSS and Cruise Control


Object Number: 318663  Size: FS
Engine Controls Components
Vehicle Control Module Description
Handling Electrostatic Discharge Sensitive Parts Notice
Handling Electrostatic Discharge Sensitive Parts Notice
Handling Electrostatic Discharge Sensitive Parts Notice
Handling Electrostatic Discharge Sensitive Parts Notice
Handling Electrostatic Discharge Sensitive Parts Notice
Handling Electrostatic Discharge Sensitive Parts Notice
VSS and Cruise Control
OBDII Symbol Description Notice
Figure 17:

VSS and Cruise Control


Object Number: 318665  Size: FS
Engine Controls Components
Alternative Fuel Engine Control Unit
Handling Electrostatic Discharge Sensitive Parts Notice
VSS and Cruise Control
OBDII Symbol Description Notice
Figure 18:

A/C Controls - 1997


Object Number: 318666  Size: FS
Engine Controls Components
Vehicle Control Module Description
A/C Controls - 1997
OBDII Symbol Description Notice
Handling Electrostatic Discharge Sensitive Parts Notice
Figure 19:

A/C Controls - 1997


Object Number: 318667  Size: FS
Engine Controls Components
Alternative Fuel Engine Control Unit
Handling Electrostatic Discharge Sensitive Parts Notice
A/C Controls - 1997
OBDII Symbol Description Notice