GM Service Manual Online
For 1990-2009 cars only

Removal Procedure

  1. Remove the compressed natural gas (CNG) fuel tank, brackets and mounting frame. Refer to CNG Fuel Tank Mounting Frame Replacement .
  2. Remove the pickup box. Refer to Pickup Box Replacement in Sheet Metal in the C/K Truck Service Manual.

Installation Procedure


    Object Number: 296496  Size: SH
  1. Install the pickup box. Refer to Pickup Box Replacement in Sheet Metal in the C/K Truck Service Manual.
  2. Install a protective covering on the floor of the pickup box.
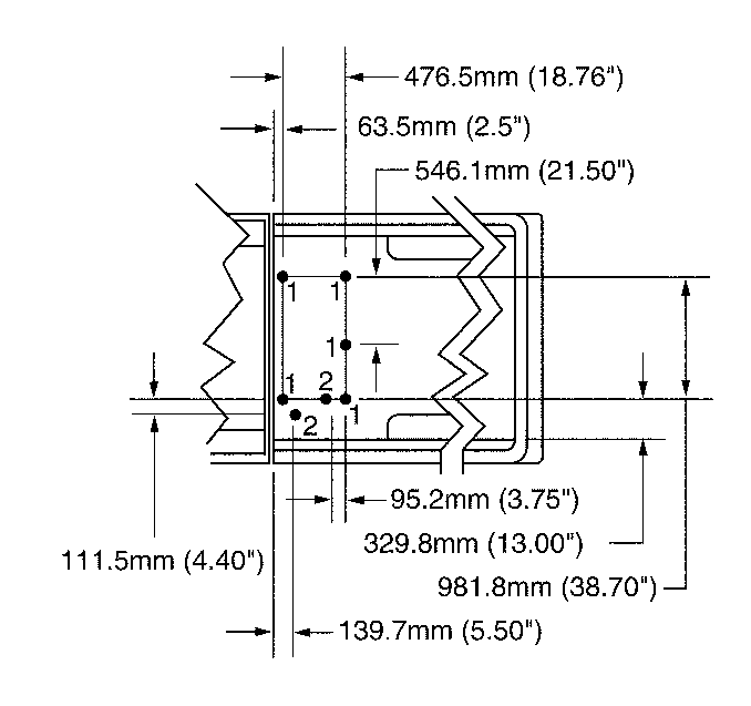
  3. Measure and mark the pickup box floor panel. Verify all the measurements before drilling.
  4. Drill the five holes (1) to 15.88 mm (5/8 in).
  5. Drill the two holes (2) to 25.4 mm (1.0 in).

  6. Object Number: 296497  Size: LH
  7. Align the center hole for the center support bracket (1) with the center hole for the tank mounting frame.
  8. In order to install the center cover support bracket, measure and mark the front pickup box panel. Verify all measurements before drilling.
  9. Drill the three holes (2) to 6.746 mm (17/64 in) diameter.

  10. Object Number: 296499  Size: LH
  11. In order to install the right cover support bracket, measure and mark the front pickup box panel. Verify all measurements before drilling.
  12. Drill the three holes (1) to 6.746 mm (17/64 in) diameter.

  13. Object Number: 296500  Size: LH
  14. Measure and mark the front pickup box panel. Verify all measurements before drilling.
  15. Drill the four holes (1) to 7.177 mm (9/32 in) diameter.

  16. Object Number: 296502  Size: LH
  17. In order to install the left cover support bracket, measure and mark the front pickup box panel. Verify all measurements before drilling.
  18. Drill the three holes (1) to 6.746 mm (17/64 in) diameter.

  19. Object Number: 296503  Size: LH
  20. Measure and mark the front pickup box panel. Verify all measurements before drilling.
  21. Drill the four holes (1) to 7.177 mm (9/32 in) diameter.
  22. Vacuum all metal chips from the pickup box.
  23. Treat each hole with a zinc-rich primer or the equivalent.