GM Service Manual Online
For 1990-2009 cars only
Makes
🢒
GMC_Truck
🢒
2002
🢒
GMC C-Series Medium Duty Truck B7
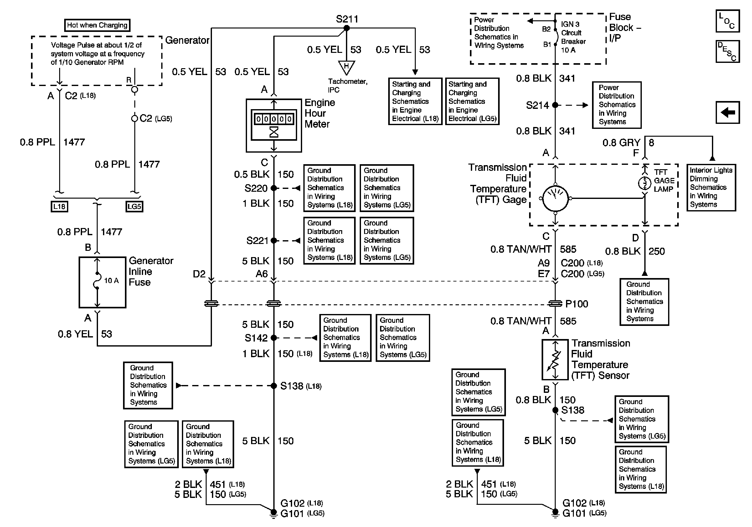
🢒 Instrument Cluster Schematics - EHM, GIF, TFT Gage and Sensor
Instrument Cluster Schematics - EHM, GIF, TFT Gage and Sensor
Engine Hour Meter, Generator Inline Fuse, Transmission Fluid Temperature (TFT) Gage and Sensor
Master Electrical Component List
Audible Warnings Description and Operation
Instrument Cluster Schematics-Stop Lamp Switch Interface Module, MAM
Power Distribution Schematics - IGN 3 Circuit Breaker
Power Distribution Schematics - ACC, B/U, Chassis, ING 1, ING 3 and Start Circuit Breakers
Instrument Cluster Schematics - IPC, Fuel Gage, Gen Chg Ind and Tach
Starting and Charging Schematics - L18 Charging Circuit
Starting and Charging Schematics - LG5 Charging Circuit
02Ground Distribution Schematics - G108, and S220 L18
Ground Distribution Schematics - S220, S229 LG5
Ground Distribution Schematics - G207, G208, and S221 L18
Ground Distribution Schematics - G108, G207, G208 and S221 LG5
Ground Distribution Schematics - G102, and S138 L18
Ground Distribution Schematics - G101, S138, S405 and S409 L18
Ground Distribution Schematics - G102, and S138 L18
Ground Distribution Schematics - S142 and S241 LG5
Ground Distribution Schematics - S142, S178, S179, S405 and S409 L18
Ground Distribution Schematics - G101, S138, S405 and S409 L18
Ground Distribution Schematics - G102, and S138 L18
Ground Distribution Schematics - G101, S138, S405 and S409 L18
Ground Distribution Schematics - G102, and S138 L18
Interior Lights Schematics
Ground Distribution Schematics - G207, G208, and S221 L18