GM Service Manual Online
For 1990-2009 cars only
Makes
🢒
GMC_Truck
🢒
2002
🢒
GMC C Sierra - 2WD
🢒
Engine
🢒
Engine Electrical
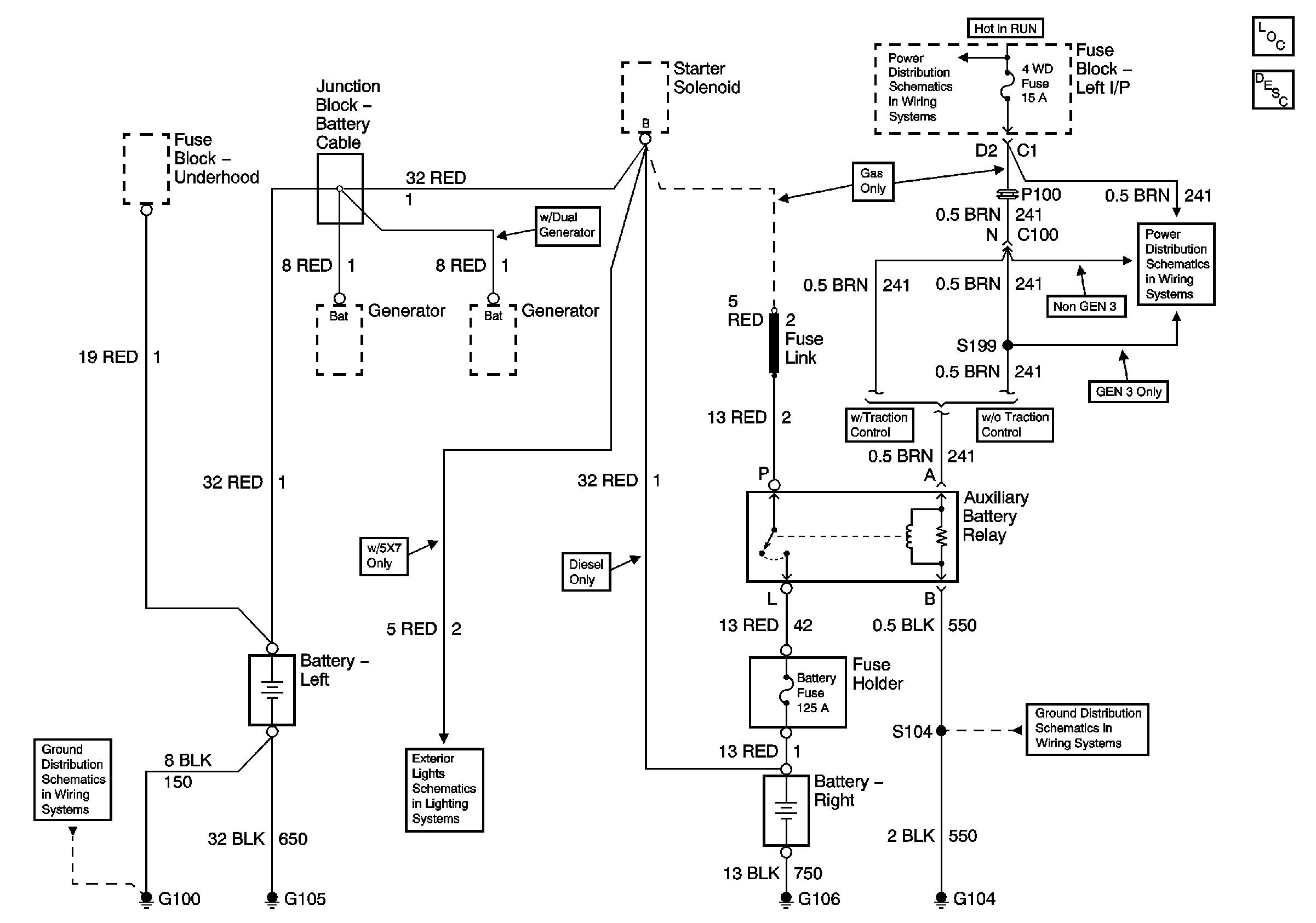
🢒 Auxiliary Battery Schematics
Master Electrical Component List
Battery Description and Operation
4WD, HVAC 1, and IGN 3 Fuses
G104 - Gas
G100 and G110
Emergency Lights w/5X7