GM Service Manual Online
For 1990-2009 cars only

Interior Lights Schematics Base Except CrewCab

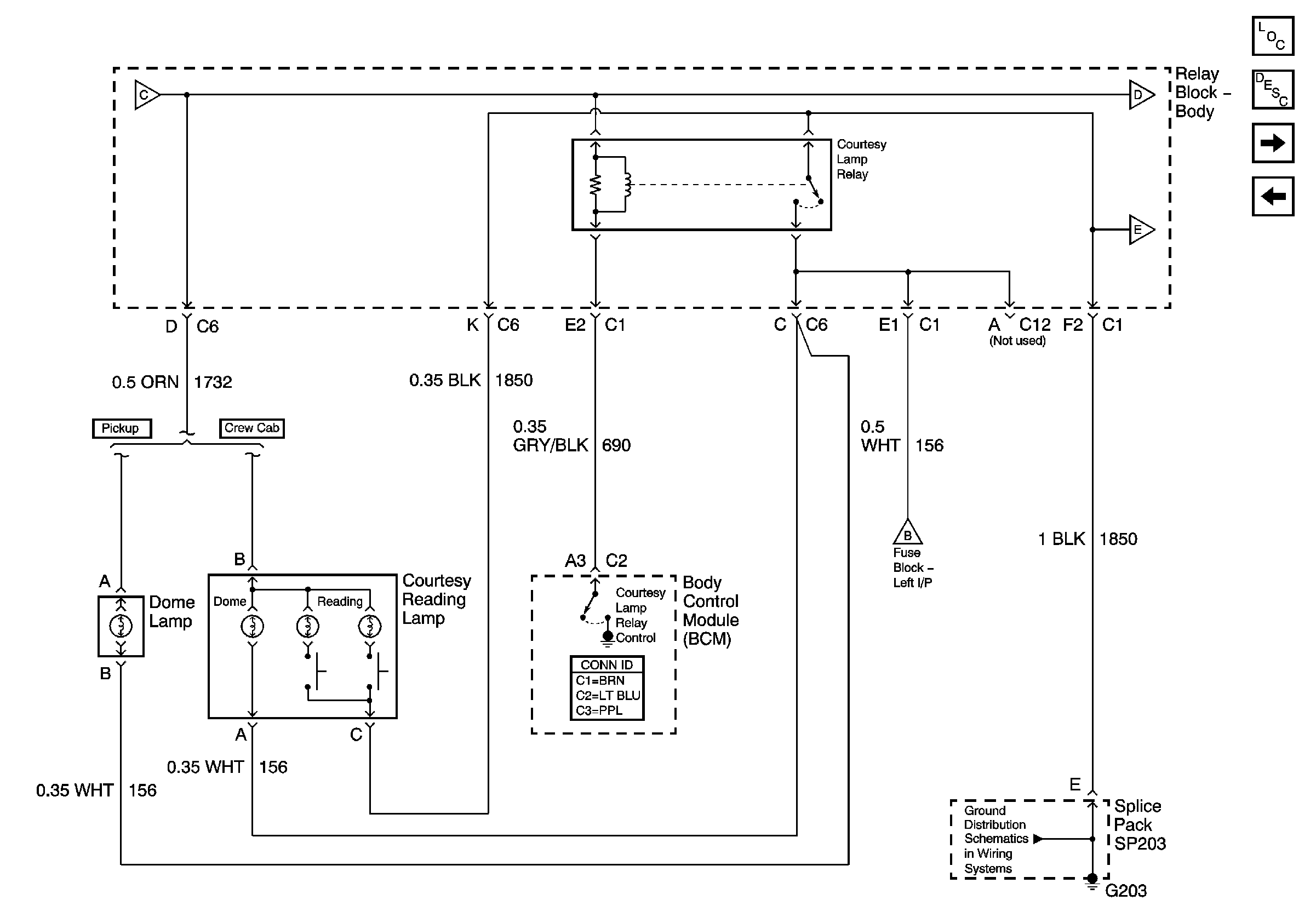
Figure 1:

Courtesy Lamp Control - 1 of 2


Object Number: 775707  Size: FS
Master Electrical Component List
Interior Lighting Systems Description and Operation
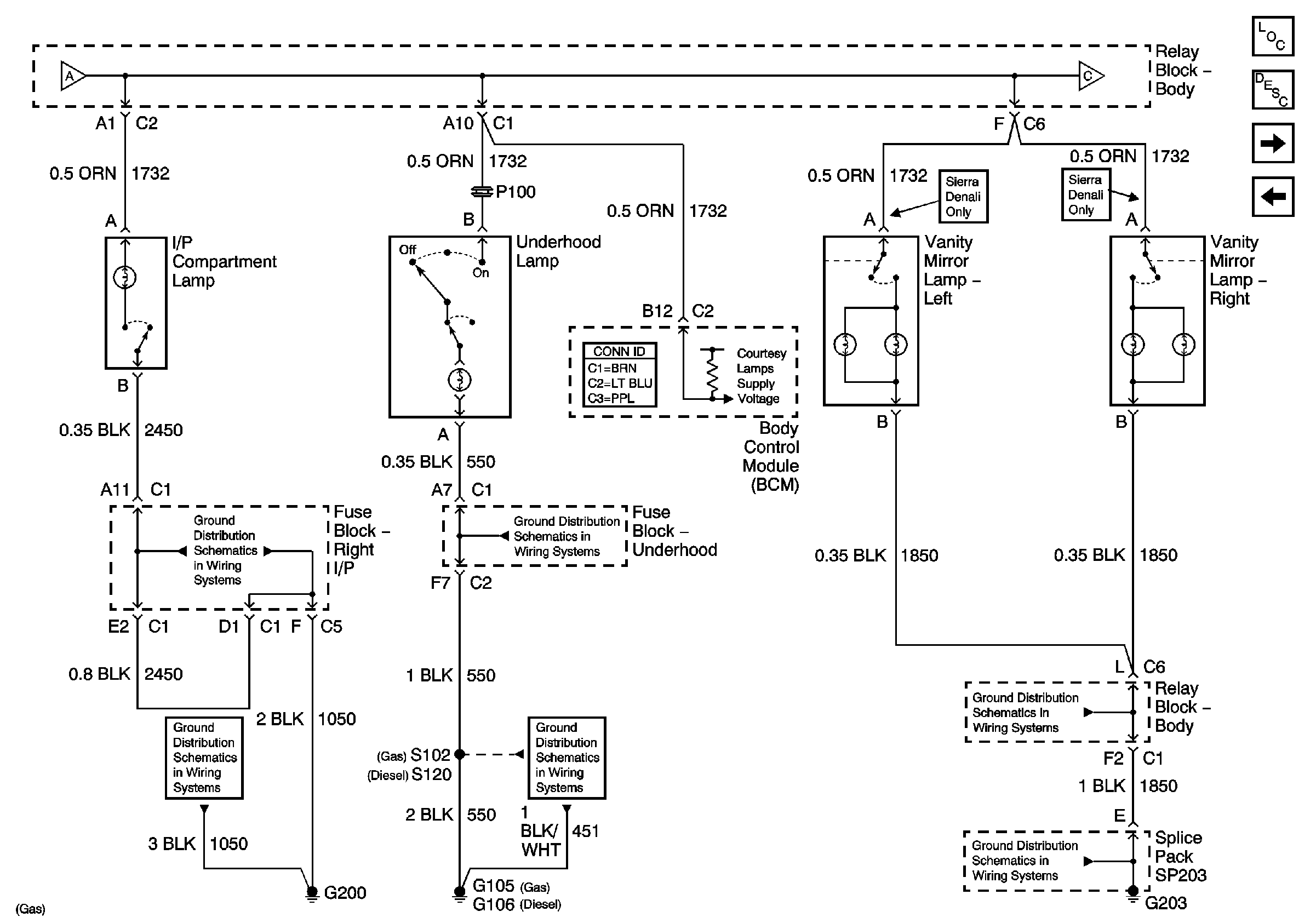
Courtesy Lamp Control - 2 of 2
ABS, HAZ LP, STUD 1, HTD MIR, RR DEFOG, STUD 2, CTSY LP, and PARK LP Fuses
Courtesy Lamp Control - 2 of 2
G203 - 2 of 3 - Base Except Crew Cab
G203 - 1 of 3
Figure 2:

Courtesy Lamp Control - 2 of 2


Object Number: 775721  Size: FS
Master Electrical Component List
Interior Lighting Systems Description and Operation
Parklamp Control
Courtesy Lamp Control - 1 of 2
Courtesy Lamp Control - 1 of 2
G203 - 2 of 3 - Base Except Crew Cab
PARK LPS Fuse, Headlamp Switch and BCM
Cargo/Fog Lamp Switch, DIC, and Steering Wheel Controls
G203 - 2 of 3 - Base Except Crew Cab
G203 - 1 of 3
G104 - Gas
G103 and G105 - Gas
Figure 3:

Park Lamp Relay Control


Object Number: 775729  Size: FS
Master Electrical Component List
Interior Lighting Systems Description and Operation
Door Jamb Switch Signals
Courtesy Lamp Control - 2 of 2
ABS, HAZ LP, STUD 1, HTD MIR, RR DEFOG, STUD 2, CTSY LP, and PARK LP Fuses
PARK LPS Fuse, Headlamp Switch and BCM
Park Lamp Control
G203 - 1 of 3
G203 - 1 of 3
G203 - 1 of 3
Park Lamp Supply and Clearance Lamps
G203 - 2 of 3 - Base Except Crew Cab
G203 - 2 of 3 - Base Except Crew Cab
G203 - 2 of 3 - Base Except Crew Cab
G203 - 2 of 3 - Base Except Crew Cab
Figure 4:

Door Jamb Switch Signals


Object Number: 775751  Size: FS
Master Electrical Component List
Interior Lighting Systems Description and Operation
Parklamp Control
G203 - 1 of 3
G203 - 2 of 3 - Base Except Crew Cab
G203 - 1 of 3
G203 - 1 of 3
G203 - 1 of 3

Interior Lights Schematics Uplevel and Crewcab

Figure 1:

Courtesy Lamp Control - 1 of 4


Object Number: 775884  Size: FS
Master Electrical Component List
Interior Lighting Systems Description and Operation
Courtesy Lamp Control - 2 of 4
ABS, HAZ LP, STUD 1, HTD MIR, RR DEFOG, STUD 2, CTSY LP, and PARK LP Fuses
Courtesy Lamp Control - 2 of 4
Courtesy Lamp Control - 3 of 4
Figure 2:

Courtesy Lamp Control - 2 of 4


Object Number: 775886  Size: FS
Master Electrical Component List
Interior Lighting Systems Description and Operation
Courtesy Lamp Control - 3 of 4
Courtesy Lamp Control - 1 of 4
Courtesy Lamp Control - 1 of 4
Courtesy Lamp Control - 3 of 4
G200
G104 - Gas
G200
G203 - 2 of 3 - Uplevel and Crew Cab
G203 - 1 of 3
G103 and G105 - Gas
Figure 3:

Courtesy Lamp Control - 3 of 4


Object Number: 775888  Size: FS
Master Electrical Component List
Interior Lighting Systems Description and Operation
Courtesy Lamp Control - 4 of 4
Courtesy Lamp Control - 2 of 4
Courtesy Lamp Control - 2 of 4
Courtesy Lamp Control - 4 of 4
Courtesy Lamp Control - 4 of 4
Courtesy Lamp Control - 1 of 4
G203 - 1 of 3
Figure 4:

Courtesy Lamp Control - 4 of 4


Object Number: 796958  Size: FS
Master Electrical Component List
Interior Lighting Systems Description and Operation
Parklamp Controls - 1 of 3
Courtesy Lamp Control - 3 of 4
Courtesy Lamp Control - 3 of 4
Courtesy Lamp Control - 3 of 4
w/Compass and Outside Temp
Parklamp Controls - 1 of 3
Cargo/Fog Lamp Switch, DIC, and Steering Wheel Controls
G203 - 2 of 3 - Uplevel and Crew Cab
G203 - 1 of 3
Cargo/Fog Lamp Switch, DIC, and Steering Wheel Controls
G203 - 2 of 3 - Uplevel and Crew Cab
Figure 5:

Park Lamp Control - 1 of 3


Object Number: 775890  Size: FS
Master Electrical Component List
Interior Lighting Systems Description and Operation
Parklamp Controls - 2 of 3
Courtesy Lamp Control - 4 of 4
ABS, HAZ LP, STUD 1, HTD MIR, RR DEFOG, STUD 2, CTSY LP, and PARK LP Fuses
PARK LPS Fuse, Headlamp Switch and BCM
Park Lamp Control
Parklamp Controls - 2 of 3
Courtesy Lamp Control - 4 of 4
Window Switch Controls
G203 - 1 of 3
G203 - 1 of 3
G203 - 2 of 3 - Uplevel and Crew Cab
Parklamp Controls - 3 of 3
G203 - 1 of 3
Figure 6:

Park Lamp Control - 2 of 3


Object Number: 775897  Size: FS
Master Electrical Component List
Interior Lighting Systems Description and Operation
Parklamp Controls - 3 of 3
Parklamp Controls - 1 of 3
Parklamp Controls - 1 of 3
Parklamp Controls - 3 of 3
Park Lamp Supply and Clearance Lamps
Window and Motor Controls (LR)
Window Switch Controls
Window and Motor Controls (RR)
G200
G200
G305 and G306
G200
G305 and G306
Figure 7:

Park Lamp Control - 3 of 3


Object Number: 775899  Size: FS
Master Electrical Component List
Interior Lighting Systems Description and Operation
Door Jamb Switch Signals - Sierra Denali
Parklamp Controls - 2 of 3
Parklamp Controls - 2 of 3
Parklamp Controls - 1 of 3
Luxury Only
G203 - 2 of 3 - Uplevel and Crew Cab
G203 - 2 of 3 - Uplevel and Crew Cab
G203 - 1 of 3
G203 - 1 of 3
Figure 8:

Door Jamb Switch Signals - Sierra Denali


Object Number: 775895  Size: FS
Master Electrical Component List
Interior Lighting Systems Description and Operation
Door Jamb Switch Signals - Base Crewcab
Parklamp Controls - 3 of 3
Key In Ignition and Turn Signal Chime
Key Cylinder Switches
Key In Ignition and Turn Signal Chime
G203 - 1 of 3
G203 - 1 of 3
G203 - 1 of 3
Key Cylinder Switches
G200
G200
G200
Key Cylinder Switches
Key Cylinder Switches
G200
Figure 9:

Door Jamb Switch Signals - Base Crewcab


Object Number: 775903  Size: FS
Master Electrical Component List
Interior Lighting Systems Description and Operation
Door Jamb Switch Signals - Uplevel Crewcab
Door Jamb Switch Signals - Sierra Denali
G203 - 1 of 3
G203 - 1 of 3
G203 - 1 of 3
G203 - 2 of 3 - Base Except Crew Cab
G203 - 2 of 3 - Base Except Crew Cab
G203 - 1 of 3
G305 and G306
G305 and G306
Figure 10:

Door Jamb Switch Signals - Uplevel Crew Cab


Object Number: 796959  Size: FS
Master Electrical Component List
Interior Lighting Systems Description and Operation
Door Jamb Switch Signals - Base Crewcab
G203 - 1 of 3
G203 - 1 of 3
G203 - 1 of 3
G200
G200
G200
G305 and G306
G305 and G306