GM Service Manual Online
For 1990-2009 cars only
Makes
🢒
GMC_Truck
🢒
2002
🢒
GMC C Sierra - 2WD
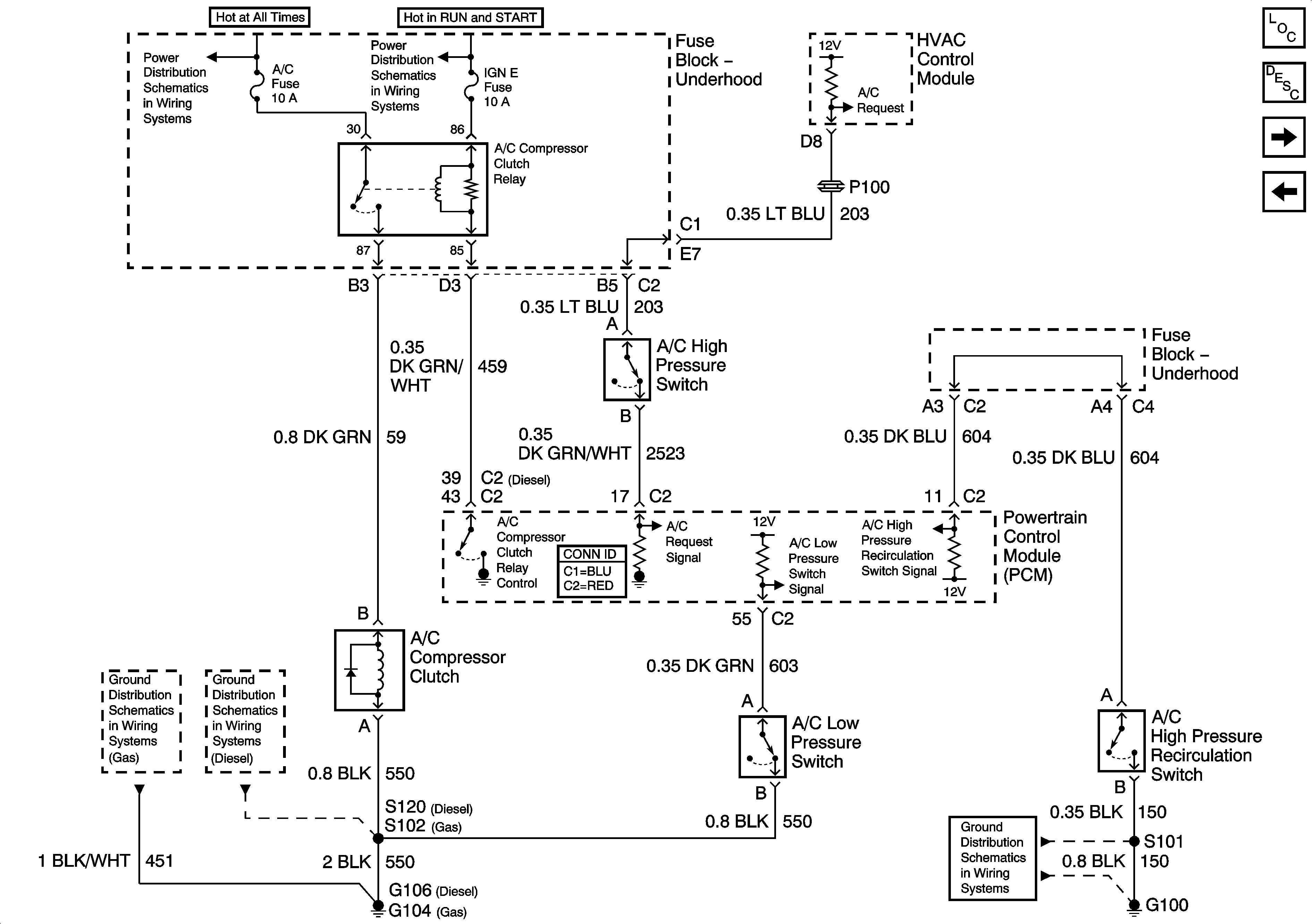
🢒 Compressor Controls
Compressor Controls
Compressor Controls
G104 - Gas
G106 - Diesel
B+ Bus Bar
Ignition, Run, and Start Bus Bar
Master Electrical Component List
Air Temperature Description and Operation
Air Delivery Controls-HVAC Control Assembly Power, Ground and Serial Data
Blower Controls
G100 and G110