GM Service Manual Online
For 1990-2009 cars only
Makes
🢒
GMC_Truck
🢒
2003
🢒
GMC C Sierra - 2WD
🢒
Body and Accessories
🢒
Lighting Systems
🢒 Fog Lights Schematics
Figure
1:
Front
Master Electrical Component List
Exterior Lighting Systems Description and Operation
Rear - Export Only
B+ Bus Bar (Gas) - 1 of 3
LED Dimming Supply Voltage - 2 of 3
I/P Dimming Supply Voltage - 3 of 5
G203-1 of 3
G100, G101, G105
G100, G101, G105
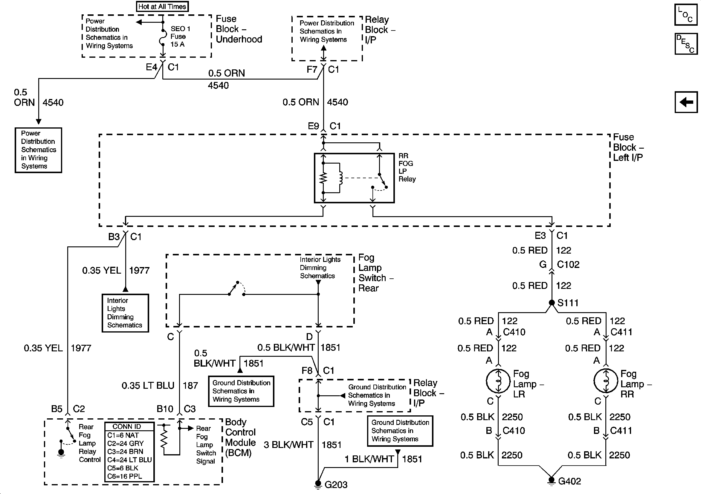
Figure
2:
Rear - Export Only
Master Electrical Component List
Exterior Lighting Systems Description and Operation
Front
B+ Bus Bar (Gas) - 1 of 3
RTD/ECAS, RR WPR, EAP, SUNROOF, IPC/DIC, SEO 1
RTD/ECAS, RR WPR, EAP, SUNROOF, IPC/DIC, SEO 1
LED Dimming Supply Voltage - 1 of 3
I/P Dimming Supply Voltage - 2 of 5
G203-2 of 3
G203-1 of 3
G203-1 of 3