GM Service Manual Online
For 1990-2009 cars only
Makes
🢒
GMC_Truck
🢒
2003
🢒
GMC C Sierra - 2WD
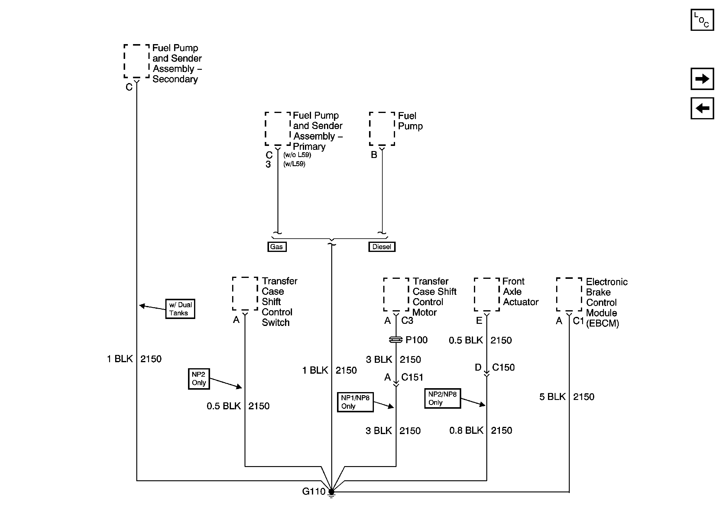
🢒 G110
G110
G110
Master Electrical Component List
G200-1 of 3
G104, G106, G107