GM Service Manual Online
For 1990-2009 cars only

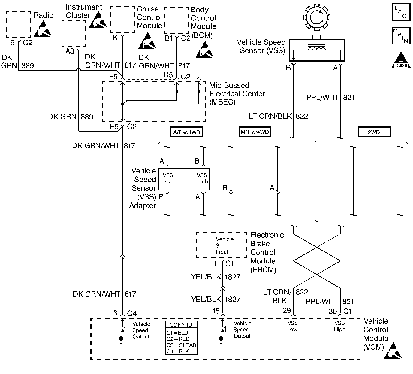
Object Number: 356052  Size: LF
Handling ESD Sensitive Parts Notice
Handling ESD Sensitive Parts Notice
Handling ESD Sensitive Parts Notice
Handling ESD Sensitive Parts Notice
Handling ESD Sensitive Parts Notice
Engine Controls Components
Cell 20: G103, Body Control Module, Electronic Brake Control Module
OBD II Symbol Description Notice

Circuit Description

The vehicle speed sensor (VSS) is a magnetic induction sensor. The VSS is mounted close to the output shaft gear in the transmission. The gear teeth induce an alternating current in the sensor as the output shaft rotates. This frequency is applied to the control module at the rate of 40 cycles per output shaft revolution. The control module calculates the vehicle speed using this AC voltage signal.

If the VSS signal is not detected at any vehicle speed for 5 seconds, this diagnostic trouble code (DTC) will set.

Conditions for Running the DTC

    • No active MAP DTCs
    • The MAP is less than 20 kPa
    • ECT is 60°C (140°F) or more
    • The engine speed is between 1,400-4,400 RPM.
    • The throttle position is less than 3%

Conditions for Setting the DTC

The VCM detects a vehicle speed less than 1 mph (2 km/h) for more than 5 seconds.

Action Taken When the DTC Sets

    • The control module illuminates the malfunction indicator lamp (MIL) if a failure is detected during 2 consecutive key cycles.
    • The control module sets the DTC and records the operating conditions at the time the diagnostic failed. The failure information is stored in the scan tool Freeze Frame/Failure Records.

Conditions for Clearing the MIL or DTC

    • The control module turns OFF the MIL after 3 consecutive drive trips when the test has run and passed.
    • A history DTC will clear if no fault conditions have been detected for 40 warm-up cycles. A warm-up cycle occurs when the coolant temperature has risen 22°C (40°F) from the startup coolant temperature and the engine coolant reaches a temperature that is more than 70°C (158°F) during the same ignition cycle.
    • Use a scan tool in order to clear the DTCs.

Diagnostic Aids

Inspect the face of the vehicle speed sensor for metal shavings. This could result in an intermittent DTC. Also check for the following conditions:

    • A chipped or damaged rotor
    • Incorrect alignment of the rotor to the speed sensor

An intermittent may be caused by any of the following conditions:

    • A poor connection
    • Rubbed through wire insulation
    • A broken wire inside the insulation

Thoroughly check any circuitry that is suspected of causing the intermittent complaint. Refer to Intermittents and Poor Connections Diagnosis in Wiring Systems.

If a repair is necessary, refer to Wiring Repairs or Connector Repairs in Wiring Systems.

Test Description

The numbers below refer to the step numbers in the diagnostic table.

  1. This test checks the AC voltage output of the vehicle speed sensor.

  2. This test checks for an internal transmission problem.

Step

Action

Value(s)

Yes

No

1

Important: Before clearing the DTCs, use the scan tool Capture Info to save the Freeze Frame and Failure Records for reference. The control module's data is deleted once the Clear Info function is used.

Did you perform the Powertrain On-Board Diagnostic (OBD) System Check?

--

Go to Step 2

Go to Powertrain On Board Diagnostic (OBD) System Check

2

  1. Disconnect the vehicle speed sensor connector.
  2. Install a J 39200 DMM set on the AC scale between terminals A and B of the vehicle speed sensor.
  3. Raise the wheels of the vehicle. Refer to Lifting and Jacking the Vehicle in General Information.
  4. Operate the engine at idle with the transmission in gear making sure the driveshaft is rotating .

Is the voltage above the specified value?

0.5 V

Go to Step 3

Go to Step 6

3

Check for an open in the vehicle speed sensor high circuit between the sensor and the VCM.

Did you find a problem?

--

Go to Step 11

Go to Step 4

4

Check for an open in the vehicle speed sensor low circuit between the sensor and the VCM.

Did you find a problem?

--

Go to Step 11

Go to Step 5

5

Check for a short to ground in the vehicle speed sensor high circuit between the sensor and the VCM.

Did you find a problem?

--

Go to Step 11

Go to Step 9

6

  1. Remove the vehicle speed sensor.
  2. Inspect the vehicle speed sensor rotor for damage or misalignment. Refer to Vehicle Speed Sensor in Manual Transmission or Vehicle Speed Sensor Replacement in Automatic Transmission.

Did you find a problem?

--

Go to Step 8

Go to Step 7

7

Replace the vehicle speed sensor. Refer to Vehicle Speed Sensor in Manual Transmission or Vehicle Speed Sensor Replacement in Automatic Transmission.

Is the action complete?

--

Go to Step 13

--

8

Repair or replace the vehicle speed sensor rotor as necessary. Refer to Transmission/Transaxle.

Is the action complete?

--

Go to Step 13

--

9

Check for a poor connection at the vehicle speed sensor.

Did you find a problem?

--

Go to Step 11

Go to Step 10

10

Check for a poor connection at the VCM harness connector.

Did you find a problem?

--

Go to Step 11

Go to Step 12

11

Important: Special procedures are required to repair the twisted/shielded cable contained in this circuit.

Repair the circuit as necessary.

Refer to Wiring Repairs or Connector Repairs in Wiring Systems.

Is the action complete?

--

Go to Step 13

--

12

  1. Replace the VCM.
  2. Program the new VCM. Refer to VCM Replacement/Programming .
  3. Perform the Passlock Reprogramming procedure. Refer to PASSLOCK Reprogramming Seed and Key in Theft Deterrent.
  4. Perform the CKP System Variation Learning Procedure. Refer to Crankshaft Position System Variation Learn .

Is the action complete?

--

Go to Step 13

--

13

  1. Using the scan tool, Clear the DTCs.
  2. Start the Engine.
  3. Allow the engine to idle until the engine reaches normal operating temperature.
  4. Select the DTC and the Specific DTC function.
  5. Enter the DTC number which was set.
  6. Operate the vehicle, with the Condition for Setting this DTC, until the scan tool indicates the diagnostic Ran.

Does the scan tool indicate the diagnostic Passed?

--

Go to Step 14

Go to Step 2

14

Does the scan tool display any additional undiagnosed DTCs?

--

Go to the applicable DTC table

System OK