GM Service Manual Online
For 1990-2009 cars only
Figure 1:

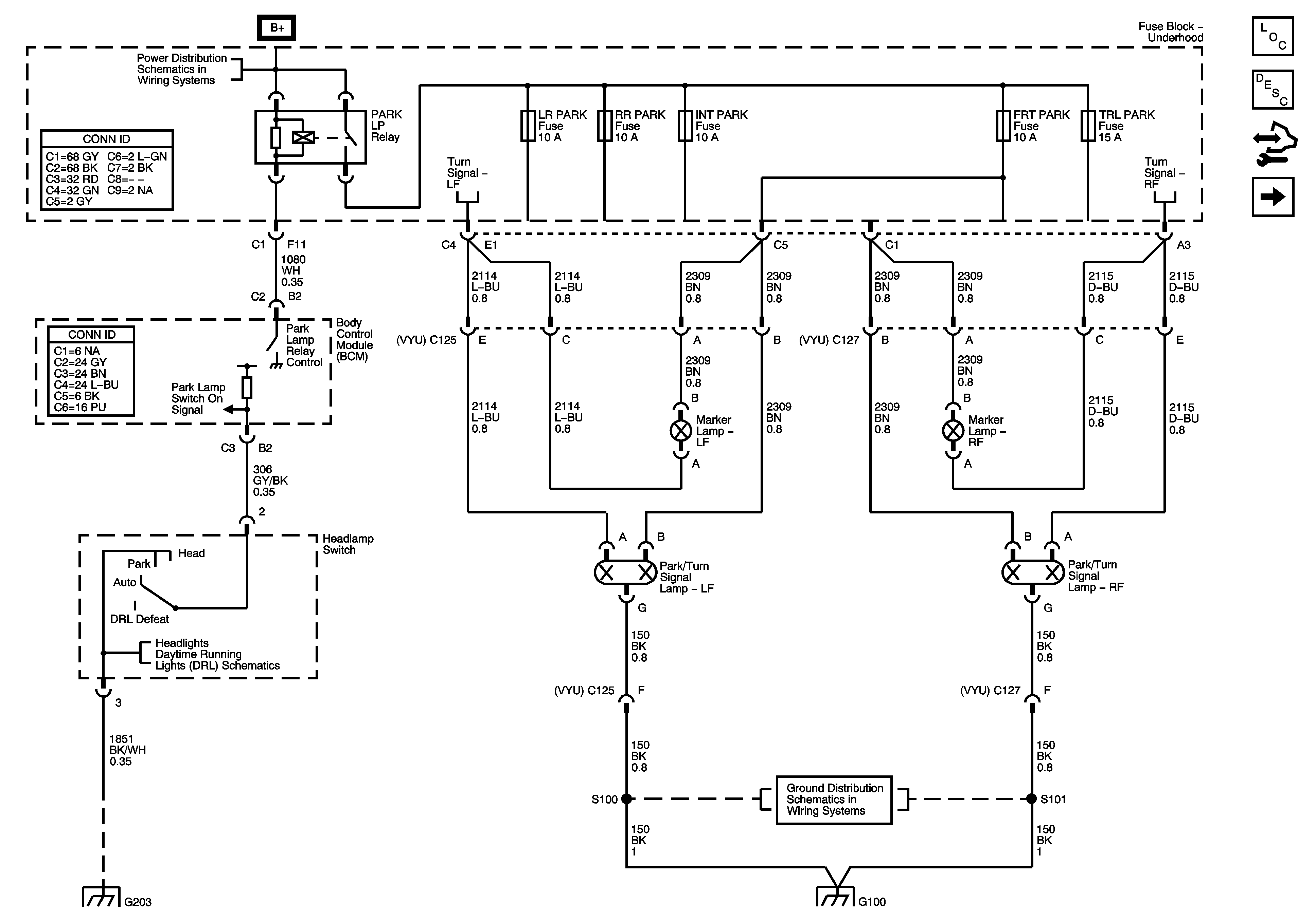
Park Lamp Relay Control and Front Park Lamps


Object Number: 1533486  Size: FS
Master Electrical Component List
Exterior Lighting Systems Description and Operation
Control Module References
Interior Park
B+ Bar Bus
Turn Signals - GMC
Turn Signals - GMC
Headlights/DRL Control
G100, G101, and G102
G203 - 1 of 2
G100, G101, and G102
Figure 2:

Interior Park


Object Number: 1533490  Size: FS
Master Electrical Component List
Exterior Lighting Systems Description and Operation
Control Module References
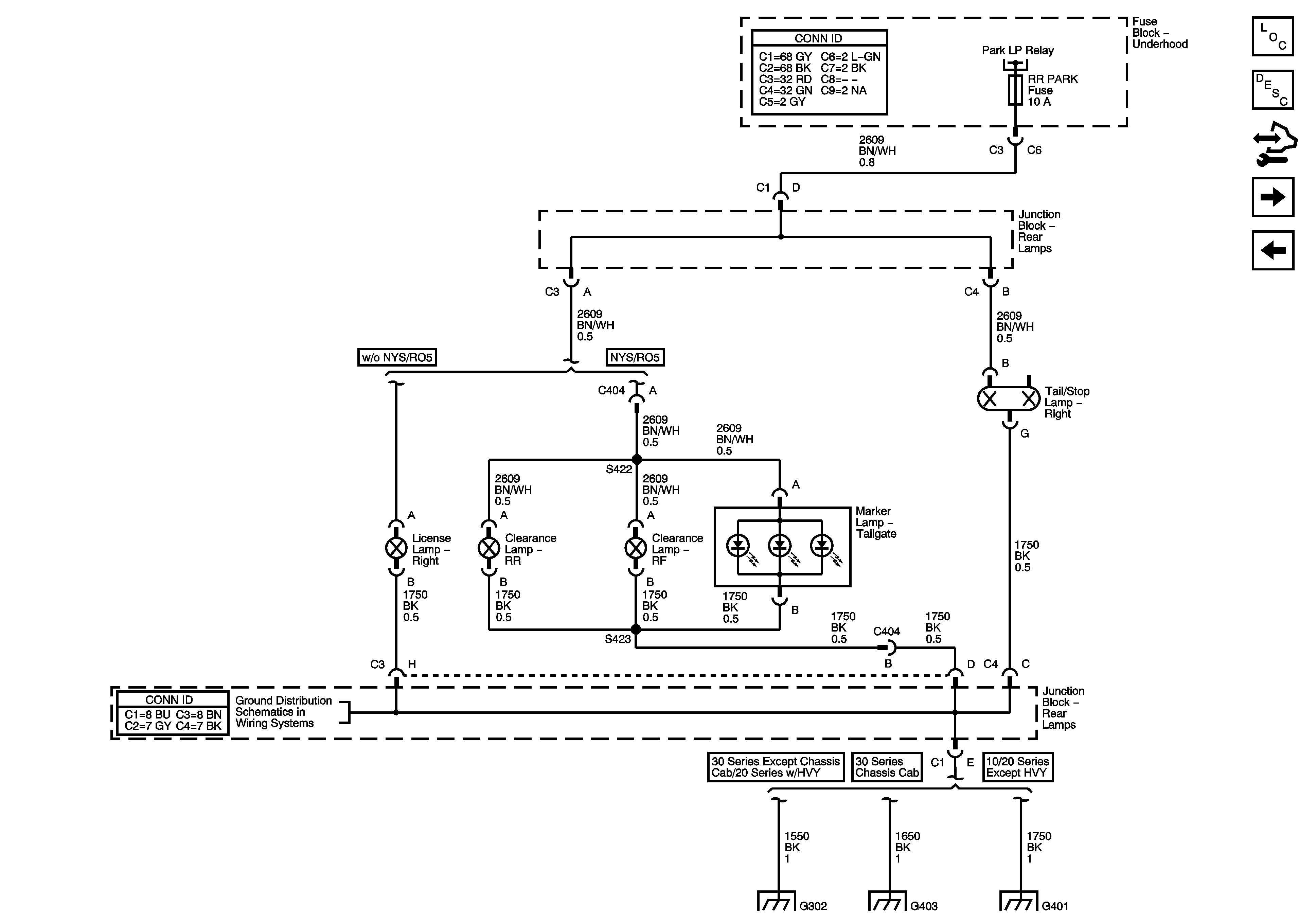
Right Rear Park Lamps - GMC
Park Lamp Relay Control and Front Park Lamps
Park Lamp Relay Control and Front Park Lamps
Trailer and Camper Wiring
G115 and G200 - 1 of 2
Figure 3:

Right Rear Park Lamps - GMC


Object Number: 1533492  Size: FS
Master Electrical Component List
Exterior Lighting Systems Description and Operation
Control Module References
Right Rear Park Lamps - Chevrolet
Interior Park
Park Lamp Relay Control and Front Park Lamps
G302
G302
G403
G401
Figure 4:

Right Rear Park Lamps - Chevrolet


Object Number: 1533493  Size: FS
Master Electrical Component List
Exterior Lighting Systems Description and Operation
Control Module References
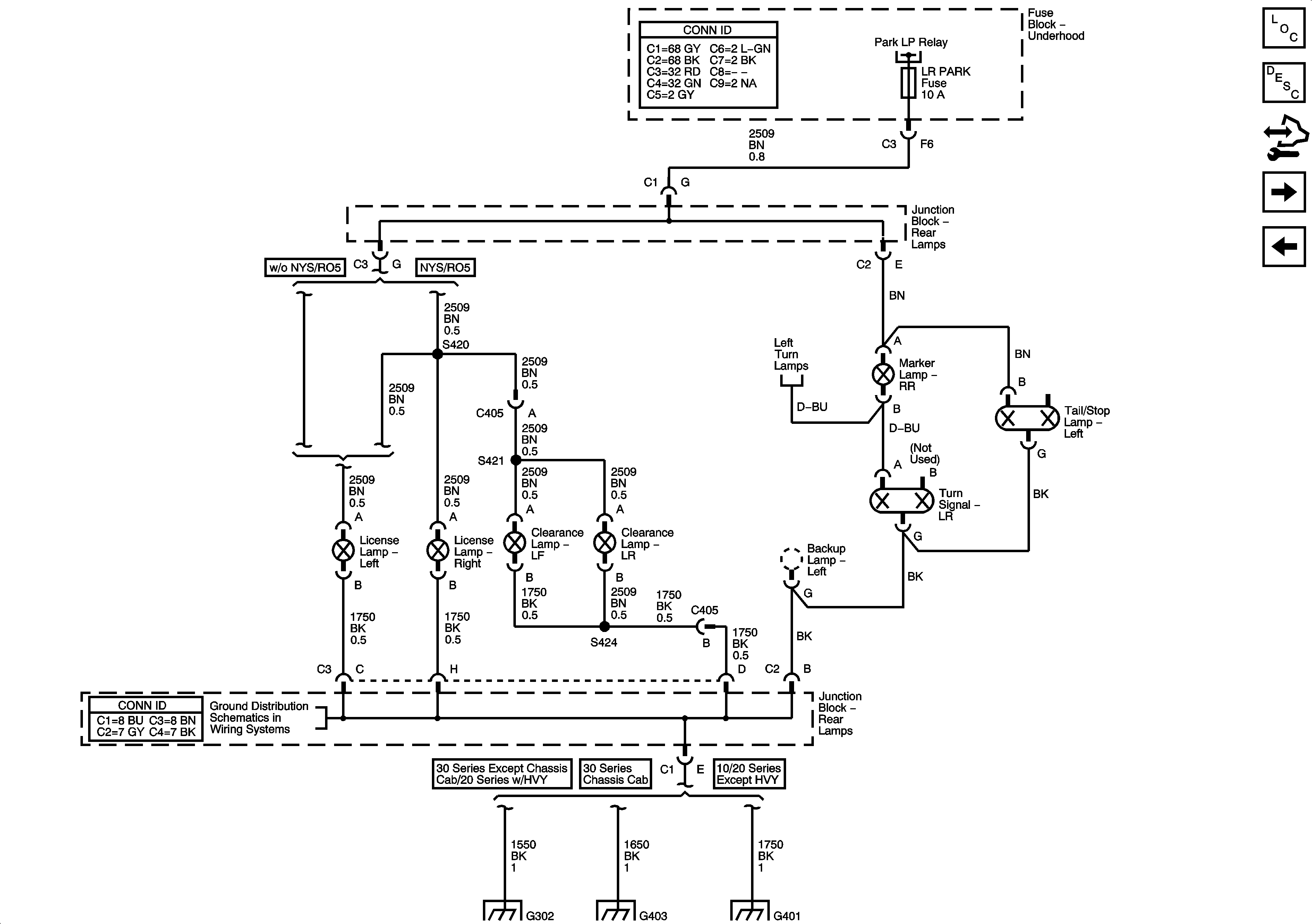
Left Rear Park Lamps - GMC
Right Rear Park Lamps - GMC
Park Lamp Relay Control and Front Park Lamps
Turn Signals - Chevrolet
G302
G302
G403
G401
Figure 5:

Left Rear Park Lamps - GMC


Object Number: 1533496  Size: FS
Master Electrical Component List
Exterior Lighting Systems Description and Operation
Control Module References
Left Rear Park Lamps - Chevrolet
Right Rear Park Lamps - Chevrolet
Park Lamp Relay Control and Front Park Lamps
G302
G302
G403
G401
Figure 6:

Left Rear Park Lamps - Chevrolet


Object Number: 1533498  Size: FS
Master Electrical Component List
Exterior Lighting Systems Description and Operation
Control Module References
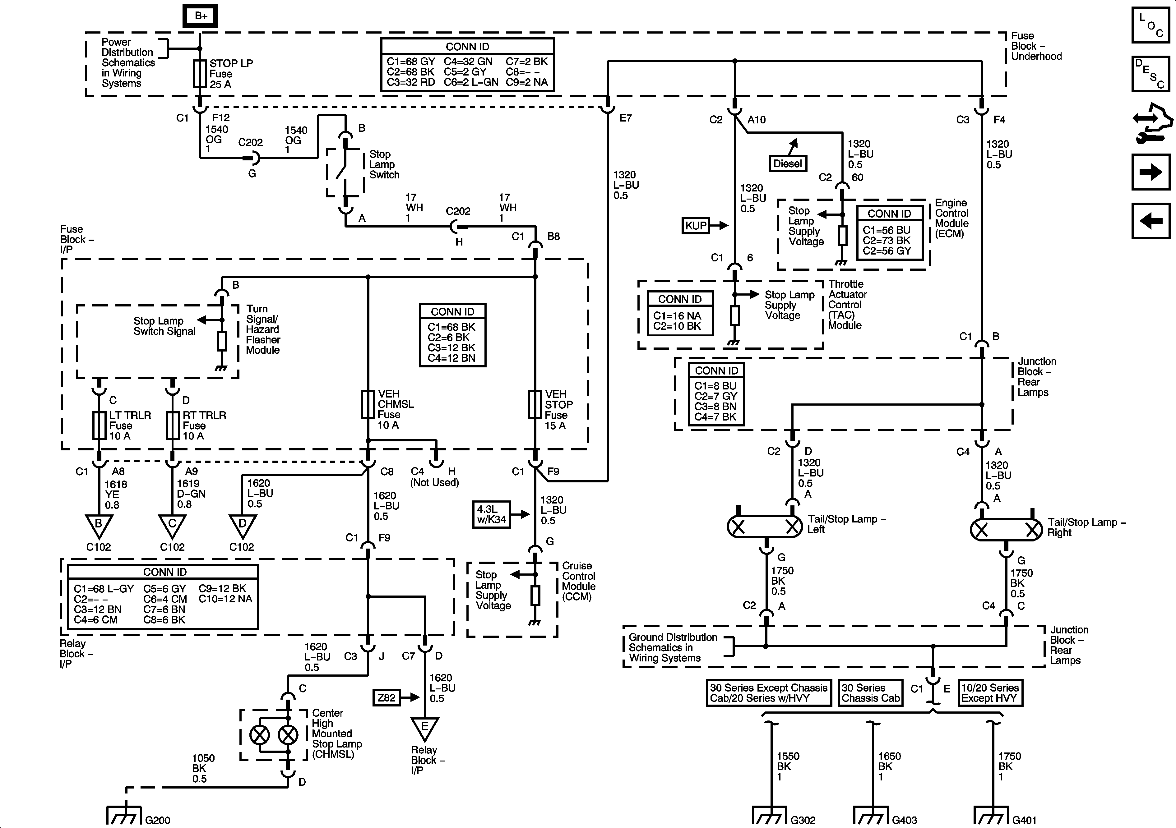
Stop Lamps - GMC
Left Rear Park Lamps - GMC
Park Lamp Relay Control and Front Park Lamps
Turn Signals - Chevrolet
G302
G302
G403
G401
Figure 7:

Stop Lamps - GMC


Object Number: 1533501  Size: FS
Master Electrical Component List
Exterior Lighting Systems Description and Operation
Control Module References
Stop Lamps - Chevrolet
Left Rear Park Lamps - Chevrolet
B+ Bar Bus
Trailer and Camper Wiring
Trailer and Camper Wiring
Trailer and Camper Wiring
G302
Trailer and Camper Wiring
G115 and G200 - 1 of 2
G302
G403
G401
Figure 8:

Stop Lamps - Chevrolet


Object Number: 1533503  Size: FS
Master Electrical Component List
Exterior Lighting Systems Description and Operation
Control Module References
Turn Signal/Hazard Switch and Flasher Module
Stop Lamps - GMC
B+ Bar Bus
Trailer and Camper Wiring
Trailer and Camper Wiring
Trailer and Camper Wiring
G302
Trailer and Camper Wiring
G115 and G200 - 1 of 2
G302
G403
G401
Figure 9:

Turn Signal/Hazard Switch and Flasher Module


Object Number: 1533511  Size: FS
Master Electrical Component List
Exterior Lighting Systems Description and Operation
Control Module References
Turn Signals - GMC
Stop Lamps - Chevrolet
Ignition Switch - ACC/RUN and RUN/START Bus Bars and IGN B Fuse
IGN E and AIRBAG Fuses
G203 - 2 of 2
BLWR, FLASH, HVAC/ECAS, LBEC 1, RR DEFOG, RR HVAC, TBC 2A, TBC 2B, and TBC 2C Fuses and LT DOOR Circuit Breaker
G203 - 2 of 2
G203 - 2 of 2
G203 - 2 of 2
G203 - 1 of 2
Figure 10:

Turn Signals - GMC


Object Number: 1533517  Size: FS
Master Electrical Component List
Exterior Lighting Systems Description and Operation
Control Module References
Turn Signals - Chevrolet
Turn Signal/Hazard Switch and Flasher Module
Turn Signal/Hazard Switch and Flasher Module
Turn Signal/Hazard Switch and Flasher Module
Park Lamp Relay Control and Front Park Lamps
Park Lamp Relay Control and Front Park Lamps
G100, G101, and G102
G302
G100, G101, and G102
G100, G101, and G102
G302
G403
G401
Figure 11:

Turn Signals - Chevrolet


Object Number: 1533521  Size: FS
Master Electrical Component List
Exterior Lighting Systems Description and Operation
Control Module References
Exterior Illumination Lamp
Turn Signals - GMC
Turn Signal/Hazard Switch and Flasher Module
Turn Signal/Hazard Switch and Flasher Module
Park Lamp Relay Control and Front Park Lamps
Left Rear Park Lamps - Chevrolet
G302
G401
G403
Right Rear Park Lamps - Chevrolet
Park Lamp Relay Control and Front Park Lamps
G100, G101, and G102
G302
G100, G101, and G102
G100, G101, and G102
G302
G403
G401
Figure 12:

Exterior Illumination Lamp


Object Number: 1533522  Size: FS
Master Electrical Component List
Exterior Lighting Systems Description and Operation
Control Module References
Backup Lamps
Turn Signals - Chevrolet
Power, Ground, DLC and Splice Pack SP 205
Figure 13:

Backup Lamps


Object Number: 1533525  Size: FS
Master Electrical Component List
Exterior Lighting Systems Description and Operation
Control Module References
Trailer and Camper Wiring
Exterior Illumination Lamp
Ignition Switch - ACC/RUN and RUN/START Bus Bars and IGN B Fuse
BLWR, FLASH, HVAC/ECAS, LBEC 1, RR DEFOG, RR HVAC, TBC 2A, TBC 2B, and TBC 2C Fuses and LT DOOR Circuit Breaker
Shift Lock Control
Controlled/Monitored Subsystem References
Trailer and Camper Wiring
G302
G401
G403
Inside Rearview Mirror Schematics
G401
G302
G403
G302
Figure 14:

Trailer and Camper Wiring


Object Number: 1533529  Size: FS
Master Electrical Component List
Exterior Lighting Systems Description and Operation
Control Module References
Roof Beacon Lighting (5G4/TRW)
Backup Lamps
Park Lamp Relay Control and Front Park Lamps
ABS, AUX HTR PMP, ESCM, HCM-B, MBEC 1, RTD, STUD1, STUD2, TRANS PUMP, VSES/ECAS Fuses and RT DOORS and SEAT Circuit Breakers
Stop Lamps - GMC
Stop Lamps - Chevrolet
Stop Lamps - GMC
Stop Lamps - Chevrolet
Stop Lamps - GMC
Stop Lamps - Chevrolet
Stop Lamps - GMC
Stop Lamps - Chevrolet
G115 and G200 - 1 of 2
Backup Lamps
Interior Park
G302
G403
G401
G115 and G200 - 1 of 2
Figure 15:

Roof Beacon Lighting (5G4/TRW)


Object Number: 1527846  Size: FS
Master Electrical Component List
Exterior Lighting Systems Description and Operation
Control Module References
Emergency Vehicle Lighting - 5Y0
Trailer and Camper Wiring
B+ Bar Bus
IPC/DIC, LH HID, RH HID, SEO B1, SEO B2, and TBC BATT Fuses
IPC/DIC, LH HID, RH HID, SEO B1, SEO B2, and TBC BATT Fuses
LED Dimming Supply - 2 of 2
G304, G305, G306 and G390
Figure 16:

Emergency Vehicle Lighting (5Y0)


Object Number: 1527843  Size: FS
Master Electrical Component List
Exterior Lighting Systems Description and Operation
Control Module References
Wrecker Lighting - 5X7
Roof Beacon Lighting (5G4/TRW)
B+ Bar Bus
ABS, AUX HTR PMP, ESCM, HCM-B, MBEC 1, RTD, STUD1, STUD2, TRANS PUMP, VSES/ECAS Fuses and RT DOORS and SEAT Circuit Breakers
IPC/DIC, LH HID, RH HID, SEO B1, SEO B2, and TBC BATT Fuses
IPC/DIC, LH HID, RH HID, SEO B1, SEO B2, and TBC BATT Fuses
LED Dimming Supply - 2 of 2
G403
G115 and G200 - 1 of 2
Figure 17:

Wrecker Lighting (5X7)


Object Number: 1527850  Size: FS
Master Electrical Component List
Exterior Lighting Systems Description and Operation
Control Module References
Emergency Vehicle Lighting - 5Y0
B+ Bar Bus
IPC/DIC, LH HID, RH HID, SEO B1, SEO B2, and TBC BATT Fuses
Battery Supply - 1 of 2
IPC/DIC, LH HID, RH HID, SEO B1, SEO B2, and TBC BATT Fuses
LED Dimming Supply - 2 of 2
G115 and G200 - 1 of 2