GM Service Manual Online
For 1990-2009 cars only

VERTICAL HEAT SHIELD CRACKING ADD CLAMP OR NEW DESIGN SHIELD

SUBJECT: VERTICAL HEAT SHIELD CRACKING (ADD ADDITIONAL CLAMP AND/OR REDESIGNED SHIELD)

VEHICLES AFFECTED: 1990-91 6H AND 7H WITH VERTICAL EXHAUST

Some owners of 1990 and 1991 TopKick with vertical exhaust (RPO NPT or NPY) may experience a cracking of the heat shield near the mounting bolts. The cracking may be caused by vibrations. The condition can be repaired by adding an additional clamp on the top of the existing heat shield or when necessary, replacing the heat shield with a redesigned shield.

SERVICE PROCEDURE:

ADDITION OF A MOUNTING

1. Inspect the heat shield for cracks. If the heat shield is cracked, install a new heat shield as specified in the INSTALLATION OF NEW HEAT SHIELD procedure below.

2. If the shield is not cracked, install a mounting clamp (P/N 15643043) to the exhaust pipe as shown in Figure 1. Torque the bracket nut to 10.0 N.m. (7.0 ft.lbs. ).

3. Attach the new mounting clamp to the heat shield using two (2) bolts (P/N 2079548), nuts (P/N 9438960), and washers (P/N 9436819) as shown in Figure 1. Torque the heat shield nuts to 25.0 N.m. (18.0 ft.lbs. ) .

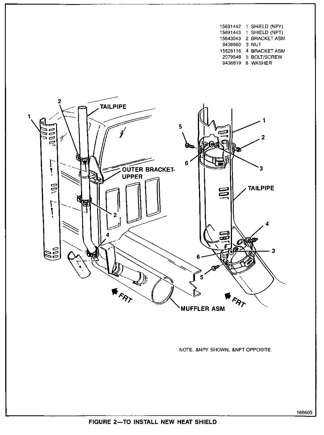
INSTALLATION OF A NEW HEAT SHIELD:

1. Remove the upper heat shield Refer to Figure 2.

2. Transfer the assist handle to the new heat shield.

3. Install a new upper heat shield (P/N 15691443 for RPO NPT) or (P/N 15691442 for RPO NPY) .

4. Torque the heat shield nuts to 25.0 N.m. (18.0 ft.lbs.).

SERVICE PARTS INFORMATION

ADDITION OF A MOUNTING CLAMP

Part Number Description Quantity ----------- ----------- -------- 15643043 Mounting Clamp (Bracket Assembly) 1 2079548 Bolt 2 9438960 Nut 2 9436819 Washer 2

INSTALLATION OF NEW HEAT SHIELD

Part Number Description Quantity ----------- ----------- -------- 15691443 Heat Shield Left Exh. (RPO NPT) 1 15691442 Heat Shield Right Exh. (RPO NPY) 1

WARRANTY INFORMATION

For vehicles repaired under warranty use:

Labour Operation Description Labour Time ---------------- ----------- ----------- L2250 Install Bracket Assembly 0.2 hrs. L2540 R & R Upper and Lower Shield 0.4 hrs.


Object Number: 78925  Size: FS


Object Number: 80047  Size: FS

General Motors bulletins are intended for use by professional technicians, not a "do-it-yourselfer". They are written to inform those technicians of conditions that may occur on some vehicles, or to provide information that could assist in the proper service of a vehicle. Properly trained technicians have the equipment, tools, safety instructions and know-how to do a job properly and safely. If a condition is described, do not assume that the bulletin applies to your vehicle, or that your vehicle will have that condition. See a General Motors dealer servicing your brand of General Motors vehicle for information on whether your vehicle may benefit from the information.