GM Service Manual Online
For 1990-2009 cars only
Makes
🢒
GMC_Truck
🢒
1998
🢒
GMC P42 Commercial Chassis
🢒 Cell 23: Ignition
Cell 23: Ignition
Cell 23: Ignition
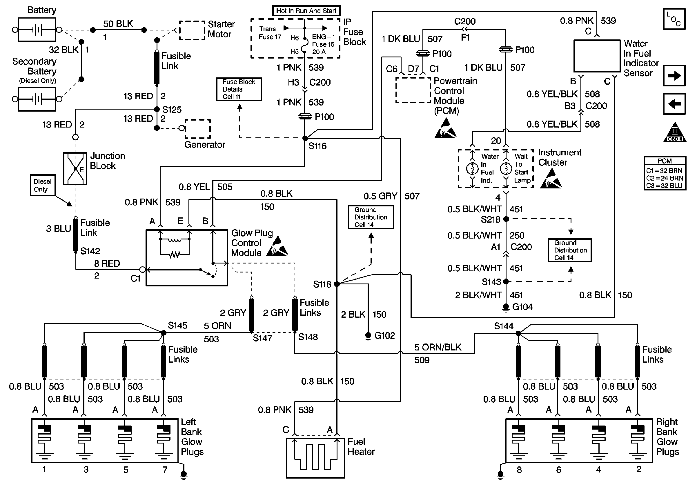
Engine Controls Components L57 MFI
Cell 23: Fuel Controls
Cell 23: Power And Ground
OBD II Symbol Description Notice