GM Service Manual Online
For 1990-2009 cars only

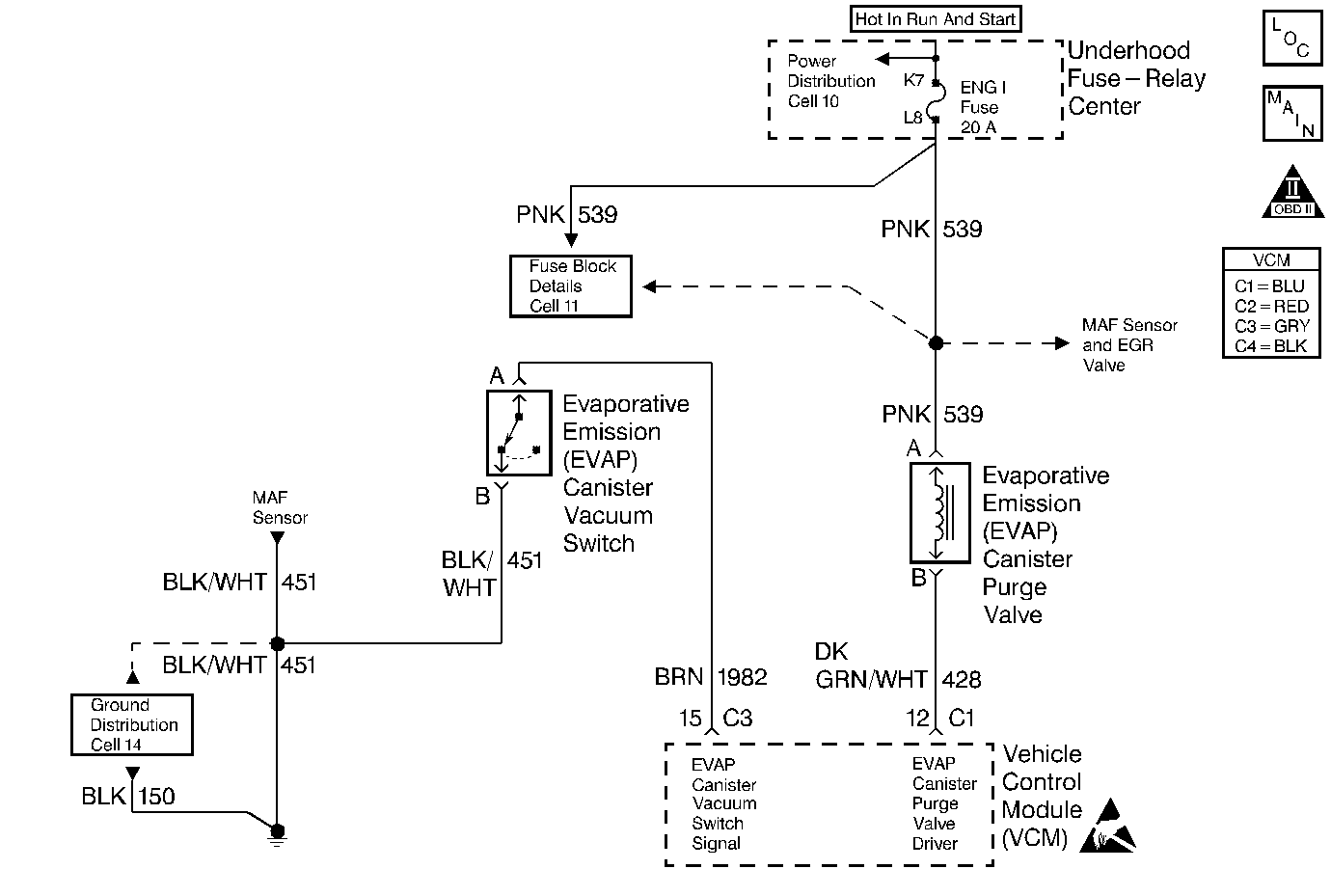
Object Number: 58198  Size: MF
Engine Controls Components
Engine Controls Schematics
OBD II Symbol Description Notice
Handling ESD Sensitive Parts Notice

Circuit Description

The evaporative system includes the following components:

    • The fuel tank
    • The EVAP vent solenoid
    • The fuel tank pressure sensor
    • The fuel pipes and hoses
    • The vapor lines
    • The fuel cap
    • The evaporative emission canister
    • The purge lines
    • The EVAP purge solenoid

The EVAP purge solenoid valve allows the manifold vacuum to purge the canister. The Vehicle Control Module (VCM) supplies a ground in order to energize the solenoid valve (purge ON). The EVAP purge solenoid control by the VCM is Pulse Width Modulated (PWM) or turned ON and OFF several times a second. The duty cycle (pulse width) is determined by the engine operating conditions including the load, the throttle position, the coolant temperature, and the ambient temperature. The duty cycle is calculated by the VCM, and the purge solenoid is commanded ON when certain conditions have been met.

The system checks for conditions that cause the EVAP system to purge continuously by commanding the EVAP vent solenoid ON and the EVAP purge solenoid OFF (EVAP vent solenoid CLOSED, EVAP purge PWM 0%). If the fuel tank pressure level increases during the test, a continuous purge flow condition is indicated. The following items can cause this condition:

    • A leaking EVAP purge solenoid
    • A grounded EVAP purge solenoid driver circuit

If any of these conditions are present, a DTC P1441 sets. This DTC is a type B DTC.

Conditions for Setting the DTC

The following conditions will set the DTC:

  1. No MAP sensor DTCs
  2. No TP sensor DTCs
  3. No VSS DTCs
  4. No ECT DTCs
  5. No IAT sensor DTCs
  6. The IAT is less than 80.25°C
  7. The ECT is not more than 114.7°C
  8. The Power up IAT is greater than 3°C
  9. The Baro is greater than 75 kPa
  10. During the diagnotic test, the VCM detects a continuous open purge flow condition
  11. The difference between ECT and IAT is not more than 9.75°C

Solenoid Off Test

    • Purge DC is less than or equal to 0%
    • Manifold vacuum is greater than or equal to 20 kPa but less than 80 kPa
    • TP is greater than or equal to 0% but less than or equal to 50%
    • Engine speed is greater than 500 RPM but less than 2500 RPM
    • The above must be present for greater than 5 seconds

Action Taken When the DTC Sets

The VCM will turn ON the MIL after 2 consecutive driving cycles with the fault active.

Conditions for Clearing the MIL/DTC

The VCM turns OFF the MIL after 3 consecutive driving trips without a fault condition present. A history DTC will clear if no fault conditions have been detected for 40 warm-up cycles (the coolant temperature has risen 22°C (40°F) from the start-up coolant temperature and the engine coolant temperature exceeds 71°C (160°F) during that same ignition cycle) or the scan tool clearing feature has been used.

Diagnostic Aids

A poor connection, rubbed through wire insulation, or a wire that is broken inside the insulation may cause an intermittent.

Any circuitry, that is suspected as causing the intermittent complaint, should be thoroughly checked for the following conditions:

    • Backed out terminals
    • Improper mating
    • Broken locks
    • Improperly formed or damaged terminals
    • Poor terminal to wiring connections or
    • Physical damage to the wiring harness.

Refer to Intermittent Conditions .

Test Description

The numbers below refer to the step numbers on the diagnostic table.

  1. When commanded by the scan tool, the EVAP. Canister purge solenoid valve should make a clicking noise. This verifies if the VCM has control of solenoid valve.

  2. The canister purge vacuum switch is normally closed when no vacuum (purge) is present. With the key ON and the engine off, there shouldn't be any vacuum (purge) present in the EVAP System.

  3. Determines if the reason the EVAP. Canister purge solenoid valve could not be commanded was the result of a faulty solenoid, faulty wiring or faulty VCM.

  4. Determines if the canister purge vacuum switch, wiring or VCM is at fault.

  5. The VCM supplies a 5 volt reference to the canister purge vacuum switch on the EVAP solenoid control circuit. This step determines if the wiring or VCM is at fault.

  6. If the 5 volt reference was not available to the canister purge vacuum switch and no other DTCs were set, then the connection is faulty or the circuit is open between the sensor and the wiring splice from the 5 volt reference circuit.

Step

Action

Value(s)

Yes

No

1

Important: Before clearing DTCs, use the scan tool in order to record the freeze frame and the failure records for reference because the Clear Info function will lose the data.

Was the Powertrain On-Board Diagnostic (OBD) System Check performed?

--

Go to Step 2

Go to Powertrain On Board Diagnostic (OBD) System Check

2

Important: If DTC P0107 is set, diagnose that DTC first.

  1. Turn ON the ignition leaving the engine off.
  2. Connect the scan tool.
  3. Command the EVAP canister purge solenoid valve ON and OFF.

Does the valve turn ON and OFF when commanded?

--

Go to Step 5

Go to Step 3

3

  1. Disconnect the EVAP solenoid valve electrical connector.
  2. Connect a test lamp between the harness terminals.
  3. Using the scan tool command the EVAP Solenoid ON and OFF.

Does the test lamp flash ON and OFF?

--

Go to Step 4

Go to Step 15

4

Replace the EVAP canister purge solenoid. Refer EVAP Canister Purge Solenoid Replacement.

Is the action complete?

--

Go to Step 16

--

5

Monitor the scan tool display.

Does the display read EVAP Duty Cycle at the specified value?

0%

Go to Diagnostic Aids

Go to Step 6

6

  1. Disconnect Canister Purge vacuum switch electrical connector.
  2. Monitor Scan tool display.

Does display read PURGE?

--

Go to Step 7

Go to Step 11

7

Connect a jumper between terminals A and B and Monitor the scan tool display.

Does the scan tool read NO PURGE?

--

Go to Step 8

Go to Step 11

8

Check connections at Sensor.

Was a problem found?

--

Go to Step 9

Go to Step 10

9

Repair connections at Sensor. Refer to Wiring Repairs in Engine Electrical.

Is the action complete?

--

Go to Step 16

--

10

Replace the Sensor.

Is the action complete?

--

Go to Step 16

--

11

  1. Connect a DVM to ground and probe terminal A.
  2. Monitor the voltage, the voltage should be about the specified value.

Is the voltage about the specified value?

12.0 V

Go to Step 12

Go to Step 14

12

Check for open ground circuit and/or faulty connection.

Was a problem found?

--

Go to Step 13

Go to Step 15

13

Repair the open ground circuit and the faulty connection if necessary. Refer to Wiring Repairs in Engine Electrical.

Is the action complete?

--

Go to Step 16

--

14

  1. Repair open in the 5 volt reference circuit to the Sensor if necessary.
  2. Repair a faulty connection if necessary.

Is the action complete?

--

Go to Step 16

--

15

Replace the VCM.

Important:  If the VCM is faulty, reprogram the VCM. Refer to VCM Replacement/Programming (With KS Calibration PROM) .

Is the action complete?

--

Go to Step 16

--

16

  1. Using the scan tool, select the DTC and the Clear Info.
  2. Start the Engine.
  3. Idle at the normal operating temperature.
  4. Select the DTC and the Specific.
  5. Enter the DTC number which was set.
  6. Operate the vehicle within the conditions for setting this DTC as specified in the supporting text.

Does the scan tool indicate that this diagnostic ran and passed?

--

Go to Step 17

Go to Step 2

17

Using the scan tool, select the Capture Info and the Review Info.

Are any DTCs displayed that have not been diagnosed?

--

Go to The Applicable DTC Table

System OK