GM Service Manual Online
For 1990-2009 cars only

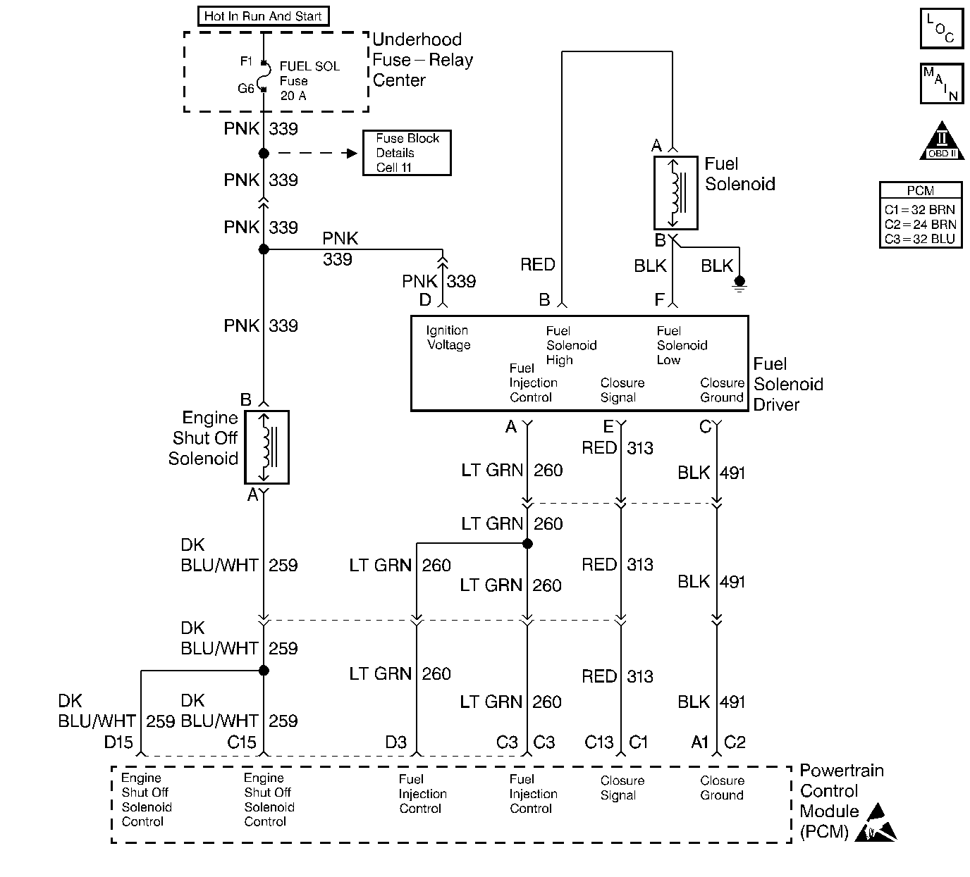
Object Number: 195148  Size: LF
Engine Controls Components
Cell 22: Fuel Controls
OBD II Symbol Description Notice
Handling ESD Sensitive Parts Notice

Circuit Description

This table assumes that battery condition and engine cranking speed is OK, quantity and quality of fuel is OK and glow plug system is operating OK.

Diagnostic Aids

If no trouble is found and the cause of an Engine Cranks But Will Not Run has not been found, check for:

    • Proper cranking speed, 100 RPM cold --180 RPM hot (a scan tool can be used to check the cranking speed by pulling the FUEL SOL fuse and monitoring Engine Speed on the scan tool while cranking).
    • Water or foreign material in fuel system.
    • Basic engine problem.

If the Crankshaft position sensor and the Optical/Fuel Temperature are disconnected or malfunctioning at the same time, a Engine Cranks But Will Not Run condition will exist.

Test Description

The number(s) below refer to the step number(s) on the Diagnostic Table.

  1. This step checks for proper cranking speed (see Diagnostic Aids).

  2. This step will check the ground wire on the injection pump (wire located on top of pump).

  3. This step will determine if the injection pump or wiring is at fault.

  4. This step will determine if the fuel injection control voltage is present by probing at the black/gray 4 wire jumper harness instead of at the 6 wire pump connector.

Step

Action

Value(s)

Yes

No

1

Important: Before clearing the DTCs, use the Scan Tool Capture Info in order to record the Freeze Frame and the failure records for reference, as the data will be lost when the Clear Info function is used.

Was the Powertrain On-Board Diagnostic (OBD) System Check performed?

--

Go to Step 2

Go to Powertrain On Board Diagnostic (OBD) System Check

2

Check for proper condition of batteries. Refer to Engine Electrical.

Is the condition of batteries OK?

--

Go to Step 3

Go to Step 23

3

Check for adequate fuel in the tank.

Is the fuel at an adequate level?

--

Go to Step 4

Go to Step 23

4

Check the quality of fuel. Refer to Fuel System Contamination.

Is the fuel quality OK?

--

Go to Step 5

Go to Step 23

5

Check the glow plug system operation. Refer to Glow Plug System.

Are the glow plugs operating OK?

--

Go to Step 6

Go to Step 23

6

Check for proper cranking speed. Refer to Engine Electrical.

Is the cranking speed OK?

--

Go to Step 7

Go to Step 23

7

Check for a restriction in the fuel return system. Refer to Fuel System.

Does the fuel return system operate properly?

--

Go to Step 8

Go to Step 23

8

Check the injection pump ground wire (located on top of the injection pump).

Is the ground OK?

--

Go to Step 9

Go to Step 23

9

Turn the ignition ON.

Does the MIL come ON?

--

Go to Step 10

Go to Malfunction Indicator Lamp (MIL) Inoperative

10

Install the scan tool.

Does the scan tool display data?

--

Go to Step 11

Go to Data Link Connector Diagnosis

11

  1. Loosen the injector line at the injector.
  2. Crank the engine.
  3. Repeat for the remaining injectors.

Is there fuel at the each injection line?

--

Go to Step 17

Go to Step 12

12

Disconnect the Optical/Fuel temperature sensor.

Does the vehicle start?

--

Go to Step 16

Go to Step 13

13

  1. Reconnect the Optical/Fuel temperature sensor.
  2. Disconnect the fuel solenoid driver at the fuel injection pump.
  3. With J 39200 connected to ground, probe the fuel inject control circuit at the harness terminal (terminal A).
  4. Crank the engine.

Is the voltage greater than or equal to the specified value?

1.2 V

Go to Step 14

Go to Step 18

14

  1. The fuel solenoid driver is still disconnected.
  2. Probe the fuel solenoid closure ground circuit (terminal C) with a test light connected to B+ at the harness terminal.

Is the test light ON?

--

Go to Step 15

Go to Step 19

15

  1. Turn the ignition ON with the engine OFF.
  2. Verify the fuel solenoid is still disconnected.
  3. Probe the ignition feed circuit (terminal D) at the fuel solenoid harness connector with a test light connected to ground.

Is the test light ON?

--

Go to Step 16

Go to Step 21

16

Replace the fuel injection pump. Refer to Fuel Injection Pump Replacement .

Is the action complete?

--

Go to Step 25

--

17

The injection system is OK.

Is the action complete?

--

Go to Symptoms

--

18

Check the fuel inject control circuit for an open or ground between the fuel solenoid driver and the PCM.

Was a problem found?

--

Go to Step 22

Go to Step 20

19

Check the closure ground circuit for an open between the fuel solenoid driver and the PCM.

Was a problem found?

--

Go to Step 22

Go to Step 20

20

Inspect the fuel solenoid driver connector and PCM connector for proper connection.

Was a problem found?

--

Go to Step 22

Go to Step 24

21

Repair the open in the ignition feed circuit.

Is the action complete?

--

Go to Step 25

--

22

Repair the circuit as necessary.

Is the action complete?

--

Go to Step 25

--

23

Make the appropriate repairs.

Is the action complete?

--

Go to Step 25

--

24

Replace the PCM.

Important: The new PCM must be programmed. Refer to Powertrain Control Module Replacement/Programming .

Is the action complete?

--

Go to Step 25

--

25

  1. Use the Scan Tool in order to select DTC, Clear Info.
  2. Attempt to start the engine.

Does the engine start and continue to run?

--

Go to Step 26

Go to Step 2

26

  1. Allow the engine to idle until a normal operating temperature is reached.
  2. Select DTC, Fail This Ign.

Are there any DTCs displayed?

--

Go to Step 27

--

27

Use the Scan Tool in order to select Capture Info, Review Info.

Are there any DTCs displayed that have not been diagnosed?

--

Go to the Applicable DTC Table

System OK