GM Service Manual Online
For 1990-2009 cars only
Makes
🢒
GMC_Truck
🢒
1998
🢒
Savana
🢒 Cell 20: Sensor Controls
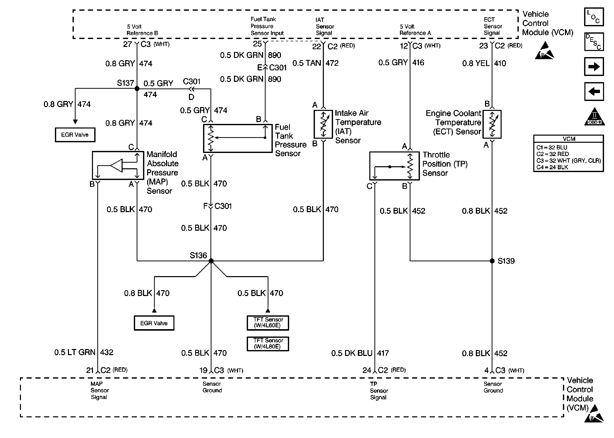
Cell 20: Sensor Controls
Cell 20: Sensor Controls
Engine Controls Components
Information Sensors/Switches Description
Cell 20: EGR and EVAP Controls
Cell 20: Fuel Injector Controls
OBD II Symbol Description Notice
Cell 20: EGR and EVAP Controls
Cell 20: EGR and EVAP Controls
Cell 20: 4L60-E Transmission Switch Controls
Cell 20: 4L80-E Transmission Switch Controls
Handling ESD Sensitive Parts Notice
Handling ESD Sensitive Parts Notice
VCM Connector End Views