GM Service Manual Online
For 1990-2009 cars only
Makes
🢒
GMC_Truck
🢒
1998
🢒
Savana
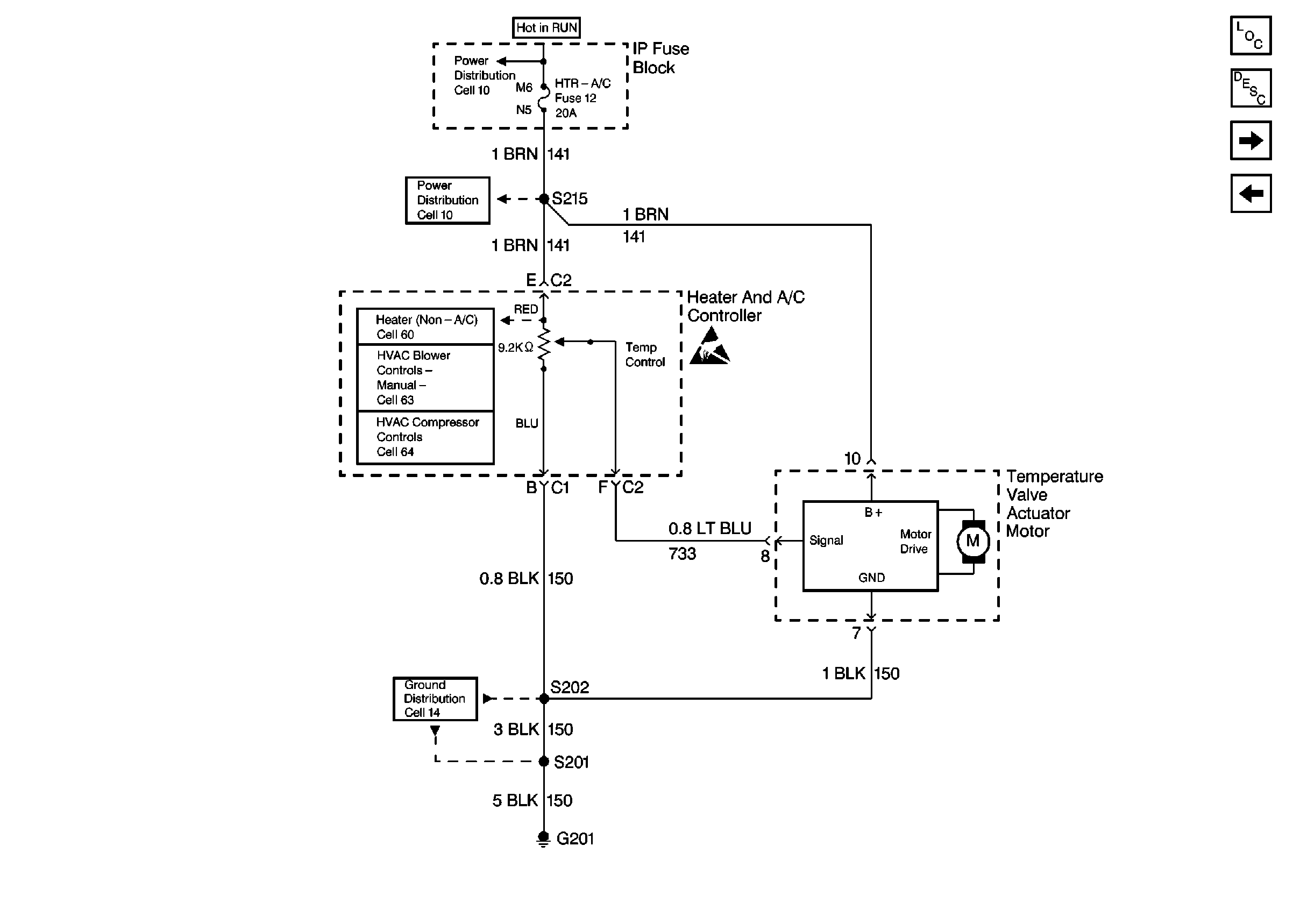
🢒 Cell 65: HTR-A/C Fuse, Front Heater and A/C Controller, G201
Cell 65: HTR-A/C Fuse, Front Heater and A/C Controller, G201
Cell 65: HTR-A/C Fuse, Front Heater and A/C Controller, G201
HVAC Components
HVAC Air Delivery/Temperature Control Circuit Description
Cell 65: RR HVAC Fuse, Front and Rear Auxiliary HVAC Control Modules, Heater and A/C Control Logic Module
Cell 65: Vacuum System
Cell 10: Ignition Switch, RR BLOWER, RR HVAC, BRAKE, HTR AC, CRUISE, RADIO, WIPER, PWR WDO, TRANS, CRANK Fuses
Cell 10: Ignition Switch, RR BLOWER, RR HVAC, BRAKE, HTR AC, CRUISE, RADIO, WIPER, PWR WDO, TRANS, CRANK Fuses
Cell 60: BLOWER and HTR-A/C Fuses, Blower Motor, G103
Cell 63: BLOWER and HTR-A/C Fuses, Blower Controls, Blower Motor, G103
Cell 64: HTR-A/C Fuse, A/C Compressor High Pressure Cutoff Switch, A/C Compressor Low Pressure Cutout Switch (Diesel), G201
Handling ESD Sensitive Parts Notice
Ground Distribution Schematics Domestic