GM Service Manual Online
For 1990-2009 cars only

Ground Distribution Schematics Domestic

Figure 1:

Cell 14: G108 and G109 (Sealed Beam Headlamps)


Object Number: 321307  Size: FS
Power and Grounding Components
Cell 14: G108 and G109 (Composite Headlamps)
Figure 2:

Cell 14: G108 and G109 (Composite Headlamps)


Object Number: 321454  Size: FS
Power and Grounding Components
Cell 14: Battery, Auxiliary Battery (Diesel Engines Only), G100, G104,G105, G106, G110, G112, G300
Cell 14: G108 and G109 (Sealed Beam Headlamps)
Figure 3:

Cell 14: Battery, Auxiliary Battery (Diesel Engines Only), G100, G104, G105, G106, G110, G112, G300


Object Number: 321456  Size: FS
Power and Grounding Components
Cell 14: G201
Cell 14: G108 and G109 (Composite Headlamps)
Cell 14: G201
Cell 14: G201
Figure 4:

Cell 14: G201


Object Number: 321461  Size: FS
Power and Grounding Components
Cell 14: G200; C201, C208, C210 (G201)
Cell 14: Battery, Auxiliary Battery (Diesel Engines Only), G100, G104,G105, G106, G110, G112, G300
Handling ESD Sensitive Parts Notice
Cell 14: Battery, Auxiliary Battery (Diesel Engines Only), G100, G104,G105, G106, G110, G112, G300
Cell 14: Battery, Auxiliary Battery (Diesel Engines Only), G100, G104,G105, G106, G110, G112, G300
Cell 14: G200; C201, C208, C210 (G201)
Cell 14: G200; C201, C208, C210 (G201)
Cell 14: G200; C201, C208, C210 (G201)
Cell 14: S202 (G200)
Figure 5:

Cell 14: G200; C201, C208, C210 (G201)


Object Number: 321462  Size: FS
Power and Grounding Components
Cell 14: S500, P500, C211 (G200)
Cell 14: G201
Cell 14: G201
Cell 14: G201
Cell 14: G201
Cell 14: S500, P500, C211 (G200)
Cell 14: S601, P600, C212 (G200)
Handling ESD Sensitive Parts Notice
Handling ESD Sensitive Parts Notice
Figure 6:

Cell 14: S500, P500, C211 (G200)


Object Number: 321463  Size: FS
Power and Grounding Components
Cell 14: S601, P600, C212 (G200)
Cell 14: G200; C201, C208, C210 (G201)
Cell 14: G200; C201, C208, C210 (G201)
Figure 7:

Cell 14: S601, P600, C212 (G200)


Object Number: 321465  Size: FS
Power and Grounding Components
Cell 14: S202 (G200)
Cell 14: S500, P500, C211 (G200)
Cell 14: G200; C201, C208, C210 (G201)
Figure 8:

Cell 14: S202 (G200)


Object Number: 321466  Size: FS
Power and Grounding Components
Cell 14: G202; C203, C204 (G200)
Cell 14: S601, P600, C212 (G200)
Cell 14: G201
Cell 14: G202; C203, C204 (G200)
Cell 14: G202; C203, C204 (G200)
Handling ESD Sensitive Parts Notice
Handling ESD Sensitive Parts Notice
Handling ESD Sensitive Parts Notice
Handling ESD Sensitive Parts Notice
Figure 9:

Cell 14: G202; C203, C204 (G200)


Object Number: 321467  Size: FS
Power and Grounding Components
Cell 14: G101 (4.3L)
Cell 14: S202 (G200)
SIR Caution
SIR Caution
Handling ESD Sensitive Parts Notice
Cell 14: S202 (G200)
Cell 14: S202 (G200)
Figure 10:

Cell 14: G101 (4.3L)


Object Number: 321470  Size: FS
Power and Grounding Components
Cell 14: G102, C105, Heated Oxygen Sensor, Bank 2 Sensor 1 (G103) (4.3L)
Cell 14: G202; C203, C204 (G200)
Handling ESD Sensitive Parts Notice
Handling ESD Sensitive Parts Notice
Handling ESD Sensitive Parts Notice
Handling ESD Sensitive Parts Notice
Cell 14: G103 (4.3L)
Figure 11:

Cell 14: G102, C105, Heated Oxygen Sensor, Bank 2 Sensor 1 (G103) (4.3L)


Object Number: 321471  Size: FS
Power and Grounding Components
Cell 14: Underhood Fuse-Relay Center, Horns, Ignition Control Module(4.3L)
Cell 14: G101 (4.3L)
Handling ESD Sensitive Parts Notice
Cell 14: Underhood Fuse-Relay Center, Horns, Ignition Control Module(4.3L)
Cell 14: Underhood Fuse-Relay Center, Horns, Ignition Control Module(4.3L)
Figure 12:

Cell 14: Underhood Fuse-Relay Center, Horns, Ignition Control Module (4.3L)


Object Number: 321472  Size: FS
Power and Grounding Components
Cell 14: G103 (4.3L)
Cell 14: G102, C105, Heated Oxygen Sensor, Bank 2 Sensor 1 (G103) (4.3L)
Cell 14: G102, C105, Heated Oxygen Sensor, Bank 2 Sensor 1 (G103) (4.3L)
Cell 14: G102, C105, Heated Oxygen Sensor, Bank 2 Sensor 1 (G103) (4.3L)
Cell 14: G103 (4.3L)
Cell 14: G103 (4.3L)
Figure 13:

Cell 14: G103 (4.3L)


Object Number: 321475  Size: FS
Power and Grounding Components
Cell 14: G101 (5.0L, 5.7L)
Cell 14: Underhood Fuse-Relay Center, Horns, Ignition Control Module(4.3L)
Cell 14: Underhood Fuse-Relay Center, Horns, Ignition Control Module(4.3L)
Cell 14: Underhood Fuse-Relay Center, Horns, Ignition Control Module(4.3L)
Cell 14: G101 (4.3L)
Figure 14:

Cell 14: G101 (5.0L, 5.7L)


Object Number: 321476  Size: FS
Power and Grounding Components
Cell 14: G102; S101 (G103) (5.0L, 5.7L)
Cell 14: G103 (4.3L)
Handling ESD Sensitive Parts Notice
Handling ESD Sensitive Parts Notice
Handling ESD Sensitive Parts Notice
Handling ESD Sensitive Parts Notice
Cell 14: Heated Oxygen Sensor Bank 2 Sensor 1, Heated Oxygen Sensor Bank 1 Sensor 1, C105 (G103) (5.0L, 5.7L)
Figure 15:

Cell 14: G102; S101 (G103) (5.0L, 5.7L)


Object Number: 321478  Size: FS
Power and Grounding Components
Cell 14: Heated Oxygen Sensor Bank 2 Sensor 1, Heated Oxygen Sensor Bank 1 Sensor 1, C105 (G103) (5.0L, 5.7L)
Cell 14: G101 (5.0L, 5.7L)
Handling ESD Sensitive Parts Notice
Cell 14: Heated Oxygen Sensor Bank 2 Sensor 1, Heated Oxygen Sensor Bank 1 Sensor 1, C105 (G103) (5.0L, 5.7L)
Cell 14: G103 (5.0L, 5.7L)
Figure 16:

Cell 14: Heated Oxygen Sensor Bank 2 Sensor 1, Heated Oxygen Sensor Bank 1 Sensor 1, C105 (G103) (5.0L, 5.7L)


Object Number: 321479  Size: FS
Power and Grounding Components
Cell 14: G103 (5.0L, 5.7L)
Cell 14: G102; S101 (G103) (5.0L, 5.7L)
Cell 14: G102; S101 (G103) (5.0L, 5.7L)
Cell 14: G103 (5.0L, 5.7L)
Cell 14: G101 (5.0L, 5.7L)
Figure 17:

Cell 14: G103 (5.0L, 5.7L)


Object Number: 321481  Size: FS
Power and Grounding Components
Cell 14: G101 (7.4L)
Cell 14: Heated Oxygen Sensor Bank 2 Sensor 1, Heated Oxygen Sensor Bank 1 Sensor 1, C105 (G103) (5.0L, 5.7L)
Cell 14: Heated Oxygen Sensor Bank 2 Sensor 1, Heated Oxygen Sensor Bank 1 Sensor 1, C105 (G103) (5.0L, 5.7L)
Cell 14: Heated Oxygen Sensor Bank 2 Sensor 1, Heated Oxygen Sensor Bank 1 Sensor 1, C105 (G103) (5.0L, 5.7L)
Cell 14: G102; S101 (G103) (5.0L, 5.7L)
Cell 14: G101 (5.0L, 5.7L)
Figure 18:

Cell 14: G101 (7.4L)


Object Number: 321483  Size: FS
Power and Grounding Components
Cell 14: G102, C105, Heated Oxygen Sensor Bank 2 Sensor 1, Starter Relay (G103) (7.4L)
Cell 14: G103 (5.0L, 5.7L)
Handling ESD Sensitive Parts Notice
Handling ESD Sensitive Parts Notice
Handling ESD Sensitive Parts Notice
Handling ESD Sensitive Parts Notice
Cell 14: G103 (7.4L)
Figure 19:

Cell 14: G102, C105, Heated Oxygen Sensor Bank 2 Sensor 1, Starter Relay (G103) (7.4L)


Object Number: 321484  Size: FS
Power and Grounding Components
Cell 14: G103 (7.4L)
Cell 14: G101 (7.4L)
Handling ESD Sensitive Parts Notice
Cell 14: G103 (7.4L)
Cell 14: G103 (7.4L)
Cell 14: G103 (7.4L)
Figure 20:

Cell 14: G103 (7.4L)


Object Number: 321485  Size: FS
Power and Grounding Components
Cell 14: G101 (7.4L)
Cell 14: G101 (7.4L)
Cell 14: S101 (G103) (7.4L)
Cell 14: G102, C105, Heated Oxygen Sensor Bank 2 Sensor 1, Starter Relay (G103) (7.4L)
Cell 14: G102, C105, Heated Oxygen Sensor Bank 2 Sensor 1, Starter Relay (G103) (7.4L)
Cell 14: G102, C105, Heated Oxygen Sensor Bank 2 Sensor 1, Starter Relay (G103) (7.4L)
Cell 14: G102, C105, Heated Oxygen Sensor Bank 2 Sensor 1, Starter Relay (G103) (7.4L)
Cell 14: S101 (G103) (7.4L)
Figure 21:

Cell 14: S101 (G103) (7.4L)


Object Number: 321486  Size: FS
Power and Grounding Components
Cell 14: G101, G102 (6.5L)
Cell 14: G103 (7.4L)
Cell 14: G103 (7.4L)
Cell 14: G103 (7.4L)
Figure 22:

Cell 14: G101, G102 (6.5L)


Object Number: 321487  Size: FS
Power and Grounding Components
Cell 14: G103 (6.5L)
Cell 14: S101 (G103) (7.4L)
Cell 14: G103 (6.5L)
Figure 23:

Cell 14: G103 (6.5L)


Object Number: 321488  Size: FS
Power and Grounding Components
Cell 14: C301, D102, Horns, Starter Relay, Fuel Heater (G103) (6.5L)
Cell 14: G101, G102 (6.5L)
Cell 14: G101, G102 (6.5L)
Cell 14: C301, D102, Horns, Starter Relay, Fuel Heater (G103) (6.5L)
Cell 14: C301, D102, Horns, Starter Relay, Fuel Heater (G103) (6.5L)
Cell 14: C301, D102, Horns, Starter Relay, Fuel Heater (G103) (6.5L)
Cell 14: C301, D102, Horns, Starter Relay, Fuel Heater (G103) (6.5L)
Cell 14: C301, D102, Horns, Starter Relay, Fuel Heater (G103) (6.5L)
Cell 14: C301, D102, Horns, Starter Relay, Fuel Heater (G103) (6.5L)
Cell 14: C301, D102, Horns, Starter Relay, Fuel Heater (G103) (6.5L)
Figure 24:

Cell 14: C301, D102, Horns, Starter Relay, Fuel Heater (G103) (6.5L)


Object Number: 321489  Size: FS
Power and Grounding Components
Cell 14: G400
Cell 14: G103 (6.5L)
Cell 14: G103 (6.5L)
Cell 14: G103 (6.5L)
Cell 14: G103 (6.5L)
Cell 14: G103 (6.5L)
Cell 14: G103 (6.5L)
Cell 14: G103 (6.5L)
Cell 14: G103 (6.5L)
Figure 25:

Cell 14: G400


Object Number: 321490  Size: FS
Power and Grounding Components
Cell 14: C219, C405 (G400)
Cell 14: C301, D102, Horns, Starter Relay, Fuel Heater (G103) (6.5L)
Cell 14: C219, C405 (G400)
Figure 26:

Cell 14: C219, C405 (G400)


Object Number: 321491  Size: FS
Power and Grounding Components
Cell 14: G401, G402
Cell 14: G400
Cell 14: G400
Figure 27:

Cell 14: G401, G402


Object Number: 321492  Size: FS
Power and Grounding Components
Cell 14: C219, C405 (G400)

Ground Distribution Schematics Export

Figure 1:

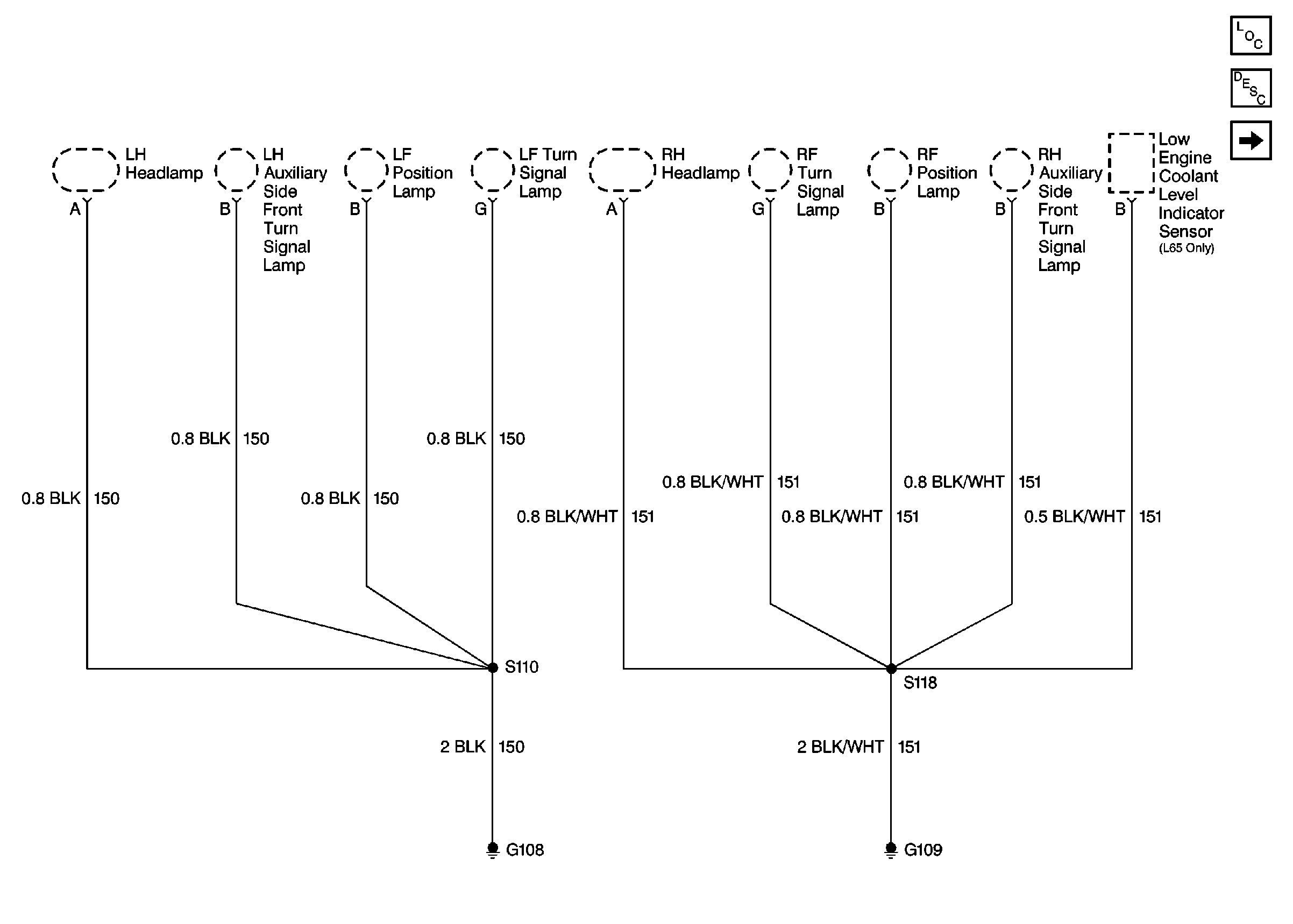
Cell 14: G108, G109


Object Number: 355360  Size: FS
Power and Grounding Components
Cell 14: G100, G104, G105, G106, G110, G112, And G300
Figure 2:

Cell 14: G100, G104, G105, G106, G110, G112, And G300


Object Number: 355361  Size: FS
Power and Grounding Components
Cell 14: G201
Cell 14: G108, G109
Cell 14: G201
Cell 14: G201
Figure 3:

Cell 14: G201


Object Number: 355362  Size: FS
Power and Grounding Components
Cell 14: G200
Cell 14: G100, G104, G105, G106, G110, G112, And G300
Handling ESD Sensitive Parts Notice
Handling ESD Sensitive Parts Notice
Cell 14: G200
Cell 14: G200
Cell 14: G200
Cell 14: Instrument Panel, S202
Cell 14: G100, G104, G105, G106, G110, G112, And G300
Cell 14: G100, G104, G105, G106, G110, G112, And G300
Figure 4:

Cell 14: G200


Object Number: 355363  Size: FS
Power and Grounding Components
Cell 14: Left Front Door Components, C211
Cell 14: G201
Handling ESD Sensitive Parts Notice
Handling ESD Sensitive Parts Notice
Cell 14: Left Front Door Components, C211
Cell 14: Right Front Door Components, C212
Cell 14: G201
Cell 14: G201
Cell 14: G201
Figure 5:

Cell 14: Left Front Door Components, C211


Object Number: 355365  Size: FS
Power and Grounding Components
Cell 14: Right Front Door Components, C212
Cell 14: G200
Cell 14: G200
Figure 6:

Cell 14: Right Front Door Components, C212


Object Number: 355366  Size: FS
Power and Grounding Components
Cell 14: Instrument Panel, S202
Cell 14: Left Front Door Components, C211
Cell 14: G200
Figure 7:

Cell 14: Instrument Panel, S202


Object Number: 355368  Size: FS
Power and Grounding Components
Cell 14: G202, IPS205, SSML204
Cell 14: Right Front Door Components, C212
Cell 14: G202, IPS205, SSML204
Cell 14: G202, IPS205, SSML204
Cell 14: G101, (4.3L Gas)
Handling ESD Sensitive Parts Notice
Handling ESD Sensitive Parts Notice
Handling ESD Sensitive Parts Notice
Handling ESD Sensitive Parts Notice
Figure 8:

Cell 14: G202, IPS205, SSML204


Object Number: 355370  Size: FS
Power and Grounding Components
Cell 14: G101, (4.3L Gas)
Cell 14: Instrument Panel, S202
Handling ESD Sensitive Parts Notice
SIR Handling Caution
SIR Handling Caution
Cell 14: Instrument Panel, S202
Cell 14: Instrument Panel, S202
Figure 9:

Cell 14: G101, (4.3L Gas)


Object Number: 355373  Size: FS
Power and Grounding Components
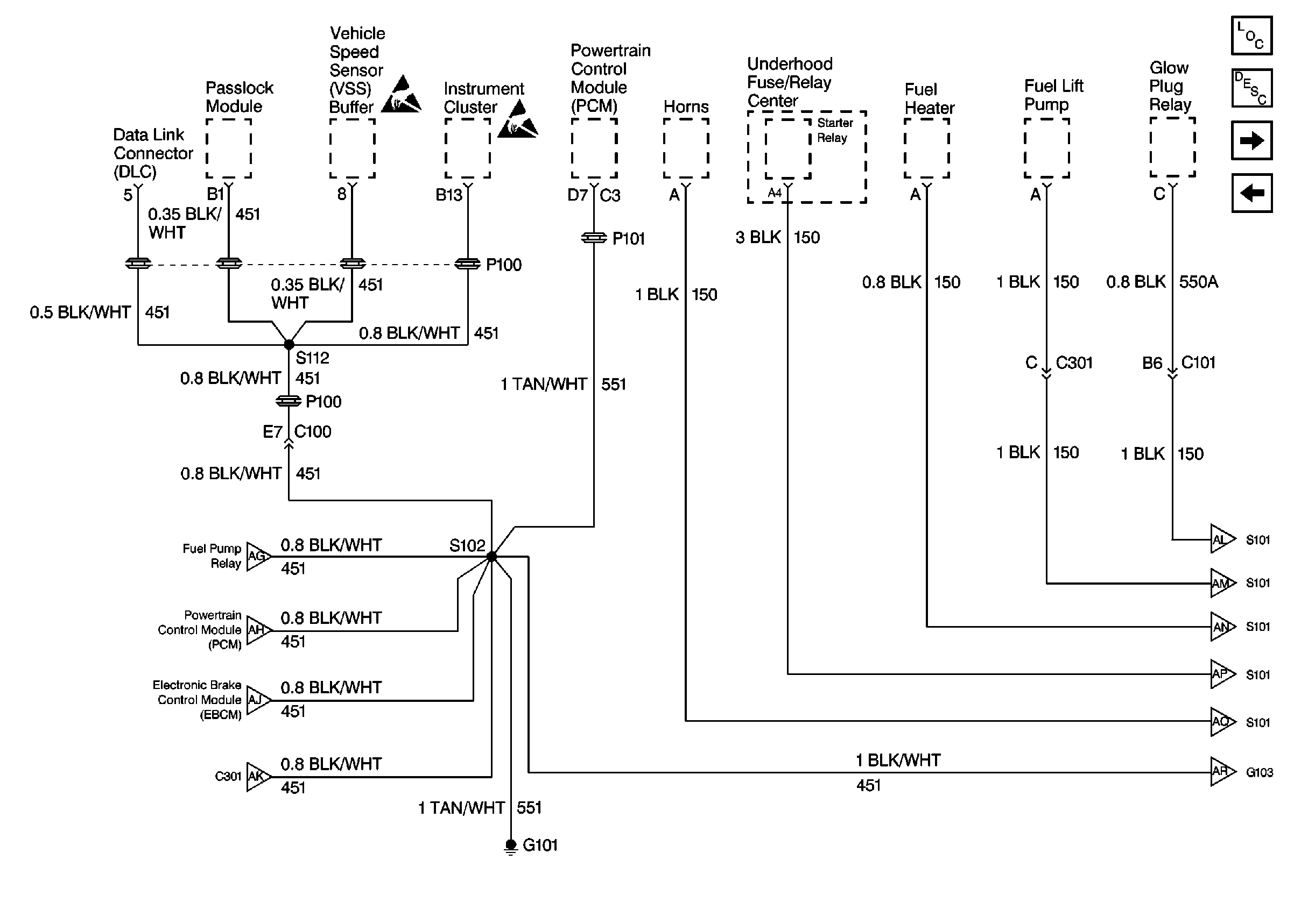
Cell 14: G102, Heated Oxygen Sensor
Cell 14: G202, IPS205, SSML204
Handling ESD Sensitive Parts Notice
Cell 14: G103
Handling ESD Sensitive Parts Notice
Handling ESD Sensitive Parts Notice
Handling ESD Sensitive Parts Notice
Figure 10:

Cell 14: G102, Heated Oxygen Sensor


Object Number: 355435  Size: FS
Power and Grounding Components
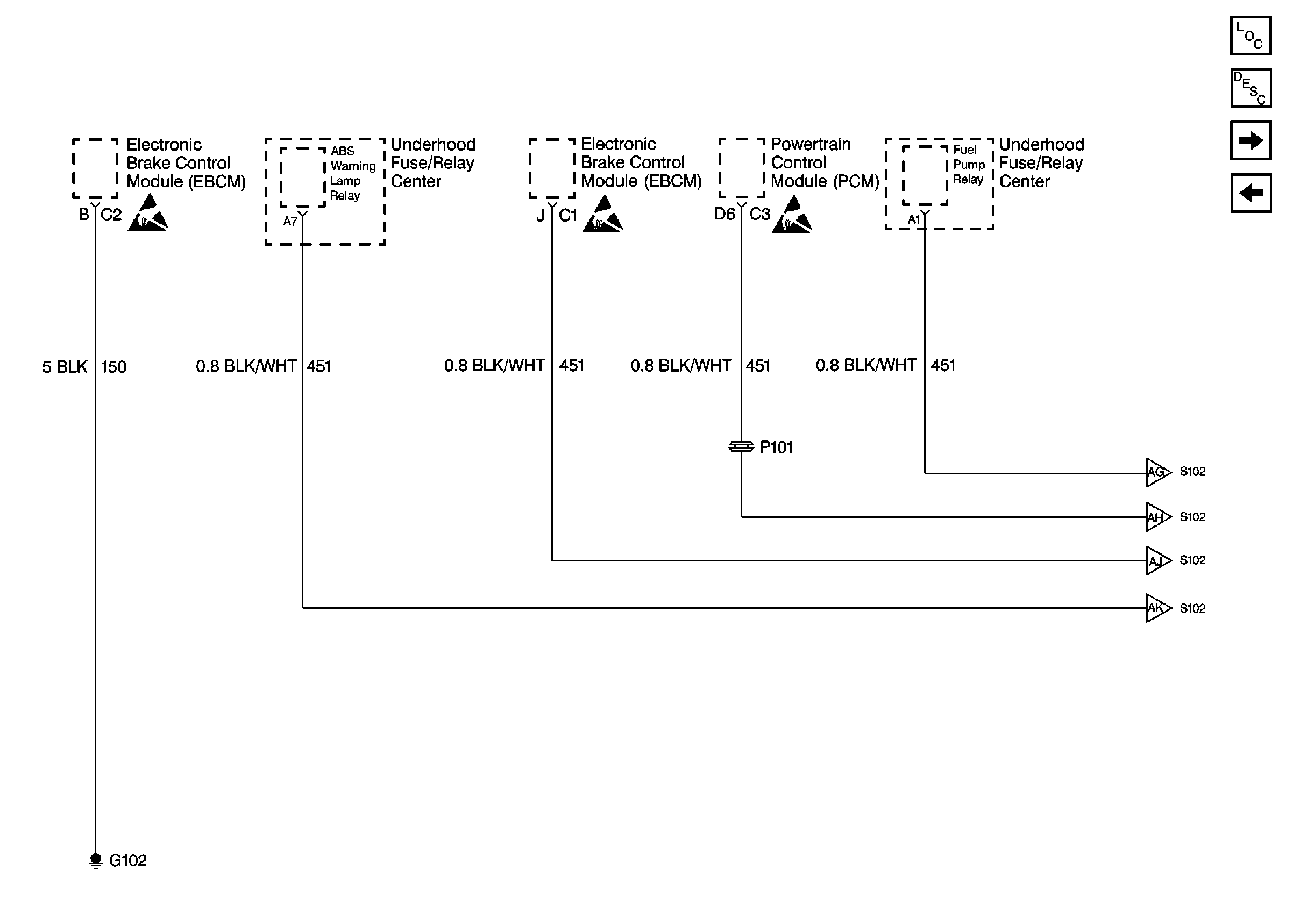
Cell 14: S103 (4.3L Gas)
Cell 14: G101, (4.3L Gas)
Cell 14: S103 (4.3L Gas)
Cell 14: S103 (4.3L Gas)
Handling ESD Sensitive Parts Notice
Figure 11:

Cell 14: S103 (4.3L Gas)


Object Number: 355441  Size: FS
Power and Grounding Components
Cell 14: G103
Cell 14: G102, Heated Oxygen Sensor
Cell 14: G103
Cell 14: G103
Cell 14: G102, Heated Oxygen Sensor
Cell 14: G102, Heated Oxygen Sensor
Figure 12:

Cell 14: G103


Object Number: 355448  Size: FS
Power and Grounding Components
Cell 14: G101 (5.7L Gas)
Cell 14: S103 (4.3L Gas)
Cell 14: S103 (4.3L Gas)
Cell 14: S103 (4.3L Gas)
Cell 14: G101, (4.3L Gas)
Figure 13:

Cell 14: G101 (5.7L Gas)


Object Number: 355457  Size: FS
Power and Grounding Components
Cell 14: G102, G103 (Diesel)
Cell 14: G103
Handling ESD Sensitive Parts Notice
Handling ESD Sensitive Parts Notice
Handling ESD Sensitive Parts Notice
Handling ESD Sensitive Parts Notice
Cell 14: G102, G103 (Diesel)
Figure 14:

Cell 14: G102, G103 (Diesel)


Object Number: 355462  Size: FS
Power and Grounding Components
Cell 14: S103 (5.7L Gas)
Cell 14: G101 (5.7L Gas)
Handling ESD Sensitive Parts Notice
Handling ESD Sensitive Parts Notice
Cell 14: S103 (5.7L Gas)
Cell 14: G101 (5.7L Gas)
Cell 14: S103 (5.7L Gas)
Cell 14: S103 (5.7L Gas)
Figure 15:

Cell 14: S103 (5.7L Gas)


Object Number: 355471  Size: FS
Power and Grounding Components
Cell 14: G102, G103 (Diesel)
Cell 14: G102 (6.5L Diesel)
Cell 14: G102, G103 (Diesel)
Cell 14: G102, G103 (Diesel)
Cell 14: G102, G103 (Diesel)
Figure 16:

Cell 14: G102 (6.5L Diesel)


Object Number: 355476  Size: FS
Power and Grounding Components
Cell 14: G101 (6.5L Diesel)
Cell 14: S103 (5.7L Gas)
Handling ESD Sensitive Parts Notice
Handling ESD Sensitive Parts Notice
Handling ESD Sensitive Parts Notice
Cell 14: G101 (6.5L Diesel)
Cell 14: G101 (6.5L Diesel)
Cell 14: G101 (6.5L Diesel)
Cell 14: G101 (6.5L Diesel)
Figure 17:

Cell 14: G101 (6.5L Diesel)


Object Number: 355484  Size: FS
Power and Grounding Components
Cell 14: G103 (6.5L)
Cell 14: G102 (6.5L Diesel)
Handling ESD Sensitive Parts Notice
Handling ESD Sensitive Parts Notice
Cell 14: G102 (6.5L Diesel)
Cell 14: G102 (6.5L Diesel)
Cell 14: G102 (6.5L Diesel)
Cell 14: G102 (6.5L Diesel)
Cell 14: G103 (6.5L)
Cell 14: G103 (6.5L)
Cell 14: G103 (6.5L)
Cell 14: G103 (6.5L)
Cell 14: G103 (6.5L)
Cell 14: G103 (6.5L)
Figure 18:

Cell 14: G103 (6.5L)


Object Number: 355490  Size: FS
Power and Grounding Components
Cell 14: A/C Compressor (6.5L Diesel)
Cell 14: G101 (6.5L Diesel)
Cell 14: A/C Compressor (6.5L Diesel)
Cell 14: A/C Compressor (6.5L Diesel)
Cell 14: G101 (6.5L Diesel)
Cell 14: G101 (6.5L Diesel)
Cell 14: G101 (6.5L Diesel)
Cell 14: G101 (6.5L Diesel)
Cell 14: G101 (6.5L Diesel)
Cell 14: G101 (6.5L Diesel)
Figure 19:

Cell 14: A/C Compressor (6.5L Diesel)


Object Number: 355495  Size: FS
Power and Grounding Components
Cell 14: G301, G400
Cell 14: G103 (6.5L)
Cell 14: G103 (6.5L)
Cell 14: G103 (6.5L)
Figure 20:

Cell 14: G301, G400


Object Number: 355504  Size: FS
Power and Grounding Components
Cell 14: Auxiliary HVAC
Cell 14: A/C Compressor (6.5L Diesel)
Cell 14: Auxiliary HVAC
Cell 14: Auxiliary HVAC
Figure 21:

Cell 14: Auxiliary HVAC


Object Number: 355514  Size: FS
Power and Grounding Components
Cell 14: G401, G402
Cell 14: G301, G400
Cell 14: G301, G400
Cell 14: G301, G400
Figure 22:

Cell 14: G401, G402


Object Number: 355521  Size: FS
Power and Grounding Components
Cell 14: Auxiliary HVAC