GM Service Manual Online
For 1990-2009 cars only
Makes
🢒
GMC_Truck
🢒
2001
🢒
Savana
🢒
Body and Accessories
🢒
Doors
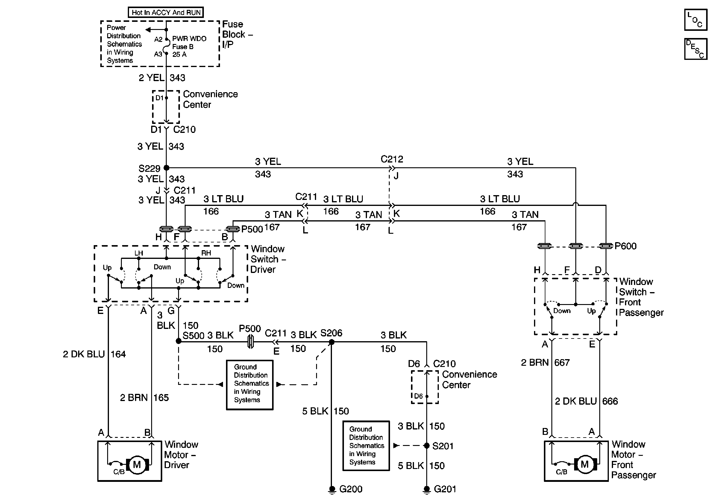
🢒 Power Window Schematics
Master Electrical Component List
Power Windows Description and Operation
Ignition A, Ignition B Fuses, and Ignition Switch
G200
G201